スポンサーリンク
令和8年度 第二種電気工事士技能試験の候補問題の複線図の書き方
※ページ内にPR・広告が含まれる場合があります。
令和8年度(2026年度)第二種電気工事士技能試験の候補問題(単線図)の複線図の書き方の関連記事をまとめたページです。
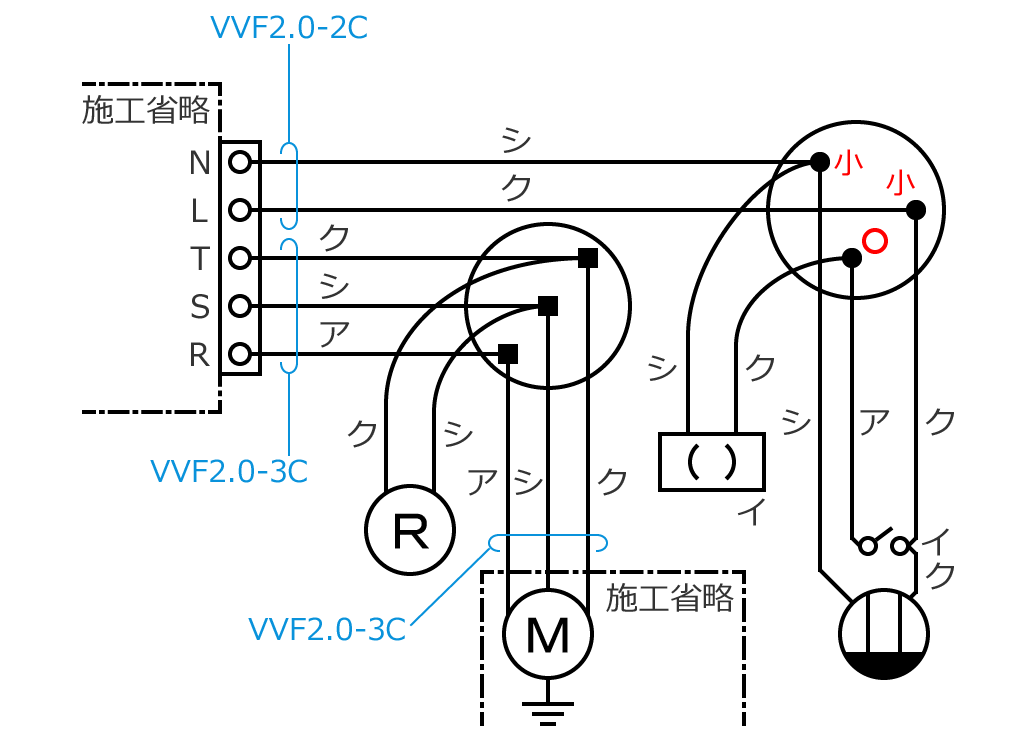
技能試験の施工の練習(実際に候補問題の課題を作る練習)をするときには、候補問題の単線図を自分で複線図に直し、その直した複線図を見ながら施工していきます。



したがって、各候補問題の単線図を複線図に直せないと施工することすらできない(技能試験の勉強を進めることができない)ことになりますので、技能試験の勉強をスタートしたら、まず初めに複線図の書き方をおぼえなければなりません。
このページに掲載の各ページでは、令和8年度(2026年度)の第二種電気工事士技能試験の候補問題毎の複線図の書き方を一つ一つ順を追って解説していますので、複線図の書き方の参考にしてみてください。
複線図の書き方は初めはよく分からないかもしれませんが、書き方を真似ていけば書く順番をおぼえてスイスイ書けるようになります。
それから、複線図の書き方の勉強の前に、各候補問題の単線図に書かれている図記号が分からないといけません。
単線図についてまだよく分からないという方は、単線図とは?、単線図で使われる図記号のページを参考にしてみましょう。
また、簡単な単線図を例にして、複線図の書き方を複線図の基本的な書き方のページで解説していますので、こちらもあわせて参考にしてみてください。
複線図を書いていく手順ってこんなもんかってのが分かると思います。
2025年度の技能試験対策におすすめ!
2025年度の技能試験対策におすすめです!
※2026年版の技能試験編は2026年3月発売予定です。
スポンサーリンク
スポンサーリンク
令和8年度(2026年度)第二種電気工事士 候補問題の複線図の書き方 関連記事一覧
スポンサーリンク


