スポンサーリンク
第二種電気工事士学科試験の4択クイズ リングスリーブの種類と最少個数の組合せ
※ページ内にPR・広告が含まれる場合があります。
第二種電気工事士学科試験で出題されている使用するリングスリーブの種類と最少個数の組合せについて4択クイズ(一問一答)にしてみました。
選択肢の中から答えを選ぶと解説も表示されるようになっているので、ちょっとした練習問題としても使えるんじゃないかなと思います。
スマホでもできるので(たぶん)、休憩時間やちょっと時間があいたときなど、スキマ時間にポチポチやってみるのもいいかもです。
また、このページの4択クイズをやってみて、
接続する電線とリングスリーブの種類の組合せがぜんぜん分かんない!
というときは、こちらの技能試験で使うリングスリーブの種類と圧着工具の適切なダイスのページを一度読んでみてからやってみてください。
一度読んでからなら、そこそこいけると思います。
スポンサーリンク
使用するリングスリーブの種類と最少個数の組合せの4択クイズ
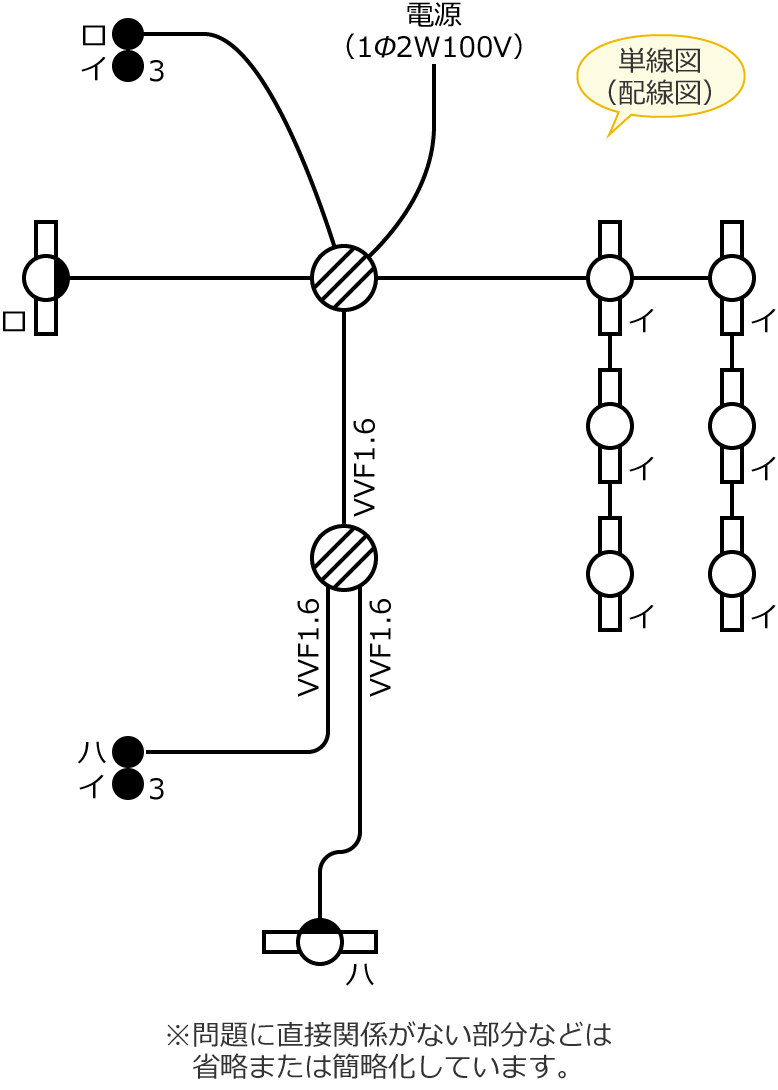
問題1
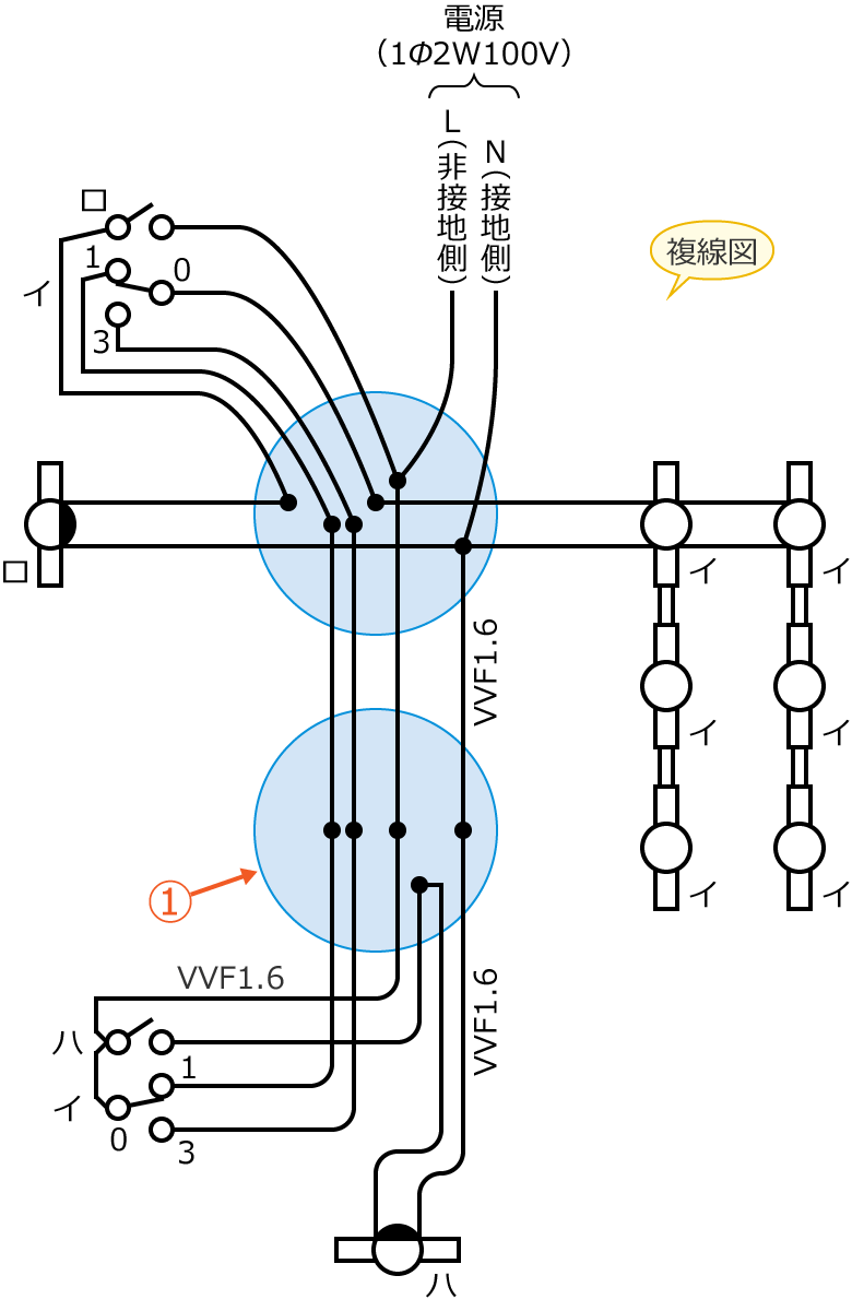
次の単線図(配線図)の複線図を書いたところ、下の図のような複線図になった。


このとき、複線図の①で示すジョイントボックス内の接続をすべて圧着接続とする場合、使用するリングスリーブの種類と個数の組合せで、適切なものは?
正解!
はずれ!
解説
正解は、
です。
複線図の①で示す部分には、
- 1.6mmの電線を2本接続するところが5箇所
あります。なので、使用するリングスリーブの種類と個数は「小5個」になります。

| 電線の組合せ | リングスリーブのサイズ | 刻印(圧着マーク) | |
|---|---|---|---|
| 太さ | 本数 | ||
| 1.6mm | 2本 | 小 | ○ |
| 3〜4本 | 小 | 小 | |
| 5〜6本 | 中 | 中 | |
| 2.0mm | 2本 | 小 | 小 |
| 3〜4本 | 中 | 中 | |
| 2.0mm(1本)と1.6mm(1〜2本) | 小 | 小 | |
| 2.0mm(1本)と1.6mm(3〜5本) | 中 | 中 | |
| 2.0mm(2本)と1.6mm(1〜3本) | 中 | 中 | |
問題2
次の単線図(配線図)の複線図を書いたところ、下の図のような複線図になった。


このとき、複線図の①で示すジョイントボックス内において、接続をすべて圧着接続とする場合、使用するリングスリーブの種類と個数の組合せで、適切なものは?
ただし、使用する電線はVVF1.6-2Cとする。
正解!
はずれ!
解説
正解は、
です。
複線図の①で示す部分には、
- 1.6mmの電線を2本接続するところが1箇所
- 1.6mmの電線を3本接続するところが2箇所
あります。なので、使用するリングスリーブの種類と個数は「小3個」になります。

| 電線の組合せ | リングスリーブのサイズ | 刻印(圧着マーク) | |
|---|---|---|---|
| 太さ | 本数 | ||
| 1.6mm | 2本 | 小 | ○ |
| 3〜4本 | 小 | 小 | |
| 5〜6本 | 中 | 中 | |
| 2.0mm | 2本 | 小 | 小 |
| 3〜4本 | 中 | 中 | |
| 2.0mm(1本)と1.6mm(1〜2本) | 小 | 小 | |
| 2.0mm(1本)と1.6mm(3〜5本) | 中 | 中 | |
| 2.0mm(2本)と1.6mm(1〜3本) | 中 | 中 | |
問題3
次の単線図(配線図)の複線図を書いたところ、下の図のような複線図になった。


このとき、複線図の①で示すプルボックス内の接続をすべて圧着接続とする場合、使用するリングスリーブの種類と個数の組合せで、正しいものは?
ただし、使用する電線はすべてIV1.6とする。
正解!
はずれ!
解説
正解は、
です。
複線図の①で示す部分には、
- 1.6mmの電線を2本接続するところが4箇所
- 1.6mmの電線を3本接続するところが1箇所
あります。なので、使用するリングスリーブの種類と個数は「小5個」になります。

| 電線の組合せ | リングスリーブのサイズ | 刻印(圧着マーク) | |
|---|---|---|---|
| 太さ | 本数 | ||
| 1.6mm | 2本 | 小 | ○ |
| 3〜4本 | 小 | 小 | |
| 5〜6本 | 中 | 中 | |
| 2.0mm | 2本 | 小 | 小 |
| 3〜4本 | 中 | 中 | |
| 2.0mm(1本)と1.6mm(1〜2本) | 小 | 小 | |
| 2.0mm(1本)と1.6mm(3〜5本) | 中 | 中 | |
| 2.0mm(2本)と1.6mm(1〜3本) | 中 | 中 | |
スポンサーリンク
スポンサーリンク
問題4
次の単線図(配線図)の複線図を書いたところ、下の図のような複線図になった。


このとき、複線図の①で示すVVF用ジョイントボックス内の接続をすべて圧着接続とする場合、使用するリングスリーブの種類と個数の組合せで、適切なものは?
ただし、使用する電線はすべてVVF1.6とする。
正解!
はずれ!
解説
正解は、
です。
複線図の①で示す部分には、
- 1.6mmの電線を3本接続するところが1箇所
- 1.6mmの電線を4本接続するところが1箇所
- 1.6mmの電線を5本接続するところが1箇所
あります。なので、使用するリングスリーブの種類と個数は「小2個と中1個」になります。

| 電線の組合せ | リングスリーブのサイズ | 刻印(圧着マーク) | |
|---|---|---|---|
| 太さ | 本数 | ||
| 1.6mm | 2本 | 小 | ○ |
| 3〜4本 | 小 | 小 | |
| 5〜6本 | 中 | 中 | |
| 2.0mm | 2本 | 小 | 小 |
| 3〜4本 | 中 | 中 | |
| 2.0mm(1本)と1.6mm(1〜2本) | 小 | 小 | |
| 2.0mm(1本)と1.6mm(3〜5本) | 中 | 中 | |
| 2.0mm(2本)と1.6mm(1〜3本) | 中 | 中 | |
問題5
次の単線図(配線図)の複線図を書いたところ、下の図のような複線図になった。


このとき、複線図の①で示すVVF用ジョイントボックス内の接続をすべて圧着接続とする場合、使用するリングスリーブの種類と個数の組合せで、適切なものは?
ただし、使用する電線はすべてVVF1.6とする。
正解!
はずれ!
解説
正解は、
です。
複線図の①で示す部分には、
- 1.6mmの電線を2本接続するところが3箇所
- 1.6mmの電線を4本接続するところが1箇所
- 1.6mmの電線を6本接続するところが1箇所
あります。なので、使用するリングスリーブの種類と個数は「小4個と中1個」になります。

| 電線の組合せ | リングスリーブのサイズ | 刻印(圧着マーク) | |
|---|---|---|---|
| 太さ | 本数 | ||
| 1.6mm | 2本 | 小 | ○ |
| 3〜4本 | 小 | 小 | |
| 5〜6本 | 中 | 中 | |
| 2.0mm | 2本 | 小 | 小 |
| 3〜4本 | 中 | 中 | |
| 2.0mm(1本)と1.6mm(1〜2本) | 小 | 小 | |
| 2.0mm(1本)と1.6mm(3〜5本) | 中 | 中 | |
| 2.0mm(2本)と1.6mm(1〜3本) | 中 | 中 | |
問題6
次の単線図(配線図)の複線図を書いたところ、下の図のような複線図になった。


このとき、複線図の①で示す部分のジョイントボックス内において、接続をすべて圧着接続とする場合、使用するリングスリーブの種類と個数の組合せで、適切なものは?
正解!
はずれ!
解説
正解は、
です。
複線図の①で示す部分には、
- 1.6mmの電線を2本接続するところが2箇所
- 2.0mmの電線を1本と1.6mmの電線を2本接続するところが1箇所
- 2.0mmの電線を1本と1.6mmの電線を3本接続するところが1箇所
あります。なので、使用するリングスリーブの種類と個数は「小3個と中1個」になります。

| 電線の組合せ | リングスリーブのサイズ | 刻印(圧着マーク) | |
|---|---|---|---|
| 太さ | 本数 | ||
| 1.6mm | 2本 | 小 | ○ |
| 3〜4本 | 小 | 小 | |
| 5〜6本 | 中 | 中 | |
| 2.0mm | 2本 | 小 | 小 |
| 3〜4本 | 中 | 中 | |
| 2.0mm(1本)と1.6mm(1〜2本) | 小 | 小 | |
| 2.0mm(1本)と1.6mm(3〜5本) | 中 | 中 | |
| 2.0mm(2本)と1.6mm(1〜3本) | 中 | 中 | |
問題7
次の単線図(配線図)の複線図を書いたところ、下の図のような複線図になった。


このとき、複線図の①で示すボックス内の接続をすべて圧着接続とする場合、使用するリングスリーブの種類と個数の組合せで、正しいものは?
ただし、使用する電線は特記のないものはVVF1.6とする。
正解!
はずれ!
解説
正解は、
です。
複線図の①で示す部分には、
- 1.6mmの電線を2本接続するところが2箇所
- 2.0mmの電線を1本と1.6mmの電線を3本接続するところが1箇所
- 2.0mmの電線を1本と1.6mmの電線を4本接続するところが1箇所
あります。なので、使用するリングスリーブの種類と個数は「小2個と中2個」になります。

| 電線の組合せ | リングスリーブのサイズ | 刻印(圧着マーク) | |
|---|---|---|---|
| 太さ | 本数 | ||
| 1.6mm | 2本 | 小 | ○ |
| 3〜4本 | 小 | 小 | |
| 5〜6本 | 中 | 中 | |
| 2.0mm | 2本 | 小 | 小 |
| 3〜4本 | 中 | 中 | |
| 2.0mm(1本)と1.6mm(1〜2本) | 小 | 小 | |
| 2.0mm(1本)と1.6mm(3〜5本) | 中 | 中 | |
| 2.0mm(2本)と1.6mm(1〜3本) | 中 | 中 | |
問題8
次の単線図(配線図)の①で示す部分の複線図を書いたところ、下の図のような複線図になった。


このとき、複線図の①で示すVVF用ジョイントボックス内の接続をすべて圧着接続とする場合、使用するリングスリーブの種類と個数の組合せで、正しいものは?
ただし、接地配線も含まれるものとする。
正解!
はずれ!
解説
正解は、
です。
複線図の①で示す部分には、
- 2.0mmの電線を3本接続するところが1箇所
- 2.0mmの電線を4本接続するところが2箇所
あります。なので、使用するリングスリーブの種類と個数は「中3個」になります。

| 電線の組合せ | リングスリーブのサイズ | 刻印(圧着マーク) | |
|---|---|---|---|
| 太さ | 本数 | ||
| 1.6mm | 2本 | 小 | ○ |
| 3〜4本 | 小 | 小 | |
| 5〜6本 | 中 | 中 | |
| 2.0mm | 2本 | 小 | 小 |
| 3〜4本 | 中 | 中 | |
| 2.0mm(1本)と1.6mm(1〜2本) | 小 | 小 | |
| 2.0mm(1本)と1.6mm(3〜5本) | 中 | 中 | |
| 2.0mm(2本)と1.6mm(1〜3本) | 中 | 中 | |
問題9
次の単線図(配線図)の①で示す部分の複線図を書いたところ、下の図のような複線図になった。


このとき、複線図の①で示すジョイントボックス内の接続をすべて圧着接続とする場合、使用するリングスリーブの種類と個数の組合せで、適切なものは?
正解!
はずれ!
解説
正解は、
です。
複線図の①で示す部分には、
- 5.5mm2の電線を3本接続するところが3箇所
あります。なので、使用するリングスリーブの種類と個数は「大3個」になります。

スポンサーリンク
スポンサーリンク
第二種電気工事士学科試験で出題された配線図の複線図の書き方は、こちらの第二種電気工事士学科試験で出題された配線図と複線図の一覧表のページを参考にしてみてください。
第二種電気工事士学科試験の4択クイズのまとめページ(一覧)はこちら
⇒ 第二種電気工事士学科試験の4択クイズ
2025年度の学科試験対策におすすめです!
このページの問題は、(一財)電気技術者試験センターが作成した第二種電気工事士学科試験の試験問題を改変して作成しています。
スポンサーリンク
第二種電気工事士学科試験の4択クイズ リングスリーブの種類と最少個数の組合せ 関連ページ
- 4択クイズ 鑑別 スイッチ
- 第二種電気工事士学科試験の鑑別問題で出題されている内容について4択クイズ(一問一答)にしてみました。スマホでもできるので(たぶん)、ちょっとしたスキマ時間などにポチポチやってみるのもいいかもです。このページは「スイッチ」についての4択クイズです。
- 4択クイズ 鑑別 コンセント
- 第二種電気工事士学科試験の鑑別問題で出題されている内容について4択クイズ(一問一答)にしてみました。スマホでもできるので(たぶん)、ちょっとしたスキマ時間などにポチポチやってみるのもいいかもです。このページは「コンセント」についての4択クイズです。
- 4択クイズ 鑑別 遮断器と開閉器
- 第二種電気工事士学科試験の鑑別問題で出題されている内容について4択クイズ(一問一答)にしてみました。スマホでもできるので(たぶん)、ちょっとしたスキマ時間などにポチポチやってみるのもいいかもです。このページは「遮断器と開閉器」についての4択クイズです。
- 4択クイズ 鑑別 照明器具
- 第二種電気工事士学科試験の鑑別問題で出題されている内容について4択クイズ(一問一答)にしてみました。スマホでもできるので(たぶん)、ちょっとしたスキマ時間などにポチポチやってみるのもいいかもです。このページは「照明器具」についての4択クイズです。
- 4択クイズ 鑑別 電線管工事で使う材料
- 第二種電気工事士学科試験の鑑別問題で出題されている内容について4択クイズ(一問一答)にしてみました。スマホでもできるので(たぶん)、ちょっとしたスキマ時間などにポチポチやってみるのもいいかもです。このページは「電線管工事で使う材料」についての4択クイズです。
- 4択クイズ 鑑別 電線・ケーブルと電線を接続する材料
- 第二種電気工事士学科試験の鑑別問題で出題されている内容について4択クイズ(一問一答)にしてみました。スマホでもできるので(たぶん)、ちょっとしたスキマ時間などにポチポチやってみるのもいいかもです。このページは「電線・ケーブルと電線を接続する材料」についての4択クイズです。
- 4択クイズ 鑑別 その他の機器・器具・材料
- 第二種電気工事士学科試験の鑑別問題で出題されている内容について4択クイズ(一問一答)にしてみました。スマホでもできるので(たぶん)、ちょっとしたスキマ時間などにポチポチやってみるのもいいかもです。このページは「その他の機器・器具・材料」についての4択クイズです。
- 4択クイズ 鑑別 電気工事で使う工具
- 第二種電気工事士学科試験の鑑別問題で出題されている内容について4択クイズ(一問一答)にしてみました。スマホでもできるので(たぶん)、ちょっとしたスキマ時間などにポチポチやってみるのもいいかもです。このページは「電気工事で使う工具」についての4択クイズです。
- 4択クイズ 鑑別 測定器
- 第二種電気工事士学科試験の鑑別問題で出題されている内容について4択クイズ(一問一答)にしてみました。スマホでもできるので(たぶん)、ちょっとしたスキマ時間などにポチポチやってみるのもいいかもです。このページは「測定器」についての4択クイズです。
- 4択クイズ 接地工事
- 第二種電気工事士学科試験で出題されている「接地工事」について4択クイズ(一問一答)にしてみました。スマホでもできるので(たぶん)、ちょっとしたスキマ時間などにポチポチやってみるのもいいかもです。
- 4択クイズ ケーブル工事
- 第二種電気工事士学科試験で出題されている「ケーブル工事」について4択クイズ(一問一答)にしてみました。スマホでもできるので(たぶん)、ちょっとしたスキマ時間などにポチポチやってみるのもいいかもです。
- 4択クイズ 地中埋設工事
- 第二種電気工事士学科試験で出題されている「地中埋設工事」について4択クイズ(一問一答)にしてみました。スマホでもできるので(たぶん)、ちょっとしたスキマ時間などにポチポチやってみるのもいいかもです。
- 4択クイズ 金属管工事
- 第二種電気工事士学科試験で出題されている「金属管工事」について4択クイズ(一問一答)にしてみました。スマホでもできるので(たぶん)、ちょっとしたスキマ時間などにポチポチやってみるのもいいかもです。
- 4択クイズ 金属可とう電線管工事
- 第二種電気工事士学科試験で出題されている「金属可とう電線管工事」について4択クイズ(一問一答)にしてみました。スマホでもできるので(たぶん)、ちょっとしたスキマ時間などにポチポチやってみるのもいいかもです。
- 4択クイズ 合成樹脂管工事
- 第二種電気工事士学科試験で出題されている「合成樹脂管工事」について4択クイズ(一問一答)にしてみました。スマホでもできるので(たぶん)、ちょっとしたスキマ時間などにポチポチやってみるのもいいかもです。
- 4択クイズ 金属線ぴ工事
- 第二種電気工事士学科試験で出題されている「金属線ぴ工事」について4択クイズ(一問一答)にしてみました。スマホでもできるので(たぶん)、ちょっとしたスキマ時間などにポチポチやってみるのもいいかもです。
- 4択クイズ 金属・フロア・ライティングダクト工事
- 第二種電気工事士学科試験で出題されている「金属ダクト工事、フロアダクト工事、ライティングダクト工事」について4択クイズ(一問一答)にしてみました。スマホでもできるので(たぶん)、ちょっとしたスキマ時間などにポチポチやってみるのもいいかもです。
- 4択クイズ ネオン放電灯工事
- 第二種電気工事士学科試験で出題されている「ネオン放電灯工事」について4択クイズ(一問一答)にしてみました。スマホでもできるので(たぶん)、ちょっとしたスキマ時間などにポチポチやってみるのもいいかもです。
- 4択クイズ ショウウィンドー・ショウケース内工事
- 第二種電気工事士学科試験で出題されている「ショウウィンドー・ショウケース内工事」について4択クイズ(一問一答)にしてみました。スマホでもできるので(たぶん)、ちょっとしたスキマ時間などにポチポチやってみるのもいいかもです。
- 4択クイズ 小勢力回路の工事
- 第二種電気工事士学科試験で出題されている「小勢力回路の工事」について4択クイズ(一問一答)にしてみました。スマホでもできるので(たぶん)、ちょっとしたスキマ時間などにポチポチやってみるのもいいかもです。
- 4択クイズ 低圧屋内配線工事と施工できる場所
- 第二種電気工事士学科試験で出題されている「低圧屋内配線工事と施工できる場所」について4択クイズ(一問一答)にしてみました。スマホでもできるので(たぶん)、ちょっとしたスキマ時間などにポチポチやってみるのもいいかもです。
- 4択クイズ 特殊な場所の工事と施工できる場所
- 第二種電気工事士学科試験で出題されている「特殊な場所の工事と施工できる場所」について4択クイズ(一問一答)にしてみました。スマホでもできるので(たぶん)、ちょっとしたスキマ時間などにポチポチやってみるのもいいかもです。
- 4択クイズ 三相誘導電動機のスターデルタ始動法
- 第二種電気工事士学科試験で出題されている「三相誘導電動機のスターデルタ始動法」について4択クイズ(一問一答)にしてみました。スマホでもできるので(たぶん)、ちょっとしたスキマ時間などにポチポチやってみるのもいいかもです。
- 4択クイズ 三相誘導電動機を逆回転させる方法
- 第二種電気工事士学科試験で出題されている「三相誘導電動機を逆回転させる方法」について4択クイズ(一問一答)にしてみました。スマホでもできるので(たぶん)、ちょっとしたスキマ時間などにポチポチやってみるのもいいかもです。
- 4択クイズ 三相誘導電動機の力率改善
- 第二種電気工事士学科試験で出題されている「三相誘導電動機の力率改善」について4択クイズ(一問一答)にしてみました。スマホでもできるので(たぶん)、ちょっとしたスキマ時間などにポチポチやってみるのもいいかもです。
- 4択クイズ 計器に表示されている記号
- 第二種電気工事士学科試験で出題されている「計器に表示されている記号」について4択クイズ(一問一答)にしてみました。スマホでもできるので(たぶん)、ちょっとしたスキマ時間などにポチポチやってみるのもいいかもです。
- 4択クイズ 電圧、電流、電力、力率の測定回路
- 第二種電気工事士学科試験で出題されている「電圧、電流、電力、力率の測定回路」について4択クイズ(一問一答)にしてみました。スマホでもできるので(たぶん)、ちょっとしたスキマ時間などにポチポチやってみるのもいいかもです。
- 4択クイズ クランプ形の電流計による電流の測定
- 第二種電気工事士学科試験で出題されている「クランプ形の電流計による電流の測定」について4択クイズ(一問一答)にしてみました。スマホでもできるので(たぶん)、ちょっとしたスキマ時間などにポチポチやってみるのもいいかもです。
- 4択クイズ 接地抵抗計と接地抵抗の測定方法
- 第二種電気工事士学科試験で出題されている「接地抵抗計と接地抵抗の測定方法」について4択クイズ(一問一答)にしてみました。スマホでもできるので(たぶん)、ちょっとしたスキマ時間などにポチポチやってみるのもいいかもです。
- 4択クイズ 絶縁抵抗計と絶縁抵抗の測定
- 第二種電気工事士学科試験で出題されている「絶縁抵抗計と絶縁抵抗の測定」について4択クイズ(一問一答)にしてみました。スマホでもできるので(たぶん)、ちょっとしたスキマ時間などにポチポチやってみるのもいいかもです。
- 4択クイズ 回路計(テスタ)
- 第二種電気工事士学科試験で出題されている「回路計(テスタ)」について4択クイズ(一問一答)にしてみました。スマホでもできるので(たぶん)、ちょっとしたスキマ時間などにポチポチやってみるのもいいかもです。
- 4択クイズ 検電器
- 第二種電気工事士学科試験で出題されている「検電器」について4択クイズ(一問一答)にしてみました。スマホでもできるので(たぶん)、ちょっとしたスキマ時間などにポチポチやってみるのもいいかもです。
- 4択クイズ 竣工検査
- 第二種電気工事士学科試験で出題されている「竣工検査」について4択クイズ(一問一答)にしてみました。スマホでもできるので(たぶん)、ちょっとしたスキマ時間などにポチポチやってみるのもいいかもです。
- 4択クイズ 電気設備技術基準・解釈
- 第二種電気工事士学科試験で出題されている「電気設備技術基準・解釈」について4択クイズ(一問一答)にしてみました。スマホでもできるので(たぶん)、ちょっとしたスキマ時間などにポチポチやってみるのもいいかもです。
- 4択クイズ 電気事業法
- 第二種電気工事士学科試験で出題されている「電気事業法」について4択クイズ(一問一答)にしてみました。スマホでもできるので(たぶん)、ちょっとしたスキマ時間などにポチポチやってみるのもいいかもです。
- 4択クイズ 電気工事士法
- 第二種電気工事士学科試験で出題されている「電気工事士法」について4択クイズ(一問一答)にしてみました。スマホでもできるので(たぶん)、ちょっとしたスキマ時間などにポチポチやってみるのもいいかもです。
- 4択クイズ 電気工事業法
- 第二種電気工事士学科試験で出題されている「電気工事業法(電気工事業の業務の適正化に関する法律)」について4択クイズ(一問一答)にしてみました。スマホでもできるので(たぶん)、ちょっとしたスキマ時間などにポチポチやってみるのもいいかもです。
- 4択クイズ 電気用品安全法
- 第二種電気工事士学科試験で出題されている「電気用品安全法」について4択クイズ(一問一答)にしてみました。スマホでもできるので(たぶん)、ちょっとしたスキマ時間などにポチポチやってみるのもいいかもです。
- 4択クイズ 電線の許容電流
- 第二種電気工事士学科試験で出題されている「電線の許容電流」について4択クイズ(一問一答)にしてみました。スマホでもできるので(たぶん)、ちょっとしたスキマ時間などにポチポチやってみるのもいいかもです。
- 4択クイズ 幹線の太さを決める根拠となる電流の最小値
- 第二種電気工事士学科試験で出題されている「幹線の太さを決める根拠となる電流の最小値」について4択クイズ(一問一答)にしてみました。スマホでもできるので(たぶん)、ちょっとしたスキマ時間などにポチポチやってみるのもいいかもです。
- 4択クイズ 分岐回路の開閉器および過電流遮断器の施設
- 第二種電気工事士学科試験で出題されている「分岐回路の開閉器および過電流遮断器の施設」について4択クイズ(一問一答)にしてみました。スマホでもできるので(たぶん)、ちょっとしたスキマ時間などにポチポチやってみるのもいいかもです。
- 4択クイズ 配線の図記号
- 第二種電気工事士学科試験で出題されている「配線の図記号」について4択クイズ(一問一答)にしてみました。スマホでもできるので(たぶん)、ちょっとしたスキマ時間などにポチポチやってみるのもいいかもです。
- 4択クイズ 絶縁電線・ケーブルの記号
- 第二種電気工事士学科試験で出題されている「絶縁電線・ケーブルの記号」について4択クイズ(一問一答)にしてみました。スマホでもできるので(たぶん)、ちょっとしたスキマ時間などにポチポチやってみるのもいいかもです。
- 4択クイズ 電線管・ダクトの記号
- 第二種電気工事士学科試験で出題されている「電線管・ダクトの記号」について4択クイズ(一問一答)にしてみました。スマホでもできるので(たぶん)、ちょっとしたスキマ時間などにポチポチやってみるのもいいかもです。
- 4択クイズ スイッチの図記号
- 第二種電気工事士学科試験で出題されている「スイッチの図記号」について4択クイズ(一問一答)にしてみました。スマホでもできるので(たぶん)、ちょっとしたスキマ時間などにポチポチやってみるのもいいかもです。
- 4択クイズ コンセントの図記号
- 第二種電気工事士学科試験で出題されている「コンセントの図記号」について4択クイズ(一問一答)にしてみました。スマホでもできるので(たぶん)、ちょっとしたスキマ時間などにポチポチやってみるのもいいかもです。
- 4択クイズ 遮断器と開閉器の図記号
- 第二種電気工事士学科試験で出題されている「遮断器と開閉器の図記号」について4択クイズ(一問一答)にしてみました。スマホでもできるので(たぶん)、ちょっとしたスキマ時間などにポチポチやってみるのもいいかもです。
- 4択クイズ 照明器具の図記号
- 第二種電気工事士学科試験で出題されている「照明器具の図記号」について4択クイズ(一問一答)にしてみました。スマホでもできるので(たぶん)、ちょっとしたスキマ時間などにポチポチやってみるのもいいかもです。
- 4択クイズ 電気機器・計器の図記号
- 第二種電気工事士学科試験で出題されている「電気機器・計器の図記号」について4択クイズ(一問一答)にしてみました。スマホでもできるので(たぶん)、ちょっとしたスキマ時間などにポチポチやってみるのもいいかもです。
- 4択クイズ ボックスなどその他の図記号
- 第二種電気工事士学科試験で出題されている「ボックスなどその他の図記号」について4択クイズ(一問一答)にしてみました。スマホでもできるので(たぶん)、ちょっとしたスキマ時間などにポチポチやってみるのもいいかもです。
- 4択クイズ コンセントの刃受の形状(極配置)
- 第二種電気工事士学科試験で出題されている「コンセントの刃受の形状(極配置)」について4択クイズ(一問一答)にしてみました。スマホでもできるので(たぶん)、ちょっとしたスキマ時間などにポチポチやってみるのもいいかもです。
- 4択クイズ 最少電線本数(心線数)
- 第二種電気工事士学科試験で出題されている「最少電線本数(心線数)」について4択クイズ(一問一答)にしてみました。スマホでもできるので(たぶん)、ちょっとしたスキマ時間などにポチポチやってみるのもいいかもです。
- 4択クイズ 配線工事に必要なケーブル
- 第二種電気工事士学科試験で出題されている「配線工事に必要なケーブル」について4択クイズ(一問一答)にしてみました。スマホでもできるので(たぶん)、ちょっとしたスキマ時間などにポチポチやってみるのもいいかもです。
- 4択クイズ 差込形コネクタの種類と最少個数の組合せ
- 第二種電気工事士学科試験で出題されている「使用する差込形コネクタの種類と最少個数の組合せ」について4択クイズ(一問一答)にしてみました。スマホでもできるので(たぶん)、ちょっとしたスキマ時間などにポチポチやってみるのもいいかもです。
- 4択クイズ リングスリーブの種類、個数、刻印の組合せ
- 第二種電気工事士学科試験で出題されている「使用するリングスリーブの種類、個数および刻印の組合せ」について4択クイズ(一問一答)にしてみました。スマホでもできるので(たぶん)、ちょっとしたスキマ時間などにポチポチやってみるのもいいかもです。

