スポンサーリンク
第二種電気工事士学科試験の4択クイズ 最少電線本数(心線数)
※ページ内にPR・広告が含まれる場合があります。
第二種電気工事士学科試験で出題されている最少電線本数(心線数)について4択クイズ(一問一答)にしてみました。
選択肢の中から答えを選ぶと解説も表示されるようになっているので、ちょっとした練習問題としても使えるんじゃないかなと思います。
スマホでもできるので(たぶん)、休憩時間やちょっと時間があいたときなど、スキマ時間にポチポチやってみるのもいいかもです。
スポンサーリンク
最少電線本数(心線数)の4択クイズ
問題1
次の単線図(配線図)の複線図を書いたところ、下の図のような複線図になった。


このとき、単線図(配線図)の①で示す部分の電線本数(心線数)は?
正解!
はずれ!
解説
正解は、3です。
単線図と複線図を照らし合わせてみると分かるように、単線図の①で示す部分の電線本数(心線数)は、3本になります。

問題2
次の単線図(配線図)の複線図を書いたところ、下の図のような複線図になった。


このとき、単線図(配線図)の①で示す部分の電線本数(心線数)は?
正解!
はずれ!
解説
正解は、4です。
単線図と複線図を照らし合わせてみると分かるように、単線図の①で示す部分の電線本数(心線数)は、4本になります。

問題3
次の単線図(配線図)の複線図を書いたところ、下の図のような複線図になった。


このとき、単線図(配線図)の①で示す部分の電線本数(心線数)は?
正解!
はずれ!
解説
正解は、2です。
単線図と複線図を照らし合わせてみると分かるように、単線図の①で示す部分の電線本数(心線数)は、2本になります。

ちなみに、この問題3は、複線図を書かずに単線図を見ただけでも単線図の①で示す部分の電線本数(心線数)が分かります。
単線図を見てみると、
- 「ウ」のスイッチでON/OFFする「ウ」の器具は、単線図の①よりも上側にしかない(「ウ」の回路は単線図の①よりも下側には関係しない)
- 単線図の①よりも上側にある壁付蛍光灯は、壁付蛍光灯に付いているプルスイッチでON/OFFされる(壁付蛍光灯の回路は、単線図の①よりも下側には関係しない)
となっているので、「単線図の①よりも上側の回路」と「単線図の①よりも下側の回路」は、それぞれ独立させて(切り離して)考えることができます。(それぞれ独立といっても、電源のやり取りだけはあります。)
なので、「単線図の①よりも上側の回路」と「単線図の①よりも下側の回路」をつないでいる配線(単線図の①で示す部分の配線)は、電源のやり取りをするだけの配線(電源からのLとNの2本だけ)になります。
以上のようなことが単線図を見ただけで分かるので、複線図を書かなくても単線図の①で示す部分の電線本数が分かるんです。

複線図で見てみると、次のようになります。

スポンサーリンク
スポンサーリンク
問題4
次の単線図(配線図)の①で示す部分の最少電線本数(心線数)は?

正解!
はずれ!
解説
正解は、3です。
この問題4の単線図は、2つの「ア」の3路スイッチで3つの「ア」の蛍光灯をON/OFFする単線図で、単線図の①で示す部分の先には3路スイッチが1つあります。

3路スイッチには「0」「1」「3」の端子があり、この問題4のような3路スイッチを2つ使う回路では、3路スイッチの端子「0」には電源の非接地側(L)からの電線(または負荷への電線)がつながり、端子「1」と「3」にはもう一つの3路スイッチにつながる電線がつながります。

なので、単線図の①で示す部分の最少電線本数(心線数)は、3本になります。
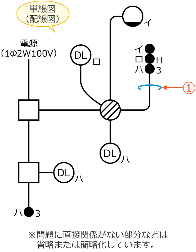
問題5
次の単線図(配線図)の①で示す部分の最少電線本数(心線数)は?
ただし、電源からの接地側電線は、スイッチを経由しないで照明器具に配線する。

正解!
はずれ!
解説
正解は、5です。
この問題5の単線図は、「イ」の単極スイッチで「イ」の壁付照明器具を、「ロ」の位置表示灯内蔵スイッチで「ロ」のダウンライトを、2つの「ハ」の3路スイッチで2つの「ハ」のダウンライトをON/OFFする単線図で、単線図の①で示す部分の先には、単極スイッチが1つ、位置表示灯内蔵スイッチが1つ、3路スイッチが1つあります。

なので、これらのスイッチに必要な電線本数を考えると次のようになり、単線図の①で示す部分の最少電線本数(心線数)は、5本になります。

問題6
次の単線図(配線図)の①で示す部分の最少電線本数(心線数)は?

分電盤結線図のⓑは平面図のⓑにつながります。
正解!
はずれ!
解説
正解は、3です。
この問題6の単線図は、分電盤から単相200V用15A接地極付コンセントに電源を供給する単線図で、単線図の①で示す部分の先には単相200V用15A接地極付コンセントがあります。

単相200V用15A接地極付コンセント部分の複線図を書くと次の図のようになるので、単線図の①で示す部分の最少電線本数(心線数)は、電源線2本と接地線1本で合計3本になります。

スポンサーリンク
スポンサーリンク
第二種電気工事士学科試験で出題された配線図の複線図の書き方は、こちらの第二種電気工事士学科試験で出題された配線図と複線図の一覧表のページを参考にしてみてください。
3路スイッチについてもうちょっと詳しく知りたい方は、こちらの3路スイッチと4路スイッチのページを参考にしてみてください。
第二種電気工事士学科試験の4択クイズのまとめページ(一覧)はこちら
⇒ 第二種電気工事士学科試験の4択クイズ
2025年度の学科試験対策におすすめです!
このページの問題は、(一財)電気技術者試験センターが作成した第二種電気工事士学科試験の試験問題を改変して作成しています。
スポンサーリンク
第二種電気工事士学科試験の4択クイズ 最少電線本数(心線数) 関連ページ
- 4択クイズ 鑑別 スイッチ
- 第二種電気工事士学科試験の鑑別問題で出題されている内容について4択クイズ(一問一答)にしてみました。スマホでもできるので(たぶん)、ちょっとしたスキマ時間などにポチポチやってみるのもいいかもです。このページは「スイッチ」についての4択クイズです。
- 4択クイズ 鑑別 コンセント
- 第二種電気工事士学科試験の鑑別問題で出題されている内容について4択クイズ(一問一答)にしてみました。スマホでもできるので(たぶん)、ちょっとしたスキマ時間などにポチポチやってみるのもいいかもです。このページは「コンセント」についての4択クイズです。
- 4択クイズ 鑑別 遮断器と開閉器
- 第二種電気工事士学科試験の鑑別問題で出題されている内容について4択クイズ(一問一答)にしてみました。スマホでもできるので(たぶん)、ちょっとしたスキマ時間などにポチポチやってみるのもいいかもです。このページは「遮断器と開閉器」についての4択クイズです。
- 4択クイズ 鑑別 照明器具
- 第二種電気工事士学科試験の鑑別問題で出題されている内容について4択クイズ(一問一答)にしてみました。スマホでもできるので(たぶん)、ちょっとしたスキマ時間などにポチポチやってみるのもいいかもです。このページは「照明器具」についての4択クイズです。
- 4択クイズ 鑑別 電線管工事で使う材料
- 第二種電気工事士学科試験の鑑別問題で出題されている内容について4択クイズ(一問一答)にしてみました。スマホでもできるので(たぶん)、ちょっとしたスキマ時間などにポチポチやってみるのもいいかもです。このページは「電線管工事で使う材料」についての4択クイズです。
- 4択クイズ 鑑別 電線・ケーブルと電線を接続する材料
- 第二種電気工事士学科試験の鑑別問題で出題されている内容について4択クイズ(一問一答)にしてみました。スマホでもできるので(たぶん)、ちょっとしたスキマ時間などにポチポチやってみるのもいいかもです。このページは「電線・ケーブルと電線を接続する材料」についての4択クイズです。
- 4択クイズ 鑑別 その他の機器・器具・材料
- 第二種電気工事士学科試験の鑑別問題で出題されている内容について4択クイズ(一問一答)にしてみました。スマホでもできるので(たぶん)、ちょっとしたスキマ時間などにポチポチやってみるのもいいかもです。このページは「その他の機器・器具・材料」についての4択クイズです。
- 4択クイズ 鑑別 電気工事で使う工具
- 第二種電気工事士学科試験の鑑別問題で出題されている内容について4択クイズ(一問一答)にしてみました。スマホでもできるので(たぶん)、ちょっとしたスキマ時間などにポチポチやってみるのもいいかもです。このページは「電気工事で使う工具」についての4択クイズです。
- 4択クイズ 鑑別 測定器
- 第二種電気工事士学科試験の鑑別問題で出題されている内容について4択クイズ(一問一答)にしてみました。スマホでもできるので(たぶん)、ちょっとしたスキマ時間などにポチポチやってみるのもいいかもです。このページは「測定器」についての4択クイズです。
- 4択クイズ 接地工事
- 第二種電気工事士学科試験で出題されている「接地工事」について4択クイズ(一問一答)にしてみました。スマホでもできるので(たぶん)、ちょっとしたスキマ時間などにポチポチやってみるのもいいかもです。
- 4択クイズ ケーブル工事
- 第二種電気工事士学科試験で出題されている「ケーブル工事」について4択クイズ(一問一答)にしてみました。スマホでもできるので(たぶん)、ちょっとしたスキマ時間などにポチポチやってみるのもいいかもです。
- 4択クイズ 地中埋設工事
- 第二種電気工事士学科試験で出題されている「地中埋設工事」について4択クイズ(一問一答)にしてみました。スマホでもできるので(たぶん)、ちょっとしたスキマ時間などにポチポチやってみるのもいいかもです。
- 4択クイズ 金属管工事
- 第二種電気工事士学科試験で出題されている「金属管工事」について4択クイズ(一問一答)にしてみました。スマホでもできるので(たぶん)、ちょっとしたスキマ時間などにポチポチやってみるのもいいかもです。
- 4択クイズ 金属可とう電線管工事
- 第二種電気工事士学科試験で出題されている「金属可とう電線管工事」について4択クイズ(一問一答)にしてみました。スマホでもできるので(たぶん)、ちょっとしたスキマ時間などにポチポチやってみるのもいいかもです。
- 4択クイズ 合成樹脂管工事
- 第二種電気工事士学科試験で出題されている「合成樹脂管工事」について4択クイズ(一問一答)にしてみました。スマホでもできるので(たぶん)、ちょっとしたスキマ時間などにポチポチやってみるのもいいかもです。
- 4択クイズ 金属線ぴ工事
- 第二種電気工事士学科試験で出題されている「金属線ぴ工事」について4択クイズ(一問一答)にしてみました。スマホでもできるので(たぶん)、ちょっとしたスキマ時間などにポチポチやってみるのもいいかもです。
- 4択クイズ 金属・フロア・ライティングダクト工事
- 第二種電気工事士学科試験で出題されている「金属ダクト工事、フロアダクト工事、ライティングダクト工事」について4択クイズ(一問一答)にしてみました。スマホでもできるので(たぶん)、ちょっとしたスキマ時間などにポチポチやってみるのもいいかもです。
- 4択クイズ ネオン放電灯工事
- 第二種電気工事士学科試験で出題されている「ネオン放電灯工事」について4択クイズ(一問一答)にしてみました。スマホでもできるので(たぶん)、ちょっとしたスキマ時間などにポチポチやってみるのもいいかもです。
- 4択クイズ ショウウィンドー・ショウケース内工事
- 第二種電気工事士学科試験で出題されている「ショウウィンドー・ショウケース内工事」について4択クイズ(一問一答)にしてみました。スマホでもできるので(たぶん)、ちょっとしたスキマ時間などにポチポチやってみるのもいいかもです。
- 4択クイズ 小勢力回路の工事
- 第二種電気工事士学科試験で出題されている「小勢力回路の工事」について4択クイズ(一問一答)にしてみました。スマホでもできるので(たぶん)、ちょっとしたスキマ時間などにポチポチやってみるのもいいかもです。
- 4択クイズ 低圧屋内配線工事と施工できる場所
- 第二種電気工事士学科試験で出題されている「低圧屋内配線工事と施工できる場所」について4択クイズ(一問一答)にしてみました。スマホでもできるので(たぶん)、ちょっとしたスキマ時間などにポチポチやってみるのもいいかもです。
- 4択クイズ 特殊な場所の工事と施工できる場所
- 第二種電気工事士学科試験で出題されている「特殊な場所の工事と施工できる場所」について4択クイズ(一問一答)にしてみました。スマホでもできるので(たぶん)、ちょっとしたスキマ時間などにポチポチやってみるのもいいかもです。
- 4択クイズ 三相誘導電動機のスターデルタ始動法
- 第二種電気工事士学科試験で出題されている「三相誘導電動機のスターデルタ始動法」について4択クイズ(一問一答)にしてみました。スマホでもできるので(たぶん)、ちょっとしたスキマ時間などにポチポチやってみるのもいいかもです。
- 4択クイズ 三相誘導電動機を逆回転させる方法
- 第二種電気工事士学科試験で出題されている「三相誘導電動機を逆回転させる方法」について4択クイズ(一問一答)にしてみました。スマホでもできるので(たぶん)、ちょっとしたスキマ時間などにポチポチやってみるのもいいかもです。
- 4択クイズ 三相誘導電動機の力率改善
- 第二種電気工事士学科試験で出題されている「三相誘導電動機の力率改善」について4択クイズ(一問一答)にしてみました。スマホでもできるので(たぶん)、ちょっとしたスキマ時間などにポチポチやってみるのもいいかもです。
- 4択クイズ 計器に表示されている記号
- 第二種電気工事士学科試験で出題されている「計器に表示されている記号」について4択クイズ(一問一答)にしてみました。スマホでもできるので(たぶん)、ちょっとしたスキマ時間などにポチポチやってみるのもいいかもです。
- 4択クイズ 電圧、電流、電力、力率の測定回路
- 第二種電気工事士学科試験で出題されている「電圧、電流、電力、力率の測定回路」について4択クイズ(一問一答)にしてみました。スマホでもできるので(たぶん)、ちょっとしたスキマ時間などにポチポチやってみるのもいいかもです。
- 4択クイズ クランプ形の電流計による電流の測定
- 第二種電気工事士学科試験で出題されている「クランプ形の電流計による電流の測定」について4択クイズ(一問一答)にしてみました。スマホでもできるので(たぶん)、ちょっとしたスキマ時間などにポチポチやってみるのもいいかもです。
- 4択クイズ 接地抵抗計と接地抵抗の測定方法
- 第二種電気工事士学科試験で出題されている「接地抵抗計と接地抵抗の測定方法」について4択クイズ(一問一答)にしてみました。スマホでもできるので(たぶん)、ちょっとしたスキマ時間などにポチポチやってみるのもいいかもです。
- 4択クイズ 絶縁抵抗計と絶縁抵抗の測定
- 第二種電気工事士学科試験で出題されている「絶縁抵抗計と絶縁抵抗の測定」について4択クイズ(一問一答)にしてみました。スマホでもできるので(たぶん)、ちょっとしたスキマ時間などにポチポチやってみるのもいいかもです。
- 4択クイズ 回路計(テスタ)
- 第二種電気工事士学科試験で出題されている「回路計(テスタ)」について4択クイズ(一問一答)にしてみました。スマホでもできるので(たぶん)、ちょっとしたスキマ時間などにポチポチやってみるのもいいかもです。
- 4択クイズ 検電器
- 第二種電気工事士学科試験で出題されている「検電器」について4択クイズ(一問一答)にしてみました。スマホでもできるので(たぶん)、ちょっとしたスキマ時間などにポチポチやってみるのもいいかもです。
- 4択クイズ 竣工検査
- 第二種電気工事士学科試験で出題されている「竣工検査」について4択クイズ(一問一答)にしてみました。スマホでもできるので(たぶん)、ちょっとしたスキマ時間などにポチポチやってみるのもいいかもです。
- 4択クイズ 電気設備技術基準・解釈
- 第二種電気工事士学科試験で出題されている「電気設備技術基準・解釈」について4択クイズ(一問一答)にしてみました。スマホでもできるので(たぶん)、ちょっとしたスキマ時間などにポチポチやってみるのもいいかもです。
- 4択クイズ 電気事業法
- 第二種電気工事士学科試験で出題されている「電気事業法」について4択クイズ(一問一答)にしてみました。スマホでもできるので(たぶん)、ちょっとしたスキマ時間などにポチポチやってみるのもいいかもです。
- 4択クイズ 電気工事士法
- 第二種電気工事士学科試験で出題されている「電気工事士法」について4択クイズ(一問一答)にしてみました。スマホでもできるので(たぶん)、ちょっとしたスキマ時間などにポチポチやってみるのもいいかもです。
- 4択クイズ 電気工事業法
- 第二種電気工事士学科試験で出題されている「電気工事業法(電気工事業の業務の適正化に関する法律)」について4択クイズ(一問一答)にしてみました。スマホでもできるので(たぶん)、ちょっとしたスキマ時間などにポチポチやってみるのもいいかもです。
- 4択クイズ 電気用品安全法
- 第二種電気工事士学科試験で出題されている「電気用品安全法」について4択クイズ(一問一答)にしてみました。スマホでもできるので(たぶん)、ちょっとしたスキマ時間などにポチポチやってみるのもいいかもです。
- 4択クイズ 電線の許容電流
- 第二種電気工事士学科試験で出題されている「電線の許容電流」について4択クイズ(一問一答)にしてみました。スマホでもできるので(たぶん)、ちょっとしたスキマ時間などにポチポチやってみるのもいいかもです。
- 4択クイズ 幹線の太さを決める根拠となる電流の最小値
- 第二種電気工事士学科試験で出題されている「幹線の太さを決める根拠となる電流の最小値」について4択クイズ(一問一答)にしてみました。スマホでもできるので(たぶん)、ちょっとしたスキマ時間などにポチポチやってみるのもいいかもです。
- 4択クイズ 分岐回路の開閉器および過電流遮断器の施設
- 第二種電気工事士学科試験で出題されている「分岐回路の開閉器および過電流遮断器の施設」について4択クイズ(一問一答)にしてみました。スマホでもできるので(たぶん)、ちょっとしたスキマ時間などにポチポチやってみるのもいいかもです。
- 4択クイズ 配線の図記号
- 第二種電気工事士学科試験で出題されている「配線の図記号」について4択クイズ(一問一答)にしてみました。スマホでもできるので(たぶん)、ちょっとしたスキマ時間などにポチポチやってみるのもいいかもです。
- 4択クイズ 絶縁電線・ケーブルの記号
- 第二種電気工事士学科試験で出題されている「絶縁電線・ケーブルの記号」について4択クイズ(一問一答)にしてみました。スマホでもできるので(たぶん)、ちょっとしたスキマ時間などにポチポチやってみるのもいいかもです。
- 4択クイズ 電線管・ダクトの記号
- 第二種電気工事士学科試験で出題されている「電線管・ダクトの記号」について4択クイズ(一問一答)にしてみました。スマホでもできるので(たぶん)、ちょっとしたスキマ時間などにポチポチやってみるのもいいかもです。
- 4択クイズ スイッチの図記号
- 第二種電気工事士学科試験で出題されている「スイッチの図記号」について4択クイズ(一問一答)にしてみました。スマホでもできるので(たぶん)、ちょっとしたスキマ時間などにポチポチやってみるのもいいかもです。
- 4択クイズ コンセントの図記号
- 第二種電気工事士学科試験で出題されている「コンセントの図記号」について4択クイズ(一問一答)にしてみました。スマホでもできるので(たぶん)、ちょっとしたスキマ時間などにポチポチやってみるのもいいかもです。
- 4択クイズ 遮断器と開閉器の図記号
- 第二種電気工事士学科試験で出題されている「遮断器と開閉器の図記号」について4択クイズ(一問一答)にしてみました。スマホでもできるので(たぶん)、ちょっとしたスキマ時間などにポチポチやってみるのもいいかもです。
- 4択クイズ 照明器具の図記号
- 第二種電気工事士学科試験で出題されている「照明器具の図記号」について4択クイズ(一問一答)にしてみました。スマホでもできるので(たぶん)、ちょっとしたスキマ時間などにポチポチやってみるのもいいかもです。
- 4択クイズ 電気機器・計器の図記号
- 第二種電気工事士学科試験で出題されている「電気機器・計器の図記号」について4択クイズ(一問一答)にしてみました。スマホでもできるので(たぶん)、ちょっとしたスキマ時間などにポチポチやってみるのもいいかもです。
- 4択クイズ ボックスなどその他の図記号
- 第二種電気工事士学科試験で出題されている「ボックスなどその他の図記号」について4択クイズ(一問一答)にしてみました。スマホでもできるので(たぶん)、ちょっとしたスキマ時間などにポチポチやってみるのもいいかもです。
- 4択クイズ コンセントの刃受の形状(極配置)
- 第二種電気工事士学科試験で出題されている「コンセントの刃受の形状(極配置)」について4択クイズ(一問一答)にしてみました。スマホでもできるので(たぶん)、ちょっとしたスキマ時間などにポチポチやってみるのもいいかもです。
- 4択クイズ 配線工事に必要なケーブル
- 第二種電気工事士学科試験で出題されている「配線工事に必要なケーブル」について4択クイズ(一問一答)にしてみました。スマホでもできるので(たぶん)、ちょっとしたスキマ時間などにポチポチやってみるのもいいかもです。
- 4択クイズ 差込形コネクタの種類と最少個数の組合せ
- 第二種電気工事士学科試験で出題されている「使用する差込形コネクタの種類と最少個数の組合せ」について4択クイズ(一問一答)にしてみました。スマホでもできるので(たぶん)、ちょっとしたスキマ時間などにポチポチやってみるのもいいかもです。
- 4択クイズ リングスリーブの種類と最少個数の組合せ
- 第二種電気工事士学科試験で出題されている「使用するリングスリーブの種類と最少個数の組合せ」について4択クイズ(一問一答)にしてみました。スマホでもできるので(たぶん)、ちょっとしたスキマ時間などにポチポチやってみるのもいいかもです。
- 4択クイズ リングスリーブの種類、個数、刻印の組合せ
- 第二種電気工事士学科試験で出題されている「使用するリングスリーブの種類、個数および刻印の組合せ」について4択クイズ(一問一答)にしてみました。スマホでもできるので(たぶん)、ちょっとしたスキマ時間などにポチポチやってみるのもいいかもです。

