スポンサーリンク
第二種電気工事士技能試験で過去に出題された単線図とその傾向
※ページ内にPR・広告が含まれる場合があります。
第二種電気工事士技能試験で作る課題は、電気技術者試験センターから例年1月に公表される全13問の候補問題(単線図)の中から出題されます。
今回はどの候補問題が出題されるのか?
技能試験を受験する方はすご〜く気になると思います。
私も気になってしまったので、過去に出題された単線図(配線図)について平成21年度から29年度まで調べてみました。
スポンサーリンク
| 出題された単線図(配線図) |
|---|
平成21年度(筆記試験(学科試験)免除者対象技能試験) |
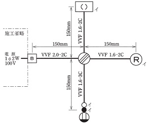
リモコンリレーがある単線図![]() |
平成21年度(7月25日実施技能試験) |
接地端子がある単線図![]() |
平成21年度(7月26日実施技能試験) |
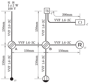
タイムスイッチがある単線図![]() |
平成22年度(筆記試験(学科試験)免除者対象技能試験) |
スイッチ3つで3種類の器具を入切する単線図![]() |
平成22年度(7月24日実施技能試験) |
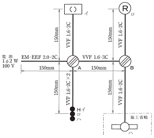
自動点滅器と防護管がある単線図![]() |
平成22年度(7月25日実施技能試験) |
3路スイッチと4路スイッチがある単線図![]() |
平成23年度(7月23日実施上期技能試験) |
同時点滅のパイロットランプがある単線図![]() |
平成23年度(7月24日実施上期技能試験) |
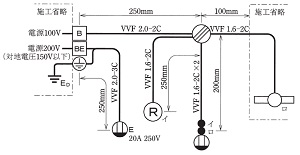
| 接地極付200V用コンセントがある単線図 (単相100V回路と単相200V回路がある単線図) ![]() |
平成23年度(下期技能試験) |
接地端子がある単線図![]() |
平成24年度(7月28日実施上期技能試験) |
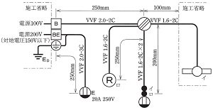
| 接地極付200V用コンセントがある単線図 (単相100V回路と単相200V回路がある単線図) ![]() |
平成24年度(7月29日実施上期技能試験) |
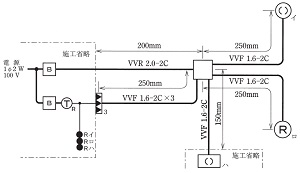
リモコンリレーがある単線図![]() |
平成24年度(下期技能試験) |
常時点灯のパイロットランプがある単線図![]() |
平成25年度(7月27日実施上期技能試験) |
3路スイッチと4路スイッチがある単線図![]() |
平成25年度(7月28日実施上期技能試験) |
ねじなし電線管がある単線図![]() |
平成25年度(下期技能試験) |
PF管がある単線図![]() |
平成26年度(7月26日実施上期技能試験) |
位置表示灯内蔵スイッチがある単線図![]() |
平成26年度(7月27日実施上期技能試験) |
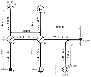
| 電源表示灯がある単線図 (単相100V回路と三相200V回路がある単線図) ![]() |
平成26年度(下期技能試験) |
3路スイッチと露出形コンセントがある単線図![]() |
平成27年度(7月25日実施上期技能試験) |
自動点滅器と防護管がある単線図![]() |
平成27年度(7月26日実施上期技能試験) |
| 電源表示灯がある単線図 (単相100V回路と三相200V回路がある単線図) ![]() |
平成27年度(下期技能試験) |
ねじなし電線管がある単線図![]() |
平成28年度(7月23日、7月24日実施上期技能試験(候補No.1)) |
位置表示灯内蔵スイッチがある単線図![]() |
平成28年度(7月23日、7月24日実施上期技能試験(候補No.8)) |
リモコンリレーがある単線図![]() |
平成28年度(12月3日実施下期技能試験(候補No.2)) |
常時点灯のパイロットランプがある単線図![]() |
平成28年度(12月3日実施下期技能試験(候補No.3)) |
タイムスイッチがある単線図![]() |
平成28年度(12月3日実施下期技能試験(候補No.6)) |
3路スイッチと露出形コンセントがある単線図![]() |
平成28年度(12月3日実施下期技能試験(候補No.10)) |
同時点滅のパイロットランプがある単線図![]() |
平成29年度(7月22日実施上期技能試験(候補No.2)) |
常時点灯のパイロットランプがある単線図![]() |
平成29年度(7月22日実施上期技能試験(候補No.3)) |
タイムスイッチがある単線図![]() |
平成29年度(7月22日実施上期技能試験(候補No.8)) |
リモコンリレーがある単線図![]() |
平成29年度(7月22日実施上期技能試験(候補No.11)) |
ねじなし電線管がある単線図![]() |
平成29年度(7月23日実施上期技能試験(候補No.1)) |
位置表示灯内蔵スイッチがある単線図![]() |
平成29年度(7月23日実施上期技能試験(候補No.3)) |
タイムスイッチがある単線図![]() |
平成29年度(7月23日実施上期技能試験(候補No.4)) |
| 電源表示灯がある単線図 (単相100V回路と三相200V回路がある単線図) ![]() |
平成29年度(7月23日実施上期技能試験(候補No.13)) |
自動点滅器がある単線図![]() |
平成29年度(12月2日実施下期技能試験(候補No.3)) |
タイムスイッチがある単線図![]() |
平成29年度(12月2日実施下期技能試験(候補No.4)) |
| 電源表示灯がある単線図 (単相100V回路と三相200V回路がある単線図) ![]() |
平成29年度(12月2日実施下期技能試験(候補No.7)) |
3路スイッチと4路スイッチがある単線図![]() |
平成29年度(12月2日実施下期技能試験(候補No.10)) |
同時点滅のパイロットランプがある単線図![]() |
平成29年度(12月2日実施下期技能試験(候補No.12)) |
PF管がある単線図![]() |
平成29年度(12月2日実施下期技能試験(候補No.13)) |
自動点滅器がある単線図![]() |
スポンサーリンク
スポンサーリンク
この過去9年分(16期分)から出題傾向がつかめないか考えてみたのですが、一見すると、リモコンリレーやタイムスイッチ、自動点滅器などの他とはちょっと毛色が違う回路が出題されやすいようにも見えるのですが、よ〜く見てみるとそうでもありません。
バランスよくバラバラに出題されているのかといえば、それもそうではなく、接地極付200V用コンセントがある単線図(単相100V回路と単相200V回路がある単線図)は平成23年度と24年度で連続で出題されていたりもします。
また、電源表示灯がある単線図(単相100V回路と三相200V回路がある単線図)は、平成26年度と平成27年度で連続で出題されています。
それから、ここには掲載していませんが、平成20年度には7月26日と次の日の27日で同じ問題が出題されています。
つまり結論としては、毎回、何がでるか分からない!という残念(?)な結果になってしまいました。
したがって、どの候補問題が出題されてもいいようにすべての候補問題(13問)の練習をしておかなければならないということになりますが、技能試験は頭を使うというよりも体でおぼえる試験(つまり、慣れ)ですので、何度も練習を繰り返していれば自然におぼえられます。
本番までにできる限り数をこなして確実に合格できるように頑張りましょう!
単線図の種類ごとに出題回数を調べてみた
せっかくなので、単線図の種類ごとに出題回数を数えてみましたので参考にしてみてください。数えたのは平成21年度から平成29年度までで、出題回数は延べ数です。
| 単線図の種類 | 出題回数 |
|---|---|
| リモコンリレーがある単線図 | 4 |
| タイムスイッチがある単線図 | 5 |
| 自動点滅器がある単線図 | 4 |
| 接地極付200V用コンセントがある単線図(単相100V回路と単相200V回路がある単線図) | 2 |
| 電源表示灯がある単線図(単相100V回路と三相200V回路がある単線図) | 4 |
| 3路スイッチと4路スイッチがある単線図 | 3 |
| 3路スイッチと露出形コンセントがある単線図 | 2 |
| 同時点滅のパイロットランプがある単線図 | 3 |
| 常時点灯のパイロットランプがある単線図 | 3 |
| 位置表示灯内蔵スイッチがある単線図 | 3 |
| 接地端子がある単線図 | 2 |
| ねじなし電線管がある単線図 | 3 |
| PF管がある単線図 | 2 |
| スイッチ3つで3種類の器具を入切する単線図 | 1 |
リモコンリレー、タイムスイッチ、自動点滅器、電源表示灯などの端子台を使う課題が出題されやすいの??
出題回数を数えてみたんですが…。あまり参考になりませんでした!
平成28年度以降の技能試験の出題について
平成27年度までの技能試験では試験日が同じ場合は全国一律で同じ問題が出題されていましたが、平成28年度以降の技能試験では、試験日が同じでも試験地域により異なる問題が出題されています。
例えば平成28年度の技能試験では、上期技能試験の初日には試験地域により候補No.1または候補No.8が出題され、翌日も試験地域により候補No.1または候補No.8が出題されました。
また、下期技能試験では、試験地域により候補No.2、候補No.3、候補No.6、候補No.10のいずれかが出題されました。
令和元年度、令和2年度、令和3年度、令和4年度の技能試験の出題について
令和元年度、令和2年度、令和3年度、令和4年度の技能試験では、上期試験、下期試験ともに、13問すべての候補問題が出題されました。(どの問題が出題されたかは、試験地などによります。)
なので今後は、過去にどれが出題されたか?とか、今年はこれが出題されそうだ!とか考えるのは意味がなさそうです。
ということで、令和5年度の技能試験も同じように13問すべて出題されるかどうかは分かりませんが、どれが出てもいいように準備だけはしっかりしておきましょう!
スポンサーリンク
スポンサーリンク
第二種電気工事士全般については第二種電気工事士(総合)、学科試験対策については第二種電気工事士(学科試験対策)、技能試験対策については第二種電気工事士(技能試験対策)の各ページを参考にしてみてください。
このページに掲載の単線図は、(一財)電気技術者試験センターが作成した第二種電気工事士技能試験の試験問題から抜粋した単線図です。
第二種電気工事士(技能試験対策)のTOP ←BACK
NEXT→ 第二種電気工事士技能試験の欠陥と欠陥の判断基準
スポンサーリンク
第二種電気工事士技能試験で過去に出題された単線図と傾向 関連ページ
- 欠陥と欠陥の判断基準
- 第二種電気工事士技能試験の合否は、作品の欠陥の有無の判定結果に基づき、試験委員会で決定されます。欠陥のない作品が合格となりますので、技能試験では欠陥はなんとしても避けなければなりません。このページでは、第二種電気工事士技能試験の欠陥と欠陥の判断基準についてまとめていますので、技能試験の勉強に活用してみてください。
- 施工寸法50%で作ってみた
- 第二種電気工事士技能試験の課題を施工寸法50%(半分のサイズ)で作ってみました。
- 単線図とは?
- 第二種電気工事士の技能試験の試験対策として、まず初めに「単線図」を読めなければなりません。このページでは、単線図とはどういうものなのか解説しています。
- 単線図で使われる図記号
- 第二種電気工事士の技能試験の試験対策では、まず初めに「単線図」を読めなければなりません。このページでは単線図に使われている図記号について解説していますので、技能試験の勉強に活用してみてください。
- 令和6年度 候補問題の単線図の解説
- 令和6年度(2024年度)第二種電気工事士技能試験の候補問題の単線図(配線図)について解説していますので、第二種電気工事士技能試験の単線図の勉強に活用してみてください。
- 令和5年度 候補問題の単線図の解説
- 令和5年度(2023年度)第二種電気工事士技能試験の候補問題の単線図(配線図)について解説していますので、第二種電気工事士技能試験の単線図の勉強に活用してみてください。
- 令和4年度 候補問題の単線図の解説
- 令和4年度(2022年度)第二種電気工事士技能試験の候補問題の単線図(配線図)について解説していますので、第二種電気工事士技能試験の単線図の勉強に活用してみてください。
- 令和3年度 候補問題の単線図の解説
- 令和3年度(2021年度)第二種電気工事士技能試験の候補問題の単線図(配線図)について解説していますので、第二種電気工事士技能試験の単線図の勉強に活用してみてください。
- 令和2年度 候補問題の単線図の解説
- 令和2年度(2020年度)第二種電気工事士技能試験の候補問題の単線図(配線図)について解説しています。第二種電気工事士技能試験の単線図の勉強に活用してみてください。
- 令和元年度 候補問題の単線図の解説
- 2019年度(令和元年度)第二種電気工事士技能試験の候補問題の単線図(配線図)について解説しています。第二種電気工事士技能試験の単線図の勉強に活用してみてください。
- 平成30年度 候補問題の単線図の解説
- 平成30年度(2018年度)第二種電気工事士技能試験の候補問題の単線図(配線図)について解説しています。第二種電気工事士技能試験の単線図の勉強に活用してみてください。
- 平成29年度 候補問題の単線図の解説
- 平成29年度(2017年度)第二種電気工事士技能試験の候補問題の単線図について解説しています。
- 平成28年度 候補問題の単線図の解説
- 平成28年度(2016年度)第二種電気工事士技能試験の候補問題の単線図について解説しています。
- 平成27年度 候補問題の単線図の解説
- 平成27年度(2015年度)第二種電気工事士技能試験の候補問題の単線図について解説しています。
- 平成26年度 候補問題の単線図の解説
- 平成26年度(2014年度)第二種電気工事士技能試験の候補問題の単線図について解説しています。
- 平成25年度 候補問題の単線図の解説
- 平成25年度(2013年度)の単線図について各候補問題ごとに解説しています。電気技術者試験センターから毎年出題される候補問題(単線図)は全部で13問あり、技能試験の対策をするためにはこれら13問すべての単線図を理解しなければなりません。
- 複線図の基本的な書き方
- 第二種電気工事士技能試験の候補問題の複線図の基本的な書き方について解説しています。複線図を書くためには基本的な手順があって、その手順を守って書けば誰でも簡単に複線図を書くことができます。複線図を正確に書くコツは「書く順番を守ること」ですので、まずは書く順番をおぼえましょう。
- 令和7年度 候補問題の複線図の書き方
- 令和7年度(2025年度)第二種電気工事士技能試験の候補問題の複線図の書き方について解説しています。候補問題のNo.毎に複線図の書き方を一つ一つ順を追って解説していますので、複線図の書き方の参考にしてみてください。
- 令和6年度 候補問題の複線図の書き方
- 令和6年度(2024年度)第二種電気工事士技能試験の候補問題の複線図の書き方について解説しています。候補問題のNo.毎に複線図の書き方を一つ一つ順を追って解説していますので、複線図の書き方の参考にしてみてください。
- 令和5年度 候補問題の複線図の書き方
- 令和5年度(2023年度)第二種電気工事士技能試験の候補問題の複線図の書き方について解説しています。候補問題のNo.毎に複線図の書き方を一つ一つ順を追って解説していますので、複線図の書き方の参考にしてみてください。
- 令和4年度 候補問題の複線図の書き方
- 令和4年度(2022年度)第二種電気工事士技能試験の候補問題の複線図の書き方について解説しています。候補問題のNo.毎に複線図の書き方を一つ一つ順を追って解説していますので、複線図の書き方の参考にしてみてください。
- 令和3年度 候補問題の複線図の書き方
- 令和3年度(2021年度)第二種電気工事士技能試験の候補問題の複線図の書き方について解説しています。候補問題のNo.毎に複線図の書き方を一つ一つ順を追って解説していますので、複線図の書き方の参考にしてみてください。
- 令和2年度 候補問題の複線図の書き方
- 令和2年度(2020年度)第二種電気工事士技能試験の候補問題の複線図の書き方について解説しています。候補問題のNo.毎に複線図の書き方を一つ一つ順を追って解説していますので、複線図の書き方の参考にしてみてください。
- 令和元年度 候補問題の複線図の書き方
- 2019年度(令和元年度)第二種電気工事士技能試験の候補問題の複線図の書き方について解説しています。候補問題のNo.毎に複線図の書き方を一つ一つ順を追って解説していますので、複線図の書き方の参考にしてみてください。
- 平成30年度 候補問題の複線図の書き方
- 平成30年度(2018年度)第二種電気工事士技能試験の候補問題の複線図の書き方について解説しています。候補問題のNo.毎に複線図の書き方を一つ一つ順を追って解説していますので、複線図の書き方の参考にしてみてください。
- 平成29年度 候補問題の複線図の書き方
- 平成29年度(2017年度)第二種電気工事士技能試験の候補問題の複線図の書き方について解説しています。候補問題のNo.毎に複線図の書き方を一つ一つ順を追って解説していますので、複線図の書き方の参考にしてみてください。
- 平成28年度 候補問題の複線図の書き方
- 平成28年度(2016年度)第二種電気工事士技能試験の候補問題の複線図の書き方について解説しています。候補問題のNo.毎に複線図の書き方を一つ一つ順を追って解説していますので、複線図の書き方の参考にしてみてください。
- 平成27年度 候補問題の複線図の書き方
- 平成27年度(2015年度)第二種電気工事士技能試験の候補問題の複線図の書き方について解説しています。候補問題のNo.毎に複線図の書き方を順を追って解説していますので、複線図の書き方の参考にしてみてください。
- 平成26年度 候補問題の複線図の書き方
- 平成26年度(2014年度)第二種電気工事士技能試験の候補問題の複線図の書き方について解説しています。候補問題のNo.毎に複線図の書き方を順を追って解説していますので、複線図の書き方の参考にしてみてください。
- 平成25年度 候補問題の複線図の書き方
- 平成25年度(2013年度)第二種電気工事士技能試験の候補問題の複線図の書き方について解説しています。技能試験の練習は、電気技術者試験センターから毎年公表される全13問の単線図(候補問題)を複線図にすることから始まります。候補問題毎に複線図の書き方を順を追って解説していますので書き方の参考にしてみてください。
- 第二種電気工事士技能試験の施工条件
- 第二種電気工事士技能試験の施工条件について解説しています。技能試験の本番で試験問題に書かれている施工条件の意味が分からないと、間違ったモノを作ってしまったりします。間違ったモノを作ると不合格になりますので、施工条件に書かれている内容を理解できるようにしておきましょう。
- 技能試験で使われる器具・回路
- 第二種電気工事士技能試験で使う器具や回路などのポイントをまとめています。技能試験では、3路スイッチや4路スイッチなどのスイッチ類、確認表示灯(パイロットランプ)などのランプ類などの器具を使用し、色々な回路を施工します。ここでは技能試験にでてくる器具や回路について勉強しましょう。










































