スポンサーリンク
平成26年度 第二種電気工事士候補問題の単線図と複線図の一覧表
※ページ内にPR・広告が含まれる場合があります。
このページに掲載している候補問題の単線図(配線図)と複線図の一覧表は、平成26年度(2014年度)の候補問題の単線図と複線図の一覧表です。令和6年度(2024年度)の候補問題の単線図と複線図の一覧表は、こちらの令和6年度 第二種電気工事士技能試験 候補問題の単線図と複線図の一覧表のページを参考にしてみてください。
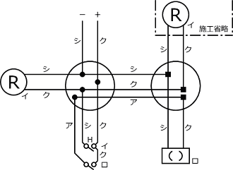
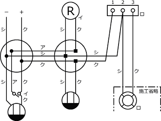
平成26年度(2014年度)の第二種電気工事士技能試験の候補問題(No.1〜13)の単線図と複線図の一覧表です。候補問題の複線図の書き方の勉強に活用してみてください。
平成26年度 候補問題の単線図 |
平成26年度 候補問題の複線図 |
|---|---|
|
|
|
|
|
|
|
|
|
|
|
|
|
|
|
|
|
|
|
|
|
|
|
|
|
|
|
|
|
|
|
|
|
|
|
|
|
|
|
スポンサーリンク
スポンサーリンク
このページに掲載の単線図は、(一財)電気技術者試験センターから公表された第二種電気工事士技能試験の候補問題の単線図です。
第二種電気工事士候補問題の複線図の書き方 平成26年度No.13 ←BACK
NEXT→ 第二種電気工事士(技能試験対策)のTOP
スポンサーリンク
平成26年度 第二種電気工事士候補問題の単線図と複線図の一覧表 関連ページ
- 第二種電気工事士候補問題の複線図の書き方 平成26年度No.1
- 平成26年度(2014年度)第二種電気工事士技能試験の候補問題No.1の複線図の書き方について解説しています。複線図を書く手順と書き方について解説していますので、複線図の書き方の勉強の参考にしてみてください。候補問題No.1は3路スイッチを使用した回路でメタルラス壁がある候補問題です。
- 第二種電気工事士候補問題の複線図の書き方 平成26年度No.2
- 平成26年度(2014年度)第二種電気工事士技能試験の候補問題No.2の複線図の書き方について解説しています。複線図を書く手順と書き方について解説していますので、複線図の書き方の勉強の参考にしてみてください。候補問題No.2は接地極付接地端子付コンセント(EET)を使用した候補問題です。
- 第二種電気工事士候補問題の複線図の書き方 平成26年度No.3
- 平成26年度(2014年度)第二種電気工事士技能試験の候補問題No.3の複線図の書き方について解説しています。複線図を書く手順と書き方について解説していますので、複線図の書き方の勉強の参考にしてみてください。候補問題No.3は配線用遮断器と同時点滅の確認表示灯がある候補問題です。
- 第二種電気工事士候補問題の複線図の書き方 平成26年度No.4
- 平成26年度(2014年度)第二種電気工事士技能試験の候補問題No.4の複線図の書き方について解説しています。複線図を書く手順と書き方について解説していますので、複線図の書き方の勉強の参考にしてみてください。候補問題No.4は位置表示灯内蔵スイッチを使用した候補問題です。
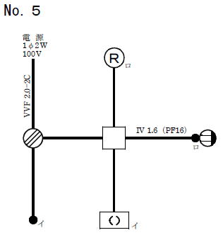
- 第二種電気工事士候補問題の複線図の書き方 平成26年度No.5
- 平成26年度(2014年度)第二種電気工事士技能試験の候補問題No.5の複線図の書き方について解説しています。複線図を書く手順と書き方について解説していますので、複線図の書き方の勉強の参考にしてみてください。候補問題No.5はPF管(合成樹脂製可とう電線管)を使用した候補問題です。
- 第二種電気工事士候補問題の複線図の書き方 平成26年度No.6
- 平成26年度(2014年度)第二種電気工事士技能試験の候補問題No.6の複線図の書き方について解説しています。複線図を書く手順と書き方について解説していますので、複線図の書き方の勉強の参考にしてみてください。候補問題No.6は100Vと200Vの2つの電源がある回路です。
- 第二種電気工事士候補問題の複線図の書き方 平成26年度No.7
- 平成26年度(2014年度)第二種電気工事士技能試験の候補問題No.7の複線図の書き方について解説しています。複線図を書く手順と書き方について解説していますので、複線図の書き方の勉強の参考にしてみてください。候補問題No.7は常時点灯の確認表示灯がある候補問題になります。
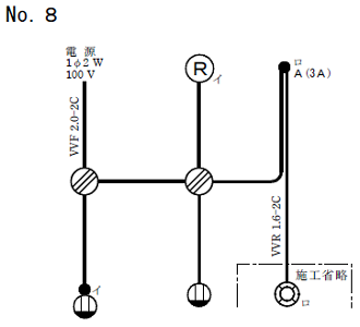
- 第二種電気工事士候補問題の複線図の書き方 平成26年度No.8
- 平成26年度(2014年度)第二種電気工事士技能試験の候補問題No.8の複線図の書き方について解説しています。複線図を書く手順と書き方について解説していますので、複線図の書き方の勉強の参考にしてみてください。候補問題No.8は自動点滅器を使用した候補問題です。
- 第二種電気工事士候補問題の複線図の書き方 平成26年度No.9
- 平成26年度(2014年度)第二種電気工事士技能試験の候補問題No.9の複線図の書き方について解説しています。複線図を書く手順と書き方について解説していますので、複線図の書き方の勉強の参考にしてみてください。候補問題No.9は3個のスイッチで3個の機器をON/OFFする回路の候補問題です。
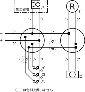
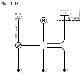
- 第二種電気工事士候補問題の複線図の書き方 平成26年度No.10
- 平成26年度(2014年度)第二種電気工事士技能試験の候補問題No.10の複線図の書き方について解説しています。複線図を書く手順と書き方について解説していますので、複線図の書き方の勉強の参考にしてみてください。候補問題No.10は三路スイッチと四路スイッチを使用した候補問題です。
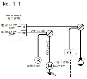
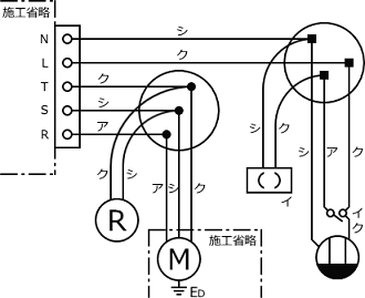
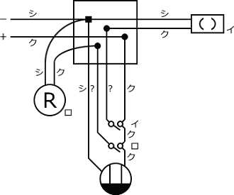
- 第二種電気工事士候補問題の複線図の書き方 平成26年度No.11
- 平成26年度(2014年度)第二種電気工事士技能試験の候補問題No.11の複線図の書き方について解説しています。複線図を書く手順と書き方について解説していますので、複線図の書き方の勉強の参考にしてみてください。候補問題No.11は100Vと200Vの2つの電源、電源表示灯、電動機がある候補問題です。
- 第二種電気工事士候補問題の複線図の書き方 平成26年度No.12
- 平成26年度(2014年度)第二種電気工事士技能試験の候補問題No.12の複線図の書き方について解説しています。複線図を書く手順と書き方について解説していますので、複線図の書き方の勉強の参考にしてみてください。候補問題No.12はねじなし電線管を使用した候補問題です。
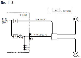
- 第二種電気工事士候補問題の複線図の書き方 平成26年度No.13
- 平成26年度(2014年度)第二種電気工事士技能試験の候補問題No.13の複線図の書き方について解説しています。複線図を書く手順と書き方について解説していますので、複線図の書き方の勉強の参考にしてみてください。候補問題No.13はリモコンリレーの候補問題です。



























