スポンサーリンク
第二種電気工事士候補問題の複線図の書き方 平成26年度No.11
※ページ内にPR・広告が含まれる場合があります。
このページに掲載している候補問題の複線図の書き方は、平成26年度(2014年度)の候補問題の複線図の書き方です。令和6年度(2024年度)の候補問題の複線図の書き方は、こちらの令和6年度 第二種電気工事士技能試験の候補問題の複線図の書き方のページを参考にしてみてください。
平成26年度(2014年度)第二種電気工事士技能試験候補問題No.11の複線図の書き方の解説ページです。
技能試験の施工の練習(実際に製作する練習)をするときには、電気技術者試験センターから公表される全13問の候補問題の単線図を自分で複線図に直し、その自分で直した複線図を見ながら施工していきます。
したがって、各候補問題の単線図を複線図に直せないと施工することすらできない(技能試験の勉強を進めることができない)ことになりますので、技能試験の勉強をスタートしたら、まず初めに複線図の書き方をマスターしなければなりません。(ちなみに、全13問の候補問題は上期試験、下期試験共通です。)
複線図の書き方は初めはよく分からないかもしれませんが、複線図を書くためには書くための手順があって、この手順を守って書いていけばだんだん慣れてきて簡単にスイスイ書けるようになります。
スポンサーリンク
複線図を書くときの基本的な手順はだいたいどの候補問題も同じで次のようになります。
複線図を書く基本的な手順
@単線図に書かれている電源、器具などを同じ配置で書きます。
A電源のマイナスをスイッチ以外の器具につなげます。
B電源のプラスをスイッチとコンセントにつなげます。
Cスイッチからそのスイッチに対応する器具につなげます。
D電線を接続するところ(ジョイントボックスとアウトレットボックス)を○または□で囲みます。
(ジョイントボックスは○、アウトレットボックスは□)
Eスリーブで接続するところには●、コネクタで接続するところには■を書きます。
F電源のマイナスがつながっている線に「シ」(白色の電線の意味)を書きます。
G電源のプラスにつながっている線に「ク」(黒色の電線の意味)を書きます。
H電線の色が書かれていないところに電線の色を書きます。
複線図を書く基本的な手順は以上のようになり、この順番で書いていくと候補問題の複線図が完成します。
「う〜ん、めんどくさそうだな〜。」 とか、「難しそうだなぁ〜。」
と思うかもしれませんが、書き慣れてくるとそんなに大変でもなくなるので、まずは何度も書く練習をして慣れるようにしましょう!
それから、複線図を効率良くおぼえるコツは、
・書く順番を守る!
・練習する度に書き方や書く順番を変えない!
(ただし候補問題によってはちょっと変えた方が良い場合もある)
ことで、この2つが大きなポイントになります。
技能試験を受験する方に複線図の書き方を教えて複線図を書いているのを見ていると、毎回書く順番が違っていたり、書き方が書く度に違っていたりする方もいたりします。
初めのうちは仕方がないことですが、複線図を書く度に書く順番や書き方が違ってしまうと、間違いの元になったり、間違いに気付かなかったりしてしまいますので、
書く順番と書き方は毎回同じにする
ということを意識しながら複線図を書くようにしましょう!
また、複線図を書くときに「三色ボールペンを使用する派」と「シャープペン(黒色のみ)を使用する派」に分かれますが、当サイトでは、
・三色ボールペンは間違ったときに消せない(フリクションボールペンなら消せますが・・・)
・三色ボールペンで書き方をおぼえてしまうと電気工事士になったときに現場で三色ボールペンが必要
・現場の電気工事士が三色ボールペンで複線図を書いているのを(私は)見たことがない
という理由から、シャープペン(黒色のみ)で書く方法で解説(推奨)しています。
複線図の基本的な書き方のページでは、簡単な単線図を例にして複線図の基本的な書き方について解説していますので、複線図の勉強をこれから始める方は参考にしてみてもいいと思います。
スポンサーリンク
スポンサーリンク
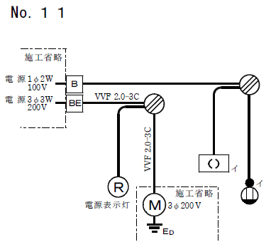
平成26年度(2014年度)No.11の候補問題の単線図

平成26年度(2014年度)No.11の候補問題の単線図は、100Vと200Vの2種類の電源、電源表示灯、電動機(施工省略)がある単線図です。(ちなみに、この候補問題は平成25年度No.8と同じ問題です。)
(単線図の詳細は平成26年度候補問題No.11単線図の解説のページを参考にしてみてください。)
この単線図を複線図を書くときの手順通りに書いて複線図に直してみます。
ここで複線図を書く条件(想定)として、電源の上側の単相100V回路はコネクタによる接続、電源の下側の三相200V回路はリングスリーブによる接続とします。また、三相200V回路の電源から電動機までの電線には、R相は赤色、S相は白色、T相は黒色を使用するものとし、電源表示灯はS相とT相間に接続するものとします。
それから、電気技術者試験センターから今年度公表された候補問題の注意書きに「器具においては、端子台で代用する場合がある」と記載されているので、この候補問題の配線用遮断器(B)、漏電遮断器(BE)は端子台で代用されるかもしれないし、されないかもしれません。これまでの傾向としては、このタイプの候補問題の場合には配線用遮断器(B)、漏電遮断器(BE)は同一の端子台で代用されてきましたので、このページの解説でも同一の端子台で代用されるものと想定して解説します。(今年度から注意書きの書き方がちょっと変わったみたい。)
平成26年度(2014年度)No.11の候補問題の複線図の書き方
@単線図に書かれている電源、器具などを同じ配置で書きます
単線図の配置そのままで電源、器具などを書きます。
この候補問題の単線図の電源周り(単線図の左側)をみると、電源には100Vと200Vがあって配線用遮断器(B)、漏電遮断器(BE)があります。ここでは配線用遮断器(B)、漏電遮断器(BE)は同一の端子台で代用されるものと想定していますので、これらを同一の端子台で書きます。端子数は配線用遮断器(B)で2個、漏電遮断器(BE)で3個になるので合計で5個になります。端子台には、配線用遮断器(B)のところは上から「N」(マイナス側)「L」(プラス側)、漏電遮断器(BE)のところは上から「T」「S」「R」と書いておきましょう。
それから、施工省略のところは施工省略が分かるように単線図と同じように点線で囲っておきます。この点線が意外に大事で、点線を書かないで施工すると、作らなくてもいいのに間違って作ってしまったりして、がっかりしますよ。
少しでも時間短縮したい人は「施工省略」とわざわざ書かなくてもいいですが点線だけは必ず書きましょう。
スイッチと器具の対応を示す「イ」も忘れずに書きましょう。

A電源のマイナスをスイッチ以外の器具につなげます
電源のマイナス(−)をスイッチ以外の器具につなげます。
この場合の電源のマイナスとは端子台(配線用遮断器)の「N端子」、スイッチ以外の器具とは「引掛シーリング(角形)」「コンセント」ですね。
線のつながりを表わす「●」も忘れずに必ず書きましょう。複線図を書き進めて線が多くなって重なってくると、線のつながりが分からなくなり混乱してしまいます。本番のときに「●」を書き忘れていると最後の方で焦っちゃいますよ!
三相200V回路については後でまとめて書きます。

B電源のプラスをスイッチとコンセントにつなげます
電源のプラス(+)をスイッチとコンセントにつなげます。
この場合の電源のプラスとは端子台(配線用遮断器)の「L端子」ですね。
コンセントへのつながりは図のようにスイッチから渡らせます。

Cスイッチからそのスイッチに対応する器具につなげます
スイッチ「イ」に対応する器具は「イ」の引掛シーリング(角形)なので、「イ」のスイッチから「イ」の引掛シーリング(角形)に線をつなげます。

D三相200Vの電源を電動機につなげます
この候補問題の単線図には三相200Vの電源があるので、三相200Vの電源「T」「S」「R」を電動機につなげます。三本ぴゅ〜っと引いておきましょう。

E電源表示灯に電源をつなげます
電源表示灯に必要な電源は単相(つまり電線2本だけ)で、ここでは電源表示灯はS相とT相間に接続するものと想定しているので、三相200Vの電源の「S相」「T相」から電源表示灯につなげます。もし、本番の試験のときの施工条件で電源表示灯に使用する電源の相(R、S、T)を指定されたときはそれにしたがいましょう。特に指定されない場合は図のように書いておけばいいです。

F電線を接続するところを○または□で囲みます
電線を接続するところを○または□で囲みます。
電線を接続するところとはジョイントボックスまたはアウトレットボックスのことで、このジョイントボックスまたはアウトレットボックスのところで電線が接続されます。
ジョイントボックスの場合は○、アウトレットボックスの場合は□で囲みます。
この候補問題の場合は接続するところは2箇所で、どちらもジョイントボックスなので○で囲みます。

Gスリーブ接続には●、コネクタ接続には■を書きます
電線をスリーブ(リングスリーブ)で接続するところには●、コネクタで接続するところには■を書きます。
ここでは、電源の上側の単相100V回路はコネクタによる接続、電源の下側の三相200V回路はリングスリーブによる接続と想定していますので、単相100V回路の接続のところには■、三相200V回路の接続のところには●を書きます。
このときに、電線2本だけを接続するところを書き忘れる人が多いので注意ですよ!

H電源のマイナスにつながっている線に「シ」と書きます
電源のマイナス(−)につながっている線に「シ」と書きます。
この「シ」の意味は電線被覆の色が白色という意味です。
電源のマイナス(この場合N端子)からたどっていって、つながっている線にだけ「シ」と書けばいいです。
複線図に電線の色を書いていくときも、必ず順番を守ってください。書く順番を守ることが複線図を間違わずに書くコツですので。
三相200V回路の電線の色については最後にまとめて書きます。

I電源のプラスにつながっている線に「ク」と書きます
電源のプラス(+)につながっている線に「ク」と書きます。
この「ク」の意味は電線被覆の色が黒色という意味です。
電源のプラス(この場合L端子)からたどっていって、つながっている線にだけ「ク」と書けばいいです。
スイッチとコンセントの渡り線も忘れずに書きましょう。

J電線の色が書かれていないところに電線の色を書きます
電線の色がまだ書かれていないところに残りの電線の色を書きます。
2心のケーブルの電線被覆の色は「白色と黒色」、3心のケーブルの電線被覆の色は「白色と黒色と赤色」なので、残りの電線の色は決まりますね。
三相200V回路の電線の色は最後にまとめて書きます。

K200V回路の電線の色を書きます
最後に三相200V回路の電線の色を書けば完成です。
三相200V回路の電線の色は「赤色と白色と黒色」なので200V回路の「R」「S」「T」の順に「ア」「シ」「ク」と書きます。(下から「ア」「シ」「ク」です。)
電源表示灯につなげる線の色は三相200V電源の電線の色に合わせておきます。ここでは電源表示灯はS相とT相間に接続するものと想定しているので、S相から電源表示灯につなげるところは白色(「シ」)、T相から電源表示灯につなげるところは黒色(「ク」)になります。
施工条件で色の指定があるときには必ずそれにしたがいましょう!

これで平成26年度(2014年度)No.11候補問題の複線図が完成しました。
複線図を書くときには書く順番があって、この順番を守って書けば誰でも簡単に書けるので頑張って複線図の書き方をおぼえましょう!
それから、技能試験の練習(試験対策)を進めるためには、まず複線図が書けないとどうにもなりませんので、技能試験の練習を効率よく進めるためにも複線図の書き方は早めにマスターしておいた方がいいですよ。
・複線図を書くときは書く順番を必ず守ろう!
・施工条件を必ず確認しよう!
スポンサーリンク
スポンサーリンク
単線図がまだよく分からないという方はこちらの第二種電気工事士候補問題の単線図の解説平成26年度No.11のページを参考にしてみましょう。施工条件についてはこちらの技能試験の施工条件の解説を参考にしてみてください。
スポンサーリンク
第二種電気工事士候補問題の複線図の書き方 平成26年度No.11 関連ページ
- 第二種電気工事士候補問題の複線図の書き方 平成26年度No.1
- 平成26年度(2014年度)第二種電気工事士技能試験の候補問題No.1の複線図の書き方について解説しています。複線図を書く手順と書き方について解説していますので、複線図の書き方の勉強の参考にしてみてください。候補問題No.1は3路スイッチを使用した回路でメタルラス壁がある候補問題です。
- 第二種電気工事士候補問題の複線図の書き方 平成26年度No.2
- 平成26年度(2014年度)第二種電気工事士技能試験の候補問題No.2の複線図の書き方について解説しています。複線図を書く手順と書き方について解説していますので、複線図の書き方の勉強の参考にしてみてください。候補問題No.2は接地極付接地端子付コンセント(EET)を使用した候補問題です。
- 第二種電気工事士候補問題の複線図の書き方 平成26年度No.3
- 平成26年度(2014年度)第二種電気工事士技能試験の候補問題No.3の複線図の書き方について解説しています。複線図を書く手順と書き方について解説していますので、複線図の書き方の勉強の参考にしてみてください。候補問題No.3は配線用遮断器と同時点滅の確認表示灯がある候補問題です。
- 第二種電気工事士候補問題の複線図の書き方 平成26年度No.4
- 平成26年度(2014年度)第二種電気工事士技能試験の候補問題No.4の複線図の書き方について解説しています。複線図を書く手順と書き方について解説していますので、複線図の書き方の勉強の参考にしてみてください。候補問題No.4は位置表示灯内蔵スイッチを使用した候補問題です。
- 第二種電気工事士候補問題の複線図の書き方 平成26年度No.5
- 平成26年度(2014年度)第二種電気工事士技能試験の候補問題No.5の複線図の書き方について解説しています。複線図を書く手順と書き方について解説していますので、複線図の書き方の勉強の参考にしてみてください。候補問題No.5はPF管(合成樹脂製可とう電線管)を使用した候補問題です。
- 第二種電気工事士候補問題の複線図の書き方 平成26年度No.6
- 平成26年度(2014年度)第二種電気工事士技能試験の候補問題No.6の複線図の書き方について解説しています。複線図を書く手順と書き方について解説していますので、複線図の書き方の勉強の参考にしてみてください。候補問題No.6は100Vと200Vの2つの電源がある回路です。
- 第二種電気工事士候補問題の複線図の書き方 平成26年度No.7
- 平成26年度(2014年度)第二種電気工事士技能試験の候補問題No.7の複線図の書き方について解説しています。複線図を書く手順と書き方について解説していますので、複線図の書き方の勉強の参考にしてみてください。候補問題No.7は常時点灯の確認表示灯がある候補問題になります。
- 第二種電気工事士候補問題の複線図の書き方 平成26年度No.8
- 平成26年度(2014年度)第二種電気工事士技能試験の候補問題No.8の複線図の書き方について解説しています。複線図を書く手順と書き方について解説していますので、複線図の書き方の勉強の参考にしてみてください。候補問題No.8は自動点滅器を使用した候補問題です。
- 第二種電気工事士候補問題の複線図の書き方 平成26年度No.9
- 平成26年度(2014年度)第二種電気工事士技能試験の候補問題No.9の複線図の書き方について解説しています。複線図を書く手順と書き方について解説していますので、複線図の書き方の勉強の参考にしてみてください。候補問題No.9は3個のスイッチで3個の機器をON/OFFする回路の候補問題です。
- 第二種電気工事士候補問題の複線図の書き方 平成26年度No.10
- 平成26年度(2014年度)第二種電気工事士技能試験の候補問題No.10の複線図の書き方について解説しています。複線図を書く手順と書き方について解説していますので、複線図の書き方の勉強の参考にしてみてください。候補問題No.10は三路スイッチと四路スイッチを使用した候補問題です。
- 第二種電気工事士候補問題の複線図の書き方 平成26年度No.12
- 平成26年度(2014年度)第二種電気工事士技能試験の候補問題No.12の複線図の書き方について解説しています。複線図を書く手順と書き方について解説していますので、複線図の書き方の勉強の参考にしてみてください。候補問題No.12はねじなし電線管を使用した候補問題です。
- 第二種電気工事士候補問題の複線図の書き方 平成26年度No.13
- 平成26年度(2014年度)第二種電気工事士技能試験の候補問題No.13の複線図の書き方について解説しています。複線図を書く手順と書き方について解説していますので、複線図の書き方の勉強の参考にしてみてください。候補問題No.13はリモコンリレーの候補問題です。
- 平成26年度 第二種電気工事士候補問題の単線図と複線図の一覧表
- 平成26年度(2014年度)第二種電気工事士技能試験の候補問題の単線図と複線図を一覧表にまとめています。候補問題の複線図の書き方の勉強に活用してみてください。

