スポンサーリンク
電験三種「理論」平成21年度 問7の過去問と解説
※ページ内にPR・広告が含まれる場合があります。
電験三種「理論」平成21年度問7の過去問の解説です。
電験三種「理論」平成21年度(2009年度) 問7
電験三種「理論」の平成21年度問7(A問題)の問題です。
この問題を解くためのポイントとコツ
この問題を解くためのポイントとコツは、
- 電源毎に分けて考えよう!
- 複素形式による単相交流回路の計算方法は分かりますか?
- 電源毎に分けた回路で電流を計算したら、キルヒホッフの法則(電流則)で各線電流を求めよう!
です。
スポンサーリンク
スポンサーリンク
電験三種「理論」平成21年度(2009年度) 問7(A問題)の解説
この過去問は単相3線式交流回路に関する計算問題で、3線に流れる各線電流を求める問題です。
求めるのは3線に流れる各線電流 $I_a$、$I_b$、$I_c$ の大小関係ですが、この問題は大小関係を考えていくよりも、素直に各線電流 $I_a$、$I_b$、$I_c$ を計算してしまった方がいいです。
電験三種の理論の試験はとにかく時間が足りないのですが、試験中にあれこれ考えるよりも普通に計算してしまった方が結果的に早く解ける場合がよくあります。
では、解き方の解説です。
っと、その前に、この問題の電源について簡単に説明します。
この問題の回路は単相3線式で、電源電圧はそれぞれ、
$\dot{V_{ab}} =100\angle 0^\circ$ [$\mathrm{V}$]
$\dot{V_{bc}} =100\angle 0^\circ$ [$\mathrm{V}$]
$\dot{V_{ac}} =200\angle 0^\circ$ [$\mathrm{V}$]
ですね。これらの電源電圧はどういう電圧を表わしているか分かりますか?
例えば $\dot{V_{ab}}$ の場合、

という意味になります。
なので、それぞれの電源の電圧を一つのグラフ上に書くと次のようになります。

どの電源電圧も位相は $0^\circ$ で、$\dot{V_{ab}}$ と $\dot{V_{bc}}$ の実効値は $100\,\mathrm{V}$、$\dot{V_{ac}}$ の実効値は $200\,\mathrm{V}$ なので、このような電圧波形(グラフ)になります。
電源については分かったと思うので、それでは本題の「3線に流れる各線電流」を求めてみましょう。
各線電流を求めるためには各電源により各負荷に流れる電流 $\dot{I_{ab}}$、$\dot{I_{bc}}$、$\dot{I_{ac}}$ を求める必要があり、各負荷に流れる電流を求めるときには各負荷の部分毎に考えていけばいいです。つまり、

と、@、A、Bの3箇所に分けてそれぞれ計算していきます。
では、@の部分に流れる電流 $\dot{I_{ab}}$ から順番に計算してみましょう!
@の部分に流れる電流Iabの計算
@の部分だけ考えると、次のような回路になります。

この回路は、インピーダンス $\dot{Z_{ab}} =3+j\,4$ に $\dot{V_{ab}} =100\angle 0^\circ$ の電圧がかかっていて、$\dot{V_{ab}}$ により$\dot{Z_{ab}}$ に流れる電流が $\dot{I_{ab}}$ です。という意味ですね。
なので、この回路にオームの法則を適用すると、電流 $\dot{I_{ab}}$ は次のようになります。
$\dot{I_{ab}} =\dfrac{\dot{V_{ab}}}{\dot{Z_{ab}}} =\dfrac{100}{3+j\,4}$ ($\because \dot{V_{ab}}$ の位相は $0^\circ$ なので、$\dot{V_{ab}} =100$ となります。)
$\therefore \dot{I_{ab}} =\dfrac{100}{3+j\,4}$ [$\mathrm{A}$] …C
$\dot{I_{ab}}$ が求められたので、次はAの部分に流れる電流 $\dot{I_{bc}}$ を計算します。
Aの部分に流れる電流Ibcの計算
Aの部分だけ考えると、次のような回路になります。

この回路は、インピーダンス $\dot{Z_{bc}} =4-j\,3$ に $\dot{V_{bc}} =100\angle 0^\circ$ の電圧がかかっていて、$\dot{V_{bc}}$ により$\dot{Z_{bc}}$ に流れる電流が $\dot{I_{bc}}$ です。という意味ですね。
なので、この回路にオームの法則を適用すると、電流 $\dot{I_{bc}}$ は次のようになります。
$\dot{I_{bc}} =\dfrac{\dot{V_{bc}}}{\dot{Z_{bc}}} =\dfrac{100}{4-j\,3}$ ($\because \dot{V_{bc}}$ の位相は $0^\circ$ なので、$\dot{V_{bc}} =100$ となります。)
$\therefore \dot{I_{bc}} =\dfrac{100}{4-j\,3}$ [$\mathrm{A}$] …D
$\dot{I_{bc}}$ が求められたので、次はBの部分に流れる電流 $\dot{I_{ac}}$ を計算します。
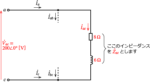
Bの部分に流れる電流Iacの計算
Bの部分だけ考えると、次のような回路になります。

この回路は、インピーダンス $\dot{Z_{ac}} =8+j\,6$ に $\dot{V_{ac}} =200\angle 0^\circ$ の電圧がかかっていて、$\dot{V_{ac}}$ により$\dot{Z_{ac}}$ に流れる電流が $\dot{I_{ac}}$ です。という意味ですね。
なので、この回路にオームの法則を適用すると、電流 $\dot{I_{ac}}$ は次のようになります。
$\dot{I_{ac}} =\dfrac{\dot{V_{ac}}}{\dot{Z_{ac}}} =\dfrac{200}{8+j\,6}$ ($\because \dot{V_{ac}}$ の位相は $0^\circ$ なので、$\dot{V_{ac}} =200$ となります。)
$\therefore \dot{I_{ac}} =\dfrac{200}{8+j\,6}$ [$\mathrm{A}$] …E
以上C〜Eより各負荷に流れる電流が求められたので、次に、C〜Eとキルヒホッフの法則(電流則)を使って、3線に流れる各線電流の大きさ $I_a$、$I_b$、$I_c$ を求めます。
線電流Iaの大きさの計算
線電流 $\dot{I_a}$ が流れ込む次の図の赤丸の接続点に着目しましょう。

この赤丸の接続点には電流 $\dot{I_a}$ が流れ込んで、接続点から電流 $\dot{I_{ab}}$ と $\dot{I_{ac}}$ が出ていきます。
なので、この赤丸の接続点にキルヒホッフの法則(電流則)を適用すると、
$\dot{I_a} =\dot{I_{ab}} +\dot{I_{ac}}$ …F が成り立ちます。
F式に先ほど求めたCとEを代入します。すると、
$\dot{I_a} =\dot{I_{ab}} +\dot{I_{ac}} =\dfrac{100}{3+j\,4} +\dfrac{200}{8+j\,6}$ $=\dfrac{100\left( 8+j\,6\right) +200\left( 3+j\,4\right)}{\left( 3+j\,4\right)\left( 8+j\,6\right)}$
$=\dfrac{800+j\,600+600+j\,800}{24+j\,18+j\,32-24}$ $=\dfrac{1400+j\,1400}{j\,50}$ $=\dfrac{28+j\,28}{j}$
$=\dfrac{j\,28+j\times j\,28}{j\times j} =\dfrac{j\,28-28}{-1}$ $=28-j\,28$
$\therefore \dot{I_a} =28-j\,28$ [$\mathrm{A}$] …G
Gの絶対値を計算して大きさを求めましょう。
$|\dot{I_a} |=I_a=\sqrt{28^2+28^2} =\sqrt{2\times 28^2}$ $=28\sqrt{2}$
$\therefore I_a=28\sqrt{2}$ [$\mathrm{A}$] …H
これで線電流 $\dot{I_a}$ の大きさ $I_a$ が求められました。次は、線電流 $I_b$ の計算です。
線電流Ibの大きさの計算
線電流 $\dot{I_b}$ が流れ込む次の図の赤丸の接続点に着目しましょう。

この赤丸の接続点には電流 $\dot{I_b}$ と $\dot{I_{ab}}$ が流れ込んで、接続点から電流 $\dot{I_{bc}}$ が出ていきます。
なので、この赤丸の接続点にキルヒホッフの法則(電流則)を適用すると、
$\dot{I_b} +\dot{I_{ab}} =\dot{I_{bc}}$ 、 $\dot{I_b} =\dot{I_{bc}} -\dot{I_{ab}}$ …I が成り立ちます。
I式に先ほど求めたCとDを代入します。すると、
$\dot{I_b} =\dot{I_{bc}} -\dot{I_{ab}} =\dfrac{100}{4-j\,3} -\dfrac{100}{3+j\,4}$ $=\dfrac{100\left( 3+j\,4 \right) -100\left( 4-j\,3 \right)}{\left( 4-j\,3 \right)\left( 3+j\, 4\right)}$
$=\dfrac{300+j\,400-400+j\,300}{12+j\,16-j\,9+12}$ $=\dfrac{-100+j\,700}{24+j\,7}$ $=\dfrac{\left( -100+j\,700 \right)\left( 24-j\,7 \right)}{\left( 24+j\,7 \right)\left( 24-j\,7 \right)}$
$=\dfrac{-2400+j\,700+j\,16800+4900}{576+49}$ $=\dfrac{2500+j\,17500}{625}$ $=\dfrac{100+j\,700}{25}$ $=4+j\,28$
$\therefore \dot{I_b} =4+j\,28$ [$\mathrm{A}$] …J
Jの絶対値を計算して大きさを求めましょう。
$|\dot{I_b} |=I_b=\sqrt{4^2+28^2} =\sqrt{16+784}$ $=\sqrt{800}$ $=10\sqrt{8}$ $=10\times 2\sqrt{2}$ $=20\sqrt{2}$
$\therefore I_b=20\sqrt{2}$ [$\mathrm{A}$] …K
これで線電流 $\dot{I_b}$ の大きさ $I_b$ が求められました。次は、線電流 $I_c$ の計算です。
線電流Icの大きさの計算
線電流 $\dot{I_c}$ が流れ込む次の図の赤丸の接続点に着目しましょう。

この赤丸の接続点には電流 $\dot{I_c}$ と $\dot{I_{bc}}$ と $\dot{I_{ac}}$ が流れ込んで、接続点から出ていく電流はありません。
なので、この赤丸の接続点にキルヒホッフの法則(電流則)を適用すると、
$\dot{I_c} +\dot{I_{bc}} +\dot{I_{ac}} =0$ 、 $\dot{I_c} =-\dot{I_{bc}} -\dot{I_{ac}}$ …L が成り立ちます。
L式に先ほど求めたDとEを代入します。すると、
$\dot{I_c} =-\dot{I_{bc}} -\dot{I_{ac}}$ $=-\dfrac{100}{4-j\,3} -\dfrac{200}{8+j\,6}$ $=-\left(\dfrac{100}{4-j\,3} +\dfrac{200}{8+j\,6}\right)$
$=-\dfrac{100\left( 8+j\,6\right) +200\left( 4-j\,3 \right)}{\left( 4-j\,3\right)\left( 8+j\,6\right)}$ $=-\dfrac{800+j\,600+800-j\,600}{32+j\,24-j\,24+18}$
$=-\dfrac{1600}{50} =-32$
$\therefore \dot{I_c} =-32$ [$\mathrm{A}$] …M
したがって、$\dot{I_c}$ の大きさ $I_c$ は、
$\therefore I_c=32$ [$\mathrm{A}$] …N
これで線電流 $\dot{I_c}$ の大きさ $I_c$ が求められました。
以上で各線電流の大きさ $I_a$、$I_b$、$I_c$ が求められたので、あとはこれらの大小関係を求めるだけですね。H、K、Nより、
$I_a=28\sqrt{2}\fallingdotseq 39.6$
$I_b=20\sqrt{2}\fallingdotseq 28.3$
$I_c=32.0$
なので求める答は、(2)の $I_a\gt I_c\gt I_b$ …(答) になります。
この問題を解くために使った公式
オームの法則の公式:$\dot{I} =\dfrac{\dot{V}}{\dot{Z}}$
RL直列回路のインピーダンスの公式:$\dot{Z} =R+jX$
RC直列回路のインピーダンスの公式:$\dot{Z} =R-jX$
キルヒホッフの法則(電流則)の公式:$\dot{I} =\dot{I_1} +\dot{I_2}$
ベクトルの大きさの公式:$|\dot{r} |=\sqrt{a^2+b^2}$
交流回路の計算では虚数単位「$j$」がよく使われますが、この虚数単位「$j$」が苦手という方はけっこういます。
電験三種の問題では、「虚数単位「$j$」を2乗すると「$-1$」になる」という基本だけおぼえておけばほとんどの計算問題は解けますので、あまり苦手意識を持たないようにしましょう。慣れれば簡単です。
スポンサーリンク
スポンサーリンク
この問題でもキルヒホッフの法則を使っていますが、キルヒホッフの法則は回路計算の基本なので必ず使えるようにしておきましょう。キルヒホッフの法則についてよく分からない方はキルヒホッフの法則のページを参考にしてみてください。
おすすめの電験三種の過去問題集はこちら、電験三種の参考書はこちら、電験三種用の数学参考書はこちらで紹介していますので参考にしてみてください。
電験三種「理論」平成21年度 問6の過去問と解説 ←BACK
NEXT→ 電験三種「理論」平成21年度 問8の過去問と解説
スポンサーリンク
電験三種「理論」平成21年度 問7の過去問と解説 関連ページ
- 電験三種「理論」平成21年度 問1の過去問と解説
- 電験三種「理論」平成21年度(2009年度)問1の過去問と解説です。この過去問は電圧、電界、コンデンサに関する基本的な公式が分かれば解ける問題です。
- 電験三種「理論」平成21年度 問2の過去問と解説
- 電験三種「理論」平成21年度(2009年度)問2の過去問と解説です。この過去問は静電界に関する基本的な知識の正誤を問う問題です。
- 電験三種「理論」平成21年度 問3の過去問と解説
- 電験三種「理論」平成21年度(2009年度)問3の過去問と解説です。この過去問はコイルの磁束鎖交数とコイルに蓄えられる磁気エネルギーに関する問題です。
- 電験三種「理論」平成21年度 問4の過去問と解説
- 電験三種「理論」平成21年度(2009年度)問4の過去問と解説です。この過去問は扇形導線に流れる電流により作られる磁界に関する問題です。電験三種でよく出題されやすいパターンの問題です。
- 電験三種「理論」平成21年度 問5の過去問と解説
- 電験三種「理論」平成21年度(2009年度)問5の過去問と解説です。この過去問はコンデンサが直列・並列接続、電源が直列・並列に接続されているときの電界のエネルギー(静電エネルギー)を求める問題です。
- 電験三種「理論」平成21年度 問6の過去問と解説
- 電験三種「理論」平成21年度(2009年度)問6の過去問と解説です。この過去問は抵抗が直列接続、並列接続された直流回路の基本的な問題で、与えられた電圧・電流の回路条件から抵抗値を求める問題です。ここではキルヒホッフの法則を使って解いています。
- 電験三種「理論」平成21年度 問8の過去問と解説
- 電験三種「理論」平成21年度(2009年度)問8の過去問と解説です。この過去問は単相交流回路の計算問題で、スイッチSが開いているときと閉じているときのそれぞれの電流の比と位相差の差を求める問題です。スイッチSが開いているときと閉じているときで分けて計算していきます。
- 電験三種「理論」平成21年度 問9の過去問と解説
- 電験三種「理論」平成21年度(2009年度)問9の過去問と解説です。この過去問は正弦波交流電流に関する問題で、電流の瞬時値がある値になるときの時刻を求める問題です。電気の問題と言うよりも、ほぼ数学の問題に近いです。

