スポンサーリンク
電験三種「理論」平成21年度 問6の過去問と解説
※ページ内にPR・広告が含まれる場合があります。
電験三種「理論」平成21年度問6の過去問の解説です。
電験三種「理論」平成21年度(2009年度) 問6
電験三種「理論」の平成21年度問6(A問題)の問題です。
この問題を解くためのポイントとコツ
この問題を解くためのポイントとコツは、
- 直流回路の計算をするための基本的な法則(このページでの解き方の場合、オームの法則、キルヒホッフの法則)は分かりますか?
- 二次方程式の解き方は分かりますか?
- 直流回路の計算をするときは分かるところから求めていこう!
です。
スポンサーリンク
スポンサーリンク
電験三種「理論」平成21年度(2009年度) 問6(A問題)の解説
この過去問は直流回路についての問題で、問題で与えらえた条件から未知数の抵抗 $R_1$、$R_2$ を求める問題です。
直流回路の計算に限らず電気回路の計算をするときには、与えられた条件(分かっている条件)と電気の色々な法則を使って、分かるところから求めていけばいいです。
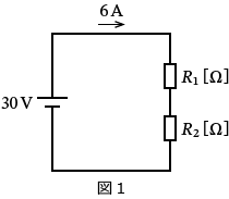
では、与えられた条件と電気の法則を使って抵抗 $R_1$ と $R_2$ を求めてみましょう! まずは一つ目の条件(図1)からです。
問題文を読んでみると、
「抵抗 $R_1$[$\Omega$]と $R_2$[$\Omega$]を図1のように直列に接続し、$30$[$\mathrm{V}$]の直流電圧を加えたところ、回路に流れる電流は $6$[$\mathrm{A}$]であった。」
と書いてあります。
それで図1は次のような回路図ですね。

図1は、「抵抗 $R_1$ と $R_2$ が直列に接続されていて、これに $30\,\mathrm{V}$ の電圧をかけたら回路に $6\,\mathrm{A}$ の電流が流れた。」という意味ですね。(これが与えられた条件になります。)
電気回路の計算方法には色々あり、この問題を解く解き方も色々ありますが、ここではキルヒホッフの法則を使って解いてみようと思います。
っと、その前にオームの法則を使って抵抗 $R_1$ と $R_2$ にかかる電圧 $V_1$、$V_2$ を求めておきましょう。
抵抗 $R_1$ と $R_2$ に流れる電流はどちらも $6\,\mathrm{A}$ なので、オームの法則より、
抵抗 $R_1$ にかかる電圧 $V_1$ は、$V_1=6R_1$[$\mathrm{V}$]
抵抗 $R_2$ にかかる電圧 $V_2$ は、$V_2=6R_2$[$\mathrm{V}$]
になります。

なので、キルヒホッフの第二法則(電圧則)を適用すると、
$30=6R_1+6R_2$
両辺を $6$ で割って、
$\therefore R_1+R_2=5$ …@ という式が導かれます。
図1については、これでOKです。
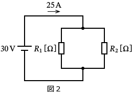
次は二つ目の条件(図2)についてです。
問題文をまたまた読んでみると、
「抵抗 $R_1$[$\Omega$]と $R_2$[$\Omega$]を図2のように並列に接続し、$30$[$\mathrm{V}$]の直流電圧を加えたところ、回路に流れる電流は $25$[$\mathrm{A}$]であった。」
と書いてあります。
それで図2は次のような回路図ですね。

図2は、「抵抗 $R_1$ と $R_2$ が並列接続されていて、これに $30\,\mathrm{V}$ の電圧をかけたら回路に $25\,\mathrm{A}$ の電流が流れた。」という意味ですね。(これが与えられた条件になります。)
図2についてもキルヒホッフの法則を使いますが、その前にオームの法則を使って抵抗 $R_1$ と $R_2$ に流れる電流 $I_1$、$I_2$ を求めておきましょう。
抵抗 $R_1$ と $R_2$ にかかる電圧はどちらも $30\,\mathrm{V}$ なので、オームの法則より、
抵抗 $R_1$ に流れる電流 $I_1$ は、$I_1=\dfrac{30}{R_1}$ [$\mathrm{A}$]
抵抗 $R_2$ に流れる電流 $I_2$ は、$I_2=\dfrac{30}{R_2}$ [$\mathrm{A}$]
になります。

なので、キルヒホッフの第一法則(電流則)を適用すると、
$25=\dfrac{30}{R_1} +\dfrac{30}{R_2}$ 、 $5=\dfrac{6}{R_1} +\dfrac{6}{R_2}$ 、 $\dfrac{6R_2+6R_1}{R_1R_2} =5$
$\therefore 6R_1+6R_2=5R_1R_2$ …A という式が導かれます。
すると、@式とA式を導くことができたので、@式とA式の連立方程式を解けば抵抗 $R_1$ と $R_2$ を求めることができます。
$\left\{\begin{array}{l} R_1+R_2=5 \quad\text{…@} \\ 6R_1+6R_2=5R_1R_2 \quad\text{…A} \end{array}\right.$
@式より、$R_2=5-R_1$ …B なので、これをA式に代入します。
$6R_1+6\left( 5-R_1\right) =5R_1\left( 5-R_1\right)$
これを展開して、
$6R_1+30-6R_1=25R_1-5{R_1}^2$ 、 $30=25R_1-5{R_1}^2$
左辺に全部もってきて $\text{右辺} =0$ の形にすると、
$5{R_1}^2-25R_1+30=0$ 、 ${R_1}^2-5R_1+6=0$ …C
これを因数分解すると、
$\left( R_1-2\right)\left( R_1-3\right) =0$ したがって、
$\therefore R_1=2\,\Omega$ または $3\,\Omega$
抵抗 $R_1$ の値が2つ求められたので、それぞれのときの抵抗 $R_2$ の値を求めます。
(@)$R_1=2\,\Omega$ のとき
$R_1=2$ をB式に代入しましょう。すると、
$R_2=5-2=3$
$\therefore R_2=3\,\Omega$
(A)$R_1=3\,\Omega$ のとき
$R_1=3$ をB式に代入しましょう。すると、
$R_2=5-3=2$
$\therefore R_2=2\,\Omega$
したがって、求められた抵抗の値の組合せは、
抵抗 $R_1=2\,\Omega$ のとき抵抗 $R_2=3\,\Omega$ または、
抵抗 $R_1=3\,\Omega$ のとき抵抗 $R_2=2\,\Omega$ となります。
求める答は抵抗 $R_1$[$\Omega$]、$R_2$[$\Omega$]のうち小さい方の抵抗[$\Omega$]の値なので $2\,\Omega$ となり、(4)が答となります。 …(答)
この問題を解くために使った公式
オームの法則の公式:$V=I\,R$ 、 $I=\dfrac{V}{R}$
キルヒホッフの法則(電圧則)の公式:$V=V_1+V_2$
キルヒホッフの法則(電流則)の公式:$I=I_1+I_2$
二次方程式の解の求め方
抵抗 $R_1$ の値を求めるときに、ここでは $R_1$ の二次方程式(C式)を因数分解して求めましたが、二次方程式の解の公式を使って求めてもいいです。
二次方程式の解の公式は、二次方程式が $ax^2+bx+c=0$ で与えられたとき、
$x=\dfrac{-b\pm\sqrt{b^2-4ac}}{2a}$ ですね。
ちなみに、C式(${R_1}^2-5R_1+6=0$)の解を二次方程式の解の公式を使って求めてみると、
$R_1$ $=\dfrac{-\left( -5\right)\pm\sqrt{\left( -5\right)^2 -4\times 1\times 6}}{2\times 1}$ $=\dfrac{5\pm\sqrt{25-24}}{2}$ $=\dfrac{5\pm\sqrt{1}}{2}$ $=\dfrac{5\pm 1}{2}$
$R_1=\dfrac{5+1}{2} =\dfrac{6}{2} =3$ $\therefore R_1=3$
または、
$R_1=\dfrac{5-1}{2} =\dfrac{4}{2} =2$ $\therefore R_1=2$ となります。
二次方程式の解の公式はおぼえておくと何かと便利なので、おぼえておいた方がいいですよ。
ここではオームの法則とキルヒホッフの法則を使って解きましたが、図1の直列接続された抵抗、図2の並列接続された抵抗それぞれの合成抵抗を求めてから解いていく計算方法もあります。色々な計算方法で解いてみると実力アップにつながりますので、ぜひチャレンジしてみましょう!
スポンサーリンク
スポンサーリンク
キルヒホッフの法則についてよく分からない方はキルヒホッフの法則のページ、オームの法則についてよく分からない方はオームの法則のページを参考にしてみてください。合成抵抗については、こちらの合成抵抗のページを参考にしてみてください。。
おすすめの電験三種の過去問題集はこちら、電験三種の参考書はこちら、電験三種用の数学参考書はこちらで紹介していますので参考にしてみてください。
電験三種「理論」平成21年度 問5の過去問と解説 ←BACK
NEXT→ 電験三種「理論」平成21年度 問7の過去問と解説
スポンサーリンク
電験三種「理論」平成21年度 問6の過去問と解説 関連ページ
- 電験三種「理論」平成21年度 問1の過去問と解説
- 電験三種「理論」平成21年度(2009年度)問1の過去問と解説です。この過去問は電圧、電界、コンデンサに関する基本的な公式が分かれば解ける問題です。
- 電験三種「理論」平成21年度 問2の過去問と解説
- 電験三種「理論」平成21年度(2009年度)問2の過去問と解説です。この過去問は静電界に関する基本的な知識の正誤を問う問題です。
- 電験三種「理論」平成21年度 問3の過去問と解説
- 電験三種「理論」平成21年度(2009年度)問3の過去問と解説です。この過去問はコイルの磁束鎖交数とコイルに蓄えられる磁気エネルギーに関する問題です。
- 電験三種「理論」平成21年度 問4の過去問と解説
- 電験三種「理論」平成21年度(2009年度)問4の過去問と解説です。この過去問は扇形導線に流れる電流により作られる磁界に関する問題です。電験三種でよく出題されやすいパターンの問題です。
- 電験三種「理論」平成21年度 問5の過去問と解説
- 電験三種「理論」平成21年度(2009年度)問5の過去問と解説です。この過去問はコンデンサが直列・並列接続、電源が直列・並列に接続されているときの電界のエネルギー(静電エネルギー)を求める問題です。
- 電験三種「理論」平成21年度 問7の過去問と解説
- 電験三種「理論」平成21年度(2009年度)問7の過去問と解説です。この過去問は単相3線式交流回路の計算問題で、3線に流れる各線電流の大きさの大小関係を求める問題です。電源毎に各負荷に流れる電流を求め、キルヒホッフの法則(電流則)を適用して各線電流を求めます。
- 電験三種「理論」平成21年度 問8の過去問と解説
- 電験三種「理論」平成21年度(2009年度)問8の過去問と解説です。この過去問は単相交流回路の計算問題で、スイッチSが開いているときと閉じているときのそれぞれの電流の比と位相差の差を求める問題です。スイッチSが開いているときと閉じているときで分けて計算していきます。
- 電験三種「理論」平成21年度 問9の過去問と解説
- 電験三種「理論」平成21年度(2009年度)問9の過去問と解説です。この過去問は正弦波交流電流に関する問題で、電流の瞬時値がある値になるときの時刻を求める問題です。電気の問題と言うよりも、ほぼ数学の問題に近いです。

