スポンサーリンク
ミルマンの定理
※ページ内にPR・広告が含まれる場合があります。
ミルマンの定理(帆足-ミルマンの定理)は全電圧の定理とも呼ばれ、抵抗と電源の直列接続が複数並列に接続されている回路において、回路の端子電圧を求めたいときに有用な定理です。
例えば、次のような「抵抗と電源(電圧源)の直列接続」が複数並列( $n$ 個並列)に接続されている回路があるとすると、

この回路の端子 $\mathrm{a}$-$\mathrm{b}$ 間の端子電圧 $V_\mathrm{ab}$[$\mathrm{V}$]は、
$V_\mathrm{ab} =\dfrac{\dfrac{V_1}{R_1} +\dfrac{V_2}{R_2} +\cdots +\dfrac{V_n}{R_n}}{\dfrac{1}{R_1} +\dfrac{1}{R_2} +\cdots +\dfrac{1}{R_n}}$ …① (ミルマンの定理の式)
と表わされます。

これがミルマンの定理で、ミルマンの定理を使うと、キルヒホッフの法則や重ね合わせの理のような回路によっては計算が多少複雑になる法則や定理を使うことなく、上図のような回路の端子電圧 $V_\mathrm{ab}$ を簡単に求めることができます。

このように、回路の計算をするときになにかと役に立つミルマンの定理ですが、ミルマンの定理の式をみてみると、ちょっと複雑な式にみえますよね。
でもこれ、分母と分子がそれぞれどんな式になっているのか?を考えてみると、簡単な式にみえてきます。(たぶん)
ミルマンの定理の式の分母をみてみると、
分母:$\dfrac{1}{R_1} +\dfrac{1}{R_2} +\cdots +\dfrac{1}{R_n}$
となっていて、これは、回路図の電圧源を短絡して取り除いたときの端子 $\mathrm{a}$-$\mathrm{b}$ 間の合成コンダクタンスになっているんです。

抵抗の逆数をコンダクタンスといいます。抵抗が並列接続されている回路の合成コンダクタンスは、各コンダクタンス(抵抗の逆数)を足し合わせると求められます。
また、ミルマンの定理の式の分子をみてみると、
分子:$\dfrac{V_1}{R_1} +\dfrac{V_2}{R_2} +\cdots +\dfrac{V_n}{R_n}$
となっていて、これは、回路図の端子 $\mathrm{a}$-$\mathrm{b}$ 間を短絡したときの各枝路に流れる電流(短絡電流)の和になっているんです。

なので、ミルマンの定理の式を言葉で簡単に書いてみると、
端子電圧 $=\dfrac{\text{短絡電流の和}}{\text{合成コンダクタンス}}$ …②
となり、ミルマンの定理の式(①式)はパッと見は複雑そうな式にみえますが、そんなに複雑ではなかったりするんです。

ちなみに、合成コンダクタンスの逆数は合成抵抗になるので、②式の合成コンダクタンスを合成抵抗で表わすと、
端子電圧 $=\dfrac{\text{短絡電流の和}}{\dfrac{1}{\text{合成抵抗}}}$
$\therefore$ 端子電圧 $=$ 短絡電流の和 $\times$ 合成抵抗 (②式を合成抵抗で表わした)
となるので、②式は電圧 $=$ 電流 $\times$ 抵抗というオームの法則の式の形になります。
では続いて、ミルマンの定理の式を導出してみましょう。
このページではミルマンの定理を直流回路(電源は直流電源、素子は抵抗のみ)で解説していますが、ミルマンの定理は交流回路でも成り立つ定理です。
スポンサーリンク
ミルマンの定理の式の導出
ここでは、電源が3つ、抵抗が3つの場合のミルマンの定理の式、
$V_\mathrm{ab} =\dfrac{\dfrac{V_1}{R_1} +\dfrac{V_2}{R_2} +\dfrac{V_3}{R_3}}{\dfrac{1}{R_1} +\dfrac{1}{R_2} +\dfrac{1}{R_3}}$
を導出してみます。

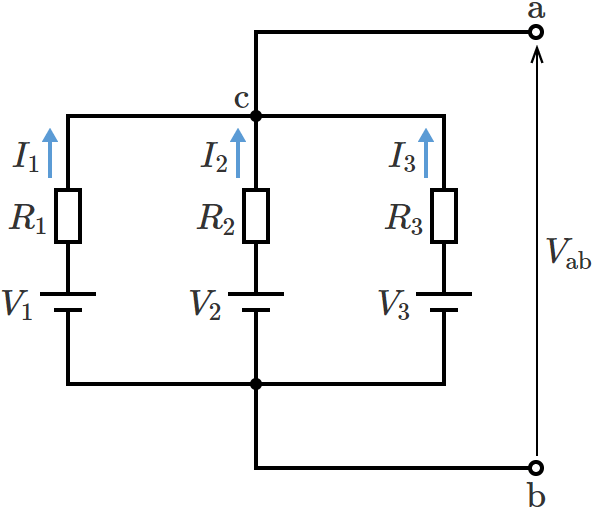
次の図のように、端子 $\mathrm{a}$-$\mathrm{b}$ 間の端子電圧を $V_\mathrm{ab}$[$\mathrm{V}$]、各枝路に流れる電流を $I_1$[$\mathrm{A}$]、$I_2$[$\mathrm{A}$]、$I_3$[$\mathrm{A}$]とします。

すると、端子 $\mathrm{a}$-$\mathrm{b}$ 間の端子電圧は $V_\mathrm{ab}$ なので、次の3つの式が成り立ちます。
$V_\mathrm{ab} =V_1-R_1I_1$ …③
$V_\mathrm{ab} =V_2-R_2I_2$ …④
$V_\mathrm{ab} =V_3-R_3I_3$ …⑤
これら3つの式から電流 $I_1$ 、$I_1$ 、$I_3$ を求めると、
③式より、$R_1I_1 =V_1-V_\mathrm{ab}$
$\therefore I_1=\dfrac{V_1-V_\mathrm{ab}}{R_1}$ …⑥ (電流 $I_1$ )
④式より、$R_2I_2 =V_2-V_\mathrm{ab}$
$\therefore I_2=\dfrac{V_2-V_\mathrm{ab}}{R_2}$ …⑦ (電流 $I_2$ )
⑤式より、$R_3I_3 =V_3-V_\mathrm{ab}$
$\therefore I_3=\dfrac{V_3-V_\mathrm{ab}}{R_3}$ …⑧ (電流 $I_3$ )
となります。ここで、回路図の $\mathrm{c}$ 点にキルヒホッフの第一法則を適用すると、
$I_1+I_2+I_3=0$ …⑨ (キルヒホッフの第一法則より)
となるので、

⑨式に⑥、⑦、⑧を代入すると、
$\dfrac{V_1-V_\mathrm{ab}}{R_1} +\dfrac{V_2-V_\mathrm{ab}}{R_2} +\dfrac{V_3-V_\mathrm{ab}}{R_3} =0$ (⑨式に⑥、⑦、⑧を代入した)
$\dfrac{V_1}{R_1} -\dfrac{V_\mathrm{ab}}{R_1} +\dfrac{V_2}{R_2} -\dfrac{V_\mathrm{ab}}{R_2} +\dfrac{V_3}{R_3} -\dfrac{V_\mathrm{ab}}{R_3} =0$
$\dfrac{V_1}{R_1} +\dfrac{V_2}{R_2} +\dfrac{V_3}{R_3} =\dfrac{V_\mathrm{ab}}{R_1} +\dfrac{V_\mathrm{ab}}{R_2} +\dfrac{V_\mathrm{ab}}{R_3}$
$V_\mathrm{ab}\left(\dfrac{1}{R_1} +\dfrac{1}{R_2} +\dfrac{1}{R_3}\right) =\dfrac{V_1}{R_1} +\dfrac{V_2}{R_2} +\dfrac{V_3}{R_3}$
$\therefore V_\mathrm{ab} =\dfrac{\dfrac{V_1}{R_1} +\dfrac{V_2}{R_2} +\dfrac{V_3}{R_3}}{\dfrac{1}{R_1} +\dfrac{1}{R_2} +\dfrac{1}{R_3}}$ (電源が3つ、抵抗が3つの場合のミルマンの定理の式)
となり、電源が3つ、抵抗が3つの場合のミルマンの定理の式を導出できました。(導出終わり)
ここでは、電源が3つ、抵抗が3つの場合のミルマンの定理の式を導出しましたが、枝路が4つ、5つ、…と増えても同じように導出できます。
続いて、ミルマンの定理の問題でよくある回路を例にして、回路の端子電圧を求めてみましょう。
いくつか計算してみると、ミルマンの定理の使い方が分かるようになりますよ!(といっても、基本的にミルマンの定理の式に代入するだけなんですけどね…。)
スポンサーリンク
スポンサーリンク
ミルマンの定理による端子電圧の計算
ここでは、
- 電源が3つ、抵抗が3つある回路
- 電源が2つ、抵抗が3つある回路
- 逆向きの電源がある回路
の3つの回路について、ミルマンの定理を用いて回路の端子電圧を求めてます。
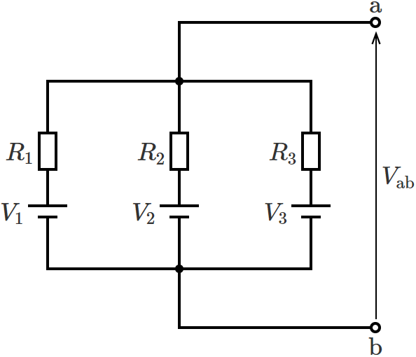
電源が3つ、抵抗が3つある回路
ミルマンの定理を用いて、次の回路の端子電圧 $V_\mathrm{ab}$ を求めてみます。

この回路の枝路は3つなので、ミルマンの定理の式は、
$V_\mathrm{ab} =\dfrac{\dfrac{V_1}{R_1} +\dfrac{V_2}{R_2} +\dfrac{V_3}{R_3}}{\dfrac{1}{R_1} +\dfrac{1}{R_2} +\dfrac{1}{R_3}}$ …⑩ (枝路が3つの場合のミルマンの定理の式)
となります。この⑩式に回路の電源の電圧 $V_1$ 、$V_2$ 、$V_3$ 、抵抗 $R_1$ 、$R_2$ 、$R_3$ を代入すると、
$\therefore V_\mathrm{ab} =\dfrac{\dfrac{V_1}{R_1} +\dfrac{V_2}{R_2} +\dfrac{V_3}{R_3}}{\dfrac{1}{R_1} +\dfrac{1}{R_2} +\dfrac{1}{R_3}}$ (端子電圧 $V_\mathrm{ab}$ )
となり、これがこの回路の端子電圧 $V_\mathrm{ab}$ になります。(代入するまでもなく、そのまんまですね。)

次は、「電源が2つ、抵抗が3つある回路」の計算です。
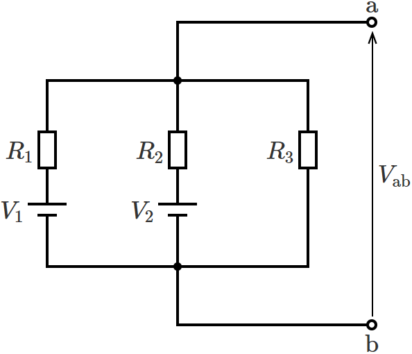
電源が2つ、抵抗が3つある回路
ミルマンの定理を用いて、次の回路の端子電圧 $V_\mathrm{ab}$ を求めてみます。

この回路の枝路は3つなので、ミルマンの定理の式は、
$V_\mathrm{ab} =\dfrac{\dfrac{V_1}{R_1} +\dfrac{V_2}{R_2} +\dfrac{V_3}{R_3}}{\dfrac{1}{R_1} +\dfrac{1}{R_2} +\dfrac{1}{R_3}}$ …⑪ (枝路が3つの場合のミルマンの定理の式)
となります。
ここで、回路図とミルマンの定理の式(⑪式)を見比べてみると、ミルマンの定理の式には電源(の電圧)が3つありますが、回路図には電源が2つしかありません。

このような場合は、回路図の電源がないところには電圧 $0$[$\mathrm{V}$]の電源があるものと考えて、ミルマンの定理の式に代入します。

なので、この場合は、ミルマンの定理の式の $V_3$ にはゼロが代入され、回路の端子電圧 $V_\mathrm{ab}$ は、
$V_\mathrm{ab} =\dfrac{\dfrac{V_1}{R_1} +\dfrac{V_2}{R_2} +\dfrac{0}{R_3}}{\dfrac{1}{R_1} +\dfrac{1}{R_2} +\dfrac{1}{R_3}}$ ($V_3$ に $0$ を代入している)
$\therefore V_\mathrm{ab} =\dfrac{\dfrac{V_1}{R_1} +\dfrac{V_2}{R_2}}{\dfrac{1}{R_1} +\dfrac{1}{R_2} +\dfrac{1}{R_3}}$ …⑫ (端子電圧 $V_\mathrm{ab}$ )
となります。

このように回路に電源がないところがある場合は、電源がないところの電圧はゼロとしてミルマンの定理の式に代入します。
ちなみに、電源がないからといって、例えば次のように左側の2つの枝路だけにミルマンの定理を適用すると間違いになります。

ためしに、左側の2つの枝路だけにミルマンの定理を適用してみると、
$\therefore V_\mathrm{ab} =\dfrac{\dfrac{V_1}{R_1} +\dfrac{V_2}{R_2}}{\dfrac{1}{R_1} +\dfrac{1}{R_2}}$ …⑬ (端子電圧 $V_\mathrm{ab}$(ダメな例))
となり、この⑬は先ほど求めた⑫とは異なります。
回路に電源がないところがある場合には注意しましょう!
次は、「逆向きの電源がある回路」の計算です。
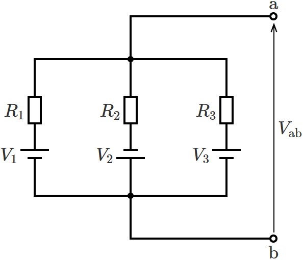
逆向きの電源がある回路
ミルマンの定理を用いて、次の回路の端子電圧 $V_\mathrm{ab}$ を求めてみます。

この回路の枝路は3つなので、ミルマンの定理の式は、
$V_\mathrm{ab} =\dfrac{\dfrac{V_1}{R_1} +\dfrac{V_2}{R_2} +\dfrac{V_3}{R_3}}{\dfrac{1}{R_1} +\dfrac{1}{R_2} +\dfrac{1}{R_3}}$ (枝路が3つの場合のミルマンの定理の式)
となります。
ここで、回路図をみてみると、この回路の真中の電源は他の2つの電源とは逆向きになっています。

このような場合は、逆向きになっている電源の電圧をマイナスにしてミルマンの定理の式に代入します。

なので、この場合は、ミルマンの定理の式の $V_2$ には $-V_2$ が代入され、回路の端子電圧 $V_\mathrm{ab}$ は、
$V_\mathrm{ab} =\dfrac{\dfrac{V_1}{R_1} +\dfrac{-V_2}{R_2} +\dfrac{V_3}{R_3}}{\dfrac{1}{R_1} +\dfrac{1}{R_2} +\dfrac{1}{R_3}}$ ($V_2$ に $-V_2$ を代入している)
$\therefore V_\mathrm{ab} =\dfrac{\dfrac{V_1}{R_1} -\dfrac{V_2}{R_2} +\dfrac{V_3}{R_3}}{\dfrac{1}{R_1} +\dfrac{1}{R_2} +\dfrac{1}{R_3}}$ (端子電圧 $V_\mathrm{ab}$ )
となります。

このように回路に逆向きの電源がある場合は、逆向きの電源の電圧をマイナスにしてミルマンの定理の式に代入します。
回路に逆向きの電源ある場合には注意しましょう!
ミルマンの定理の解説は以上になりますが、ミルマンの定理はおぼえておくとなにかと役に立つ定理ですので、ミルマンの定理の式は公式としておぼえておくといいと思います。
- ミルマンの定理は、抵抗と電源の直列接続が複数並列に接続されている回路において、回路の端子電圧を求めたいときに有用な定理
- ミルマンの定理の式に回路の電源の電圧 $V_1$ 、$V_2$ 、… 、$V_n$ 、抵抗 $R_1$ 、$R_2$ 、… 、$R_n$ を代入すると、回路の端子電圧 $V_\mathrm{ab}$ を求めることができる

スポンサーリンク
スポンサーリンク
ノートンの定理 ←BACK
NEXT→ 分圧の法則による直流回路の計算
スポンサーリンク
ミルマンの定理 関連ページ
- 合成抵抗の求め方(計算方法)
- 合成抵抗の計算は直流回路、交流回路の計算をするときの基本になります。合成抵抗の計算は複雑そうに思えますが、基本的には、抵抗が2個の場合の直列接続または並列接続の合成抵抗の求め方さえ分かっていれば、ほとんどの回路の合成抵抗を求めることができます。
- 短絡されている抵抗がある場合の合成抵抗の求め方
- 短絡されている抵抗がある場合の合成抵抗の求め方について解説しています。回路に短絡されている抵抗があるんだけど、どうやって合成抵抗を求めるの?なんてときに参考にしてみてください。
- 重ね合わせの理
- 重ね合わせの理について解説しています。重ね合わせの理は、重ね合わせの定理、重ねの理とも呼ばれ、回路に電源が複数ある場合によく使われる定理です。電圧源が2つある回路や、電圧源と電流源が混在した回路などの重ね合わせの理を使った計算方法についても解説していますので参考にしてみてください。
- テブナンの定理
- テブナンの定理(鳳-テブナンの定理)について解説しています。テブナンの定理は等価電圧源の定理とも呼ばれ、回路の特定の素子に流れる電流を求めるときに有用な定理です。テブナンの定理を使った回路の計算方法や、テブナンの定理の証明についても解説していますので参考にしてみてください。
- ノートンの定理
- ノートンの定理について解説しています。ノートンの定理は等価電流源の定理とも呼ばれ、回路の特定の素子にかかる電圧を求めるときに有用な定理です。ノートンの定理を使った回路の計算方法などについても解説していますので参考にしてみてください。
- 分圧の法則による直流回路の計算
- 分圧の法則を使った直流回路の計算方法の例です。分圧の法則は直流回路、交流回路どちらでも使える法則で、回路計算の基本になります。
- 分流の法則による直流回路の計算
- 分流の法則を使った直流回路の計算方法の例です。分流の法則は直流回路、交流回路どちらでも使える法則で、回路計算の基本になります。
- ループ解析(基本)
- 直流回路の計算をするときによく使われる「ループ解析」の方法と基本的な手順について解説しています。ループ解析はキルヒホッフの第二法則(電圧則)を応用した電気回路の計算方法です。
- 電圧源と電流源の等価変換
- 電圧源と電流源の等価変換について解説しています。電圧源と電流源が等価になるための条件や、電圧源から電流源、電流源から電圧源への等価変換のやり方などについて解説していますので参考にしてみてください。
- 電源から供給できる最大電力(最大有能電力)
- 電源から供給できる最大電力(最大有能電力)について解説しています。内部抵抗をもつ電源は、負荷に供給できる電力に上限(限界)があります。電源からの供給電力が最大になるための条件や、負荷に供給できる電源の最大電力(最大有能電力)などについて解説していますので、参考にしてみてください。
- コンデンサの静電容量と電荷の計算の基本(直列接続と並列接続)
- コンデンサの静電容量と電荷の計算の基本についてまとめています。コンデンサの計算は、コンデンサ2個を直列接続または並列接続したときの考え方と計算方法が基本になります。
- 合成静電容量の求め方(計算方法)
- 合成静電容量の計算は直流回路、交流回路の計算をするときの基本になります。合成静電容量の計算は複雑そうに思えますが、基本的には、コンデンサが2個の場合の直列接続または並列接続の合成静電容量の求め方さえ分かっていれば、ほとんどの回路の合成静電容量を求めることができます。
- ジュール熱とジュールの法則
- 抵抗や金属などの導体に電流が流れたときに発生するジュール熱と、ジュールの法則について解説しています。ジュール熱が発生する理由(原理)についても解説していますので、ジュール熱・ジュールの法則の勉強の参考にしてみてください。

