スポンサーリンク
第二種電気工事士 候補問題の単線図の解説 令和6年度No.12
※ページ内にPR・広告が含まれる場合があります。
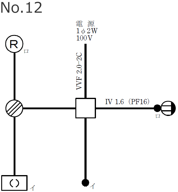
令和6年度(2024年度)第二種電気工事士技能試験の候補問題No.12の単線図(配線図)の解説です。

令和6年度(2024年度)の候補問題No.12の単線図は、合成樹脂製可とう電線管(PF16)がある単線図です。
ちなみに、この候補問題No.12は、令和5年度の候補問題No.12と同じです。
スポンサーリンク
電源と電源の位置
単線図に書かれている「電源 1Φ2W 100V」は、電源が単相2線式100Vであることを表わします。
単相2線式100Vは電線2本で100Vの電気を供給する電源で、「電源 1Φ2W 100V」の「1Φ」は単相、「2W」は2線式、「100V」は電圧100Vを意味します。

単線図中の「電源 1Φ2W 100V」と書かれてあるところが、この候補問題No.12の電源の位置になります。

配線のルート
単線図に書かれている太い線は、配線のルート(配線の配置)を表わします。
配線は、単線図の太い線のところを通るように配置します。

使うケーブルと絶縁電線の種類
単線図に書かれている「VVF2.0-2C」は、その部分に使うケーブルがVVF2.0-2Cであることを表わします。
また、単線図に書かれている「IV1.6」は、その部分に使う絶縁電線がIV1.6であることを表わします。



なお、第二種電気工事士技能試験の候補問題の単線図では、ケーブルまたは絶縁電線の種類が書かれていない部分の配線は、VVF1.6のケーブル(VVF1.6-2CまたはVVF1.6-3C)になります。


使う電線管の種類
単線図に書かれている「PF16」※は、その部分に使う電線管が合成樹脂製可とう電線管(PF管)であることを表わします。(※数字は管内径に近い偶数値)
なお、この候補問題No.12のように「IV1.6(PF16)」と書かれてある場合には、IV1.6の絶縁電線をPF16の合成樹脂製可とう電線管(PF管)に通すという意味になります。

器具の種類と配置
単線図に書かれている器具の図記号は、取り付ける器具の種類と配置を表わします。
なので、この候補問題No.12の場合、

となります。
ただし、第二種電気工事士技能試験ではVVF用ジョイントボックスは支給されないので、VVF用ジョイントボックスの取り付けは省略されます。
ちなみに、VVF用ジョイントボックスとアウトレットボックスは、こういうのです。

スイッチと器具の対応
単線図に書かれているカタカナの「イ」「ロ」は、スイッチと器具の対応を表わします。
なので、この候補問題No.12の場合、

となります。
スポンサーリンク
スポンサーリンク
単線図で使われている図記号などの意味はこちらの第二種電気工事士技能試験の単線図で使われる図記号のページにまとめていますので、単線図の図記号をまだおぼえていない方は参考にしてみてください。
令和6年度の各候補問題の複線図の書き方はこちら
⇒ 令和6年度 第二種電気工事士技能試験の候補問題の複線図の書き方
のページを参考にしてみてください。
令和6年度の候補問題の単線図と複線図の一覧表はこちら
⇒ 令和6年度 第二種電気工事士技能試験 候補問題の単線図と複線図の一覧表
スポンサーリンク
第二種電気工事士 候補問題の単線図の解説 令和6年度No.12 関連ページ
- 第二種電気工事士 候補問題の単線図の解説 令和6年度No.1
- 令和6年度(2024年度)第二種電気工事士技能試験の候補問題No.1の単線図(配線図)について解説しています。令和6年度の候補問題No.1の単線図は、3つのスイッチ(1つは位置表示灯内蔵スイッチ)で3種類の器具をON/OFFする単線図です。
- 第二種電気工事士 候補問題の単線図の解説 令和6年度No.2
- 令和6年度(2024年度)第二種電気工事士技能試験の候補問題No.2の単線図(配線図)について解説しています。令和6年度の候補問題No.2の単線図は、常時点灯の確認表示灯(パイロットランプ)と、2口コンセントがある単線図です。
- 第二種電気工事士 候補問題の単線図の解説 令和6年度No.3
- 令和6年度(2024年度)第二種電気工事士技能試験の候補問題No.3の単線図(配線図)について解説しています。令和6年度の候補問題No.3の単線図は、タイムスイッチと接地極付コンセントがある単線図です。
- 第二種電気工事士 候補問題の単線図の解説 令和6年度No.4
- 令和6年度(2024年度)第二種電気工事士技能試験の候補問題No.4の単線図(配線図)について解説しています。令和6年度の候補問題No.4の単線図は、配線用遮断器、漏電遮断器(過負荷保護付)、三相電動機(施工省略)、電源表示灯がある単線図です。
- 第二種電気工事士 候補問題の単線図の解説 令和6年度No.5
- 令和6年度(2024年度)第二種電気工事士技能試験の候補問題No.5の単線図(配線図)について解説しています。令和6年度の候補問題No.5の単線図は、配線用遮断器、漏電遮断器(過負荷保護付)、接地端子、接地極付コンセント(20A250V)がある単線図です。
- 第二種電気工事士 候補問題の単線図の解説 令和6年度No.6
- 令和6年度(2024年度)第二種電気工事士技能試験の候補問題No.6の単線図(配線図)について解説しています。令和6年度の候補問題No.6の単線図は、3路スイッチと露出形コンセントがある単線図です。
- 第二種電気工事士 候補問題の単線図の解説 令和6年度No.7
- 令和6年度(2024年度)第二種電気工事士技能試験の候補問題No.7の単線図(配線図)について解説しています。令和6年度の候補問題No.7の単線図は、3路スイッチと4路スイッチがある単線図です。
- 第二種電気工事士 候補問題の単線図の解説 令和6年度No.8
- 令和6年度(2024年度)第二種電気工事士技能試験の候補問題No.8の単線図(配線図)について解説しています。令和6年度の候補問題No.8の単線図は、リモコンリレー(リモコン回路)の単線図です。
- 第二種電気工事士 候補問題の単線図の解説 令和6年度No.9
- 令和6年度(2024年度)第二種電気工事士技能試験の候補問題No.9の単線図(配線図)について解説しています。令和6年度の候補問題No.9の単線図は、接地極付接地端子付コンセントがある単線図です。
- 第二種電気工事士 候補問題の単線図の解説 令和6年度No.10
- 令和6年度(2024年度)第二種電気工事士技能試験の候補問題No.10の単線図(配線図)について解説しています。令和6年度の候補問題No.10の単線図は、配線用遮断器、同時点滅の確認表示灯(パイロットランプ)がある単線図です。
- 第二種電気工事士 候補問題の単線図の解説 令和6年度No.11
- 令和6年度(2024年度)第二種電気工事士技能試験の候補問題No.11の単線図(配線図)について解説しています。令和6年度の候補問題No.11の単線図は、ねじなし電線管(E19)がある単線図です。
- 第二種電気工事士 候補問題の単線図の解説 令和6年度No.13
- 令和6年度(2024年度)第二種電気工事士技能試験の候補問題No.13の単線図(配線図)について解説しています。令和6年度の候補問題No.13の単線図は、自動点滅器と接地極付コンセントがある単線図です。

