スポンサーリンク
第二種電気工事士 候補問題の単線図の解説 平成30年度No.8
※ページ内にPR・広告が含まれる場合があります。
このページに掲載している候補問題の単線図の解説は、平成30年度(2018年度)の候補問題の単線図の解説です。令和6年度(2024年度)の候補問題の単線図の解説は、こちらの令和6年度 第二種電気工事士技能試験の候補問題の単線図の解説のページを参考にしてみてください。
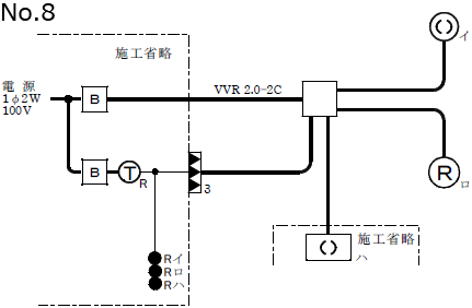
平成30年度(2018年度)第二種電気工事士技能試験の候補問題No.8の単線図(配線図)の解説です。

平成30年度(2018年度)の候補問題No.8の単線図は、
リモコンリレー(リモコン回路)の単線図です。
ちなみに、この候補問題No.8は、平成29年度の候補問題No.8と同じです。
スポンサーリンク
電源
単線図に書かれている「電源 1Φ2W 100V」は、電源が単相2線式100Vであることを表わします。
単相2線式100Vは電線2本で100Vの電気を供給する電源で、「電源 1Φ2W 100V」の「1Φ」は単相、「2W」は2線式、「100V」は電圧100Vを意味します。
この候補問題No.8の場合、「電源 1Φ2W 100V」とつながっている配線用遮断器から単相100Vの電源が回路に供給されます。

配線のルート
単線図に書かれている太い線は、配線のルート(配線の配置)を表わします。
配線は、単線図の太い線のところを通るように配置します。

使うケーブルの種類
単線図に書かれている「VVR2.0-2C」は、その部分に使うケーブルがVVR2.0-2Cであることを表わします。

なお、第二種電気工事士技能試験の候補問題では、ケーブルまたは絶縁電線の種類が書かれていない部分の配線は、VVF1.6-2CまたはVVF1.6-3Cのケーブルになります。
施工省略
施工省略と書かれていて一点鎖線で囲まれているところは、施工省略の範囲(施工しなくてよい範囲)を表わします。
この候補問題No.8の場合、リモコンリレーの左側の部分と、「ハ」の引掛シーリング(角形)の部分が施工省略範囲になっています。
なので、リモコンリレーの左側の部分と、「ハ」の引掛シーリング(角形)の部分の施工は不要です。

器具の種類と配置
単線図に書かれている器具の図記号は、取り付ける器具の種類と配置を表わします。
なので、この候補問題No.8の場合、

となります。
なお、第二種電気工事士技能試験では例年、この候補問題No.8のような単線図の場合、リモコンリレーの実物は使われず、リモコンリレーは6極の端子台で代用されています。なので、例年通りリモコンリレーが端子台で代用される場合には、単線図のリモコンリレーの図記号のところには端子台が取り付けられます。
スイッチと器具の対応
単線図に書かれているカタカナは、スイッチと器具の対応を表わします。
なので、この候補問題No.8の場合、

となります。
スポンサーリンク
スポンサーリンク
単線図で使われている図記号などの意味はこちらの第二種電気工事士技能試験の単線図で使われる図記号のページにまとめていますので、単線図の図記号をまだおぼえていない方は参考にしてみてください。
平成30年度の各候補問題の複線図の書き方はこちらの平成30年度 第二種電気工事士技能試験の候補問題の複線図の書き方のページ、平成30年度の候補問題の単線図(配線図)と複線図の一覧表はこちらの平成30年度 第二種電気工事士技能試験 候補問題の単線図と複線図の一覧表のページを参考にしてみてください。
スポンサーリンク
第二種電気工事士 候補問題の単線図の解説 平成30年度No.8 関連ページ
- 第二種電気工事士 候補問題の単線図の解説 平成30年度No.1
- 平成30年度(2018年度)第二種電気工事士技能試験の候補問題No.1の単線図(配線図)について解説しています。平成30年度の候補問題No.1の単線図は、3つのスイッチ(1つは位置表示灯内蔵スイッチ)で3種類の器具をON/OFFする単線図です。
- 第二種電気工事士 候補問題の単線図の解説 平成30年度No.2
- 平成30年度(2018年度)第二種電気工事士技能試験の候補問題No.2の単線図(配線図)について解説しています。平成30年度の候補問題No.2の単線図は、常時点灯の確認表示灯(パイロットランプ)と、2口コンセントがある単線図です。
- 第二種電気工事士 候補問題の単線図の解説 平成30年度No.3
- 平成30年度(2018年度)第二種電気工事士技能試験の候補問題No.3の単線図(配線図)について解説しています。平成30年度の候補問題No.3の単線図は、タイムスイッチがある単線図です。
- 第二種電気工事士 候補問題の単線図の解説 平成30年度No.4
- 平成30年度(2018年度)第二種電気工事士技能試験の候補問題No.4の単線図(配線図)について解説しています。平成30年度の候補問題No.4の単線図は、配線用遮断器、漏電遮断器(過負荷保護付)、三相電動機(施工省略)、電源表示灯がある単線図です。
- 第二種電気工事士 候補問題の単線図の解説 平成30年度No.5
- 平成30年度(2018年度)第二種電気工事士技能試験の候補問題No.5の単線図(配線図)について解説しています。平成30年度の候補問題No.5の単線図は、配線用遮断器、漏電遮断器(過負荷保護付)、接地端子、接地極付コンセント(定格20A250V)がある単線図です。
- 第二種電気工事士 候補問題の単線図の解説 平成30年度No.6
- 平成30年度(2018年度)第二種電気工事士技能試験の候補問題No.6の単線図(配線図)について解説しています。平成30年度の候補問題No.6の単線図は、3路スイッチと露出形コンセントがある単線図です。
- 第二種電気工事士 候補問題の単線図の解説 平成30年度No.7
- 平成30年度(2018年度)第二種電気工事士技能試験の候補問題No.7の単線図(配線図)について解説しています。平成30年度の候補問題No.7の単線図は、3路スイッチと4路スイッチがある単線図です。
- 第二種電気工事士 候補問題の単線図の解説 平成30年度No.9
- 平成30年度(2018年度)第二種電気工事士技能試験の候補問題No.9の単線図(配線図)について解説しています。平成30年度の候補問題No.9の単線図は、接地極付接地端子付コンセントがある単線図です。
- 第二種電気工事士 候補問題の単線図の解説 平成30年度No.10
- 平成30年度(2018年度)第二種電気工事士技能試験の候補問題No.10の単線図(配線図)について解説しています。平成30年度の候補問題No.10の単線図は、配線用遮断器、同時点滅の確認表示灯(パイロットランプ)がある単線図です。
- 第二種電気工事士 候補問題の単線図の解説 平成30年度No.11
- 平成30年度(2018年度)第二種電気工事士技能試験の候補問題No.11の単線図(配線図)について解説しています。平成30年度の候補問題No.11の単線図は、ねじなし電線管(E19)がある単線図です。
- 第二種電気工事士 候補問題の単線図の解説 平成30年度No.12
- 平成30年度(2018年度)第二種電気工事士技能試験の候補問題No.12の単線図(配線図)について解説しています。平成30年度の候補問題No.12の単線図は、合成樹脂製可とう電線管(PF16)がある単線図です。
- 第二種電気工事士 候補問題の単線図の解説 平成30年度No.13
- 平成30年度(2018年度)第二種電気工事士技能試験の候補問題No.13の単線図(配線図)について解説しています。平成30年度の候補問題No.13の単線図は、自動点滅器がある単線図です。

