スポンサーリンク
平成25年度(2013年度)候補問題No.13単線図の解説
※ページ内にPR・広告が含まれる場合があります。
このページに掲載している候補問題の単線図の解説は、平成25年度(2013年度)の候補問題の単線図の解説です。令和6年度(2024年度)の候補問題の単線図の解説は、こちらの令和6年度 第二種電気工事士技能試験の候補問題の単線図の解説のページを参考にしてみてください。
平成25年度(2013年度)候補問題No.13単線図の解説です。

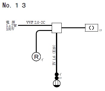
平成25年度(2013年度)候補問題No.13単線図
平成25年度(2013年度)候補問題No.13の単線図は
ねじなし電線管を使用した単線図
です。
平成25年度の場合、ねじなし電線管を使用した候補問題はこのNo.13だけになります。
スポンサーリンク
電源
電源は「1Φ2W100V」と書かれていますので、単相2線式100Vの電源になります。
単相2線式100Vの電源とは、電線2本で100Vの電気を供給する電源で、住宅などによくあるコンセントの電源と同じです。
スイッチ
この候補問題No.13の場合、スイッチが2個あってそれぞれ「イ」「ロ」なので、「イ」のスイッチで左下の「イ」のランプレセプタクルがON/OFFして、「ロ」のスイッチで右上の「ロ」の引掛シーリング(角形)がON/OFFします。
アウトレットボックス
単線図の「四角」で書かれているものはアウトレットボックスで、電線はこのアウトレットボックスの中で接続されます。
使用するケーブルの指示
単線図の中で使用するケーブルの種類が指示されていないところでは、VVF1.6-2CまたはVVF1.6-3Cのケーブルを使用しますが、使用するケーブルの種類が単線図中で指示されているところではその指示されているケーブルを使用しなければなりません。
候補問題No.13の場合、電源が接続されるところに「VVF2.0-2C」、「イ」のスイッチが接続されるところに「IV1.6」を使うように指示されています。
<VVF2.0-2C>
VVF2.0-2Cとは、
VVF:VVFケーブル(ケーブルの外装が平らなケーブル)
2.0:電線の心線の直径が2.0mm
2C:ケーブルの心数が2
という意味です。
<IV1.6>
IV1.6とは、
IV:ビニル絶縁電線
1.6:電線の心線の直径が1.6mm
という意味で、IV電線とよばれています。
また、VVFケーブルなどは外装(ケーブルの被覆)がありますが、このIV電線はケーブルではなく絶縁電線なので外装がありません。
ねじなし電線管
単線図中に記載されている「IV1.6(E19)」とは、
「外径が19mmのねじなし電線管の中にIV1.6を通しなさい」
という意味です。
ねじなし電線管とは、金属でできた電線管のことで、E19の「E」がねじなし電線管、「19」が電線管の外径が19mmであることを表わしています。
合成樹脂製可とう電線管(PF管)とは内径、外径の表し方が逆になるので注意しましょう。
スポンサーリンク
スポンサーリンク
複線図の書き方については、平成25年度No.13候補問題の複線図の書き方のページを参考にしてみてください。
単線図で使用されている図記号などの意味はこちらのページにまとめていますので、単線図の図記号をまだおぼえていない方は参考にしてみてください。
平成25年度単線図No.12の解説 ←BACK
NEXT→ 第二種電気工事士(技能試験対策)のTOP
スポンサーリンク
平成25年度(2013年度)候補問題No.13単線図の解説 関連ページ
- 候補問題No.1単線図の解説
- 電気技術者試験センターから公表された平成25年度(2013年度)候補問題No.1の単線図の解説です。平成25年度候補問題No.1は、常時点灯の確認表示灯(パイロットランプ)と2口コンセントがある単線図です。
- 候補問題No.2単線図の解説
- 電気技術者試験センターから公表された平成25年度(2013年度)候補問題No.2の単線図の解説です。平成25年度候補問題No.2は、リモコンリレーの単線図です。ケーブルにはVVRケーブル(丸形のケーブル)が使用されていますので、施工する際はケーブルを間違わないように注意が必要です。
- 候補問題No.3単線図の解説
- 電気技術者試験センターから公表された平成25年度(2013年度)候補問題No.3の単線図の解説です。平成25年度候補問題No.3は、接地端子と接地線がある単線図です。
- 候補問題No.4単線図の解説
- 電気技術者試験センターから公表された平成25年度(2013年度)候補問題No.4の単線図の解説です。平成25年度候補問題No.4は、配線用遮断器と漏電遮断器、接地極付20A250Vコンセントがある単線図です。
- 候補問題No.5単線図の解説
- 電気技術者試験センターから公表された平成25年度(2013年度)候補問題No.5の単線図の解説です。平成25年度候補問題No.5は、位置表示灯内蔵スイッチがあり、また、電源のケーブルにはEM-EEF(通称エコケーブル)が使用されている単線図です。
- 候補問題No.6単線図の解説
- 電気技術者試験センターから公表された平成25年度(2013年度)候補問題No.6の単線図の解説です。平成25年度候補問題No.6は、確認表示灯(パイロットランプ)がある単線図で、確認表示灯には常時点灯、同時点滅、異時点滅がありますが、このNo.6は同時点滅になります。
- 候補問題No.7単線図の解説
- 電気技術者試験センターから公表された平成25年度(2013年度)候補問題No.7の単線図の解説です。平成25年度候補問題No.7は、三路スイッチと四路スイッチを使用した単線図です。三路スイッチと四路スイッチを使った候補問題は毎年出題されています。
- 候補問題No.8単線図の解説
- 電気技術者試験センターから公表された平成25年度(2013年度)候補問題No.8の単線図の解説です。平成25年度候補問題No.8は、配線用遮断器と漏電遮断器、三相モータ(施工省略)、電源表示灯がある単線図です。電源表示灯とは、電源がきているかいないかを表示灯(ランプ)により確認できるものです。
- 候補問題No.9単線図の解説
- 電気技術者試験センターから公表された平成25年度(2013年度)候補問題No.9の単線図の解説です。平成25年度候補問題No.9は、メタルラス壁、三路スイッチ、露出形コンセントを使用した単線図です。平成25年度の場合、メタルラス壁と露出形コンセントを使用した単線図はこのNo.9だけになります。
- 候補問題No.10単線図の解説
- 電気技術者試験センターから公表された平成25年度(2013年度)候補問題No.10の単線図の解説です。平成25年度候補問題No.10は、スイッチが3個ある単線図です。スイッチが3個ある単線図は、平成25年度の場合、このNo.10だけになります。
- 候補問題No.11単線図の解説
- 電気技術者試験センターから公表された平成25年度(2013年度)候補問題No.11の単線図の解説です。平成25年度候補問題No.11は、自動点滅器を使用した単線図です。ケーブルはVVRケーブル(丸形のケーブル)が使用されていますので、施工する際はケーブルを間違わないように注意が必要です。
- 候補問題No.12単線図の解説
- 電気技術者試験センターから公表された平成25年度(2013年度)候補問題No.12の単線図の解説です。平成25年度候補問題No.12は、合成樹脂製可とう電線管(通称PF管)を使用した単線図です。

