スポンサーリンク
第二種電気工事士技能試験の施工条件の解説 令和4年度(候補No.11)
※ページ内にPR・広告が含まれる場合があります。
令和4年度(2022年度)の第二種電気工事士技能試験で出題された課題候補No.11(公表問題No.11)の施工条件の解説です。
施工条件は技能試験で課題を作るときに必ず従わなければならない条件ですので、技能試験を受験する方は、施工条件に書かれている内容の意味を理解できるようにしておきましょう。
令和4年度の技能試験で出題された課題と施工条件(候補No.11)



候補No.11は、上期技能試験(7月23日(土)、7月24日(日))および下期技能試験(12月24日(土)、12月25日(日))で出題されましたが、試験問題はどれも同じです。
では、施工条件について1から順番に解説していきます。
スポンサーリンク
施工条件1
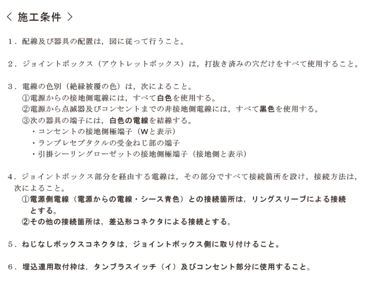
1.配線及び器具の配置は、図に従って行うこと。
これは読んだそのまんまの意味で、配線と器具の配置は、単線図(配線図)と同じにしてね!ということなので、

ということになります。
第二種電気工事士技能試験の単線図(配線図)に使われている図記号については、こちらの第二種電気工事士技能試験の単線図で使われる図記号のページにまとめていますので参考にしてみてください。
単線図(配線図)に書かれている寸法は施工寸法で、器具の中心から器具の中心までの寸法です。第二種電気工事士技能試験では、完成した作品の寸法が単線図(配線図)で指示されている施工寸法の50%以下になっていると欠陥になります。施工寸法50%で課題を作るとどうなるか気になる方は、こちらの第二種電気工事士技能試験の課題を施工寸法50%で作ってみたのページを参考にしてみてください。
施工条件2
2.ジョイントボックス(アウトレットボックス)は、打抜き済みの穴だけをすべて使用すること。
新品(未使用)のアウトレットボックスの場合は穴はどこにもあいていないんですが、技能試験のときに支給されるアウトレットボックスには既に穴があけられています。
なので、あけられている穴をすべて使って作ってね!という意味ですね。

ここでちょっと注意ですが、技能試験のときに支給されるアウトレットボックスには既に穴があいているので、ケーブルを通す穴を間違えると穴が無い!って大変なことになります。使う穴(アウトレットボックスの向き)を間違えないようにしましょう。
スポンサーリンク
スポンサーリンク
施工条件3
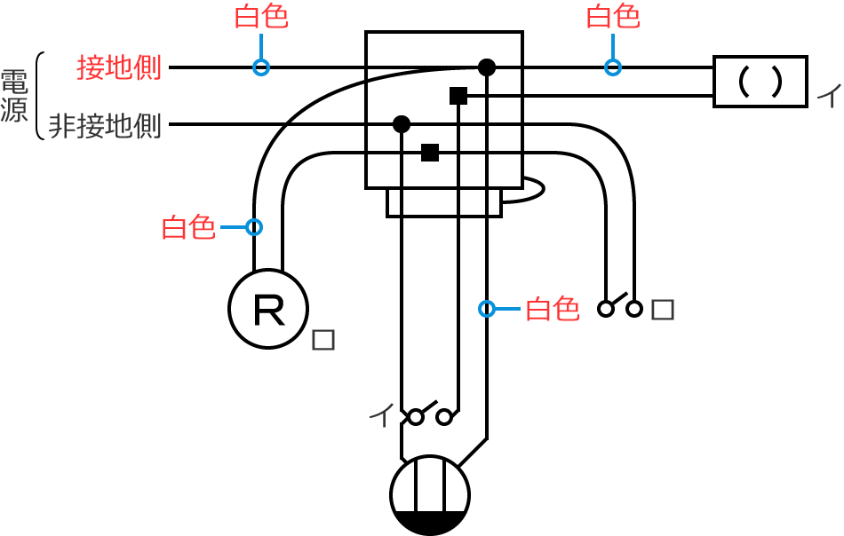
3.電線の色別(絶縁被覆の色)は、次によること。
①電源からの接地側電線には、すべて白色を使用する。
②電源から点滅器及びコンセントまでの非接地側電線には、すべて黒色を使用する。
③次の器具の端子には、白色の電線を結線する。
・コンセントの接地側極端子(Wと表示)
・ランプレセプタクルの受金ねじ部の端子
・引掛シーリングローゼットの接地側極端子(接地側と表示)
この施工条件3は電線の絶縁被覆の色についての施工条件で、電線の色については施工条件で毎度指示されています。
電源からの電線の色については、電源の接地側に接続される電線(接地側電線)の色は「白色」、電源の非接地側に接続される電線(非接地側電線)の色は「黒色」になります。

この電源からの電線の色については、どの問題にも書かれているので必ずおぼえておきましょう。
では、①から解説します。
①電源からの接地側電線には、すべて白色を使用する。
これは、電源の接地側に接続される電線(接地側電線)には白色の電線を使ってね!という意味なので、つまり、電源の接地側から接続されている器具まで電線をたどっていくと、その電線の色はすべて白色になっていなければなりません。ということです。

令和4年度の候補問題No.11の複線図の書き方については、こちらの第二種電気工事士 候補問題の複線図の書き方 令和4年度No.11のページを参考にしてみてください。
②電源から点滅器及びコンセントまでの非接地側電線には、すべて黒色を使用する。
これは、電源の非接地側から点滅器(スイッチ)、コンセントまで接続される電線(非接地側電線)には黒色の電線を使ってね!という意味なので、つまり、電源の非接地側から点滅器(スイッチ)、コンセントまで電線をたどっていくと、その電線の色はすべて黒色になっていなければなりません。ということです。

③次の器具の端子には、白色の電線を結線する。
コンセントの接地側極端子(Wと表示)
コンセントに電線を結線するときは裏面にある穴に電線を差込んで結線しますが、この課題で使われるコンセントには、接地側電線(白色の電線)はこっちの穴に結線しなければならないという決まりがあります。(これを、「極性がある」と言います。)
極性がある器具とない器具については、こちらの第二種電気工事士技能試験で使われる極性がある器具とない器具のページを参考にしてみてください。
その決まり通りに電線を結線するためには、どっちの穴に接地側電線を結線するかが分からないといけないので、

この課題で使われるコンセントには、接地側電線を結線する穴の方に接地側を表わす記号が表示(写真のコンセントの場合は「W」と表示)されています。

この接地側を表わす記号が表示されている穴の方が接地側極端子になるので、この施工条件の意味は、コンセントの接地側を表わす記号が表示されている方に白色の電線を結線してね!ということになります。
ランプレセプタクルの受金ねじ部の端子
ランプレセプタクルの受金ねじ部とは、電球(ランプ)が取り付けられる金属製の部分のことで、ネジになっているところのことです。

なので、この施工条件の意味は、受金ねじ部とつながっている端子(ネジ)には白色の電線を結線してね!ということになります。
引掛シーリングローゼットの接地側極端子(接地側と表示)
引掛シーリングローゼット(引掛シーリング)に電線を結線するときは裏面にある穴に電線を差込んで結線しますが、引掛シーリングにも先ほどのコンセントと同じように、接地側電線(白色の電線)はこっちの穴に結線しなければならないという決まりがあります。(極性がある。)
その決まり通りに引掛シーリングに電線を結線するためには、どっちの穴に接地側電線を結線するかが分からないといけないので、

引掛シーリングには、接地側電線を結線する穴の方に接地側を表わす記号が表示(写真の引掛シーリングの場合は「接地側」と表示)されています。

この接地側を表わす記号が表示されている穴の方が接地側極端子になるので、この施工条件の意味は、引掛シーリングの接地側を表わす記号が表示されている方に白色の電線を結線してね!ということになります。
施工条件4
4.ジョイントボックス部分を経由する電線は、その部分ですべて接続箇所を設け、接続方法は、次によること。
①電源側電線(電源からの電線・シース青色)との接続箇所は、リングスリーブによる接続とする。
②その他の接続箇所は、差込形コネクタによる接続とする。
電線と電線はボックス部分で接続されます。ボックスは電線の接続部分を収納する箱みたいなもので、第二種電気工事士技能試験の単線図にでてくるボックスには、「VVF用ジョイントボックス」と「ジョイントボックス(アウトレットボックス)」があります。
VVF用ジョイントボックスは支給されないので技能試験では取り付けが省略されますが、アウトレットボックスは支給されるのでアウトレットボックスを使う課題が出題されたときには、ちゃんと取り付けなければなりません。
この課題の場合はアウトレットボックスなので、アウトレットボックスを取り付けなければなりませんね。

それで施工条件ですが、「電源側電線(電源からの電線・シース青色)との接続箇所は、リングスリーブによる接続」、「その他の接続箇所は、差込形コネクタによる接続」と書いてあるので、
電源からの電線と接続される箇所にはリングスリーブを使ってね!
その他の箇所には差込形コネクタを使ってね!
ということになります。

ちなみに、施工条件に書かれてある「シース」とはケーブルの外装被覆のことで、シースが青色のケーブルはこんなのです。

ね? 外装被覆が青いでしょ。
この外装被覆(シース)が青色のケーブルの電線が接続されるところは、「リングスリーブで接続してください」ということですね。
ついでに、リングスリーブと差込形コネクタはこんなのです。

施工条件5
5.ねじなしボックスコネクタは、ジョイントボックス側に取り付けること。
ねじなしボックスコネクタ(写真はロックナットと絶縁ブッシング付き)はこんなので、

このねじなしボックスコネクタが2個支給された場合には、ねじなしボックスコネクタをねじなし電線管の両端に取り付けます。

ですが、令和4年度の技能試験(候補No.11)で支給されたねじなしボックスコネクタは1個で、施工条件には「ねじなしボックスコネクタは、ジョイントボックス側に取り付けること。」と書いてあるので、この場合は、ねじなしボックスコネクタはジョイントボックス(アウトレットボックス)側だけに取り付けてね!ということになります。

施工条件6
6.埋込連用取付枠は、タンブラスイッチ(イ)及びコンセント部分に使用すること。
埋込連用取付枠はこんな枠で、

この枠にタンブラスイッチやコンセントなどの埋込連用器具が取り付けられます。
この課題の場合、埋込連用取付枠を取り付けることができるのは「「イ」のタンブラスイッチとコンセント」のところと「「ロ」のタンブラスイッチ」のところの2箇所ですが、施工条件に「埋込連用取付枠は、タンブラスイッチ(イ)及びコンセント部分に使用すること。」と書いてあるので、この施工条件の意味は、埋込連用取付枠は、「ロ」のタンブラスイッチには取り付けないで、「イ」のタンブラスイッチとコンセントのところに取り付けてね!ということになります。

ちなみに、施工条件に従わずに「ロ」のタンブラスイッチの方へ埋込連用取付枠を取り付けてしまうと、欠陥!になるので気を付けましょう!
令和4年度(2022年度)の第二種電気工事士技能試験で出題された課題(候補No.11)の施工条件の解説は以上ですが、施工条件は毎回同じとは限りませんので、施工条件に書いてある内容を読んで理解できるようにしておきましょう。
それから、施工条件通りに作らないと欠陥(不合格)になります。技能試験の欠陥については、こちらの第二種電気工事士技能試験の欠陥と欠陥の判断基準のページにまとめていますので、どのようなものが欠陥になるのか確認しておくといいと思います。
スポンサーリンク
スポンサーリンク
このページに掲載の単線図および施工条件は、(一財)電気技術者試験センターが作成した第二種電気工事士技能試験の試験問題から抜粋したものです。
スポンサーリンク
第二種電気工事士技能試験の施工条件の解説 令和4年度(候補No.11) 関連ページ
- 第二種電気工事士の技能試験では必ず施工条件を読もう!
- 第二種電気工事士技能試験の本番の試験で、試験問題に書かれている「施工条件」を読まないと間違ったモノを作ってしまったりします。施工条件に従っていないモノを作ると不合格になりますので、必ず問題用紙に書かれている施工条件読むようにしましょう!
- 第二種電気工事士技能試験の施工条件の解説 令和6年度(候補No.1)
- 令和6年度(2024年度)に実施された第二種電気工事士技能試験(候補No.1)の施工条件の解説です。施工条件に従わないと欠陥(不合格)になりますので、施工条件は必ず読んで理解できるようにしておきましょう。令和6年度の候補No.1(公表問題No.1)は、位置表示灯内蔵スイッチがある課題です。
- 第二種電気工事士技能試験の施工条件の解説 令和6年度(候補No.2)
- 令和6年度(2024年度)に実施された第二種電気工事士技能試験(候補No.2)の施工条件の解説です。施工条件に従わないと欠陥(不合格)になりますので、施工条件は必ず読んで理解できるようにしておきましょう。令和6年度の候補No.2(公表問題No.2)は、常時点灯のパイロットランプと2口コンセントがある課題です。
- 第二種電気工事士技能試験の施工条件の解説 令和6年度(候補No.3)
- 令和6年度(2024年度)に実施された第二種電気工事士技能試験(候補No.3)の施工条件の解説です。施工条件に従わないと欠陥(不合格)になりますので、施工条件は必ず読んで理解できるようにしておきましょう。令和6年度の候補No.3(公表問題No.3)は、タイムスイッチと接地極付コンセントがある課題です。
- 第二種電気工事士技能試験の施工条件の解説 令和6年度(候補No.4)
- 令和6年度(2024年度)に実施された第二種電気工事士技能試験(候補No.4)の施工条件の解説です。施工条件に従わないと欠陥(不合格)になりますので、施工条件は必ず読んで理解できるようにしておきましょう。令和6年度の候補No.4(公表問題No.4)は、100V回路と200V回路(電源表示灯)がある課題です。
- 第二種電気工事士技能試験の施工条件の解説 令和6年度(候補No.5)
- 令和6年度(2024年度)に実施された第二種電気工事士技能試験(候補No.5)の施工条件の解説です。施工条件に従わないと欠陥(不合格)になりますので、施工条件は必ず読んで理解できるようにしておきましょう。令和6年度の候補No.5(公表問題No.5)は、100V回路と200V回路(接地極付コンセント)がある課題です。
- 第二種電気工事士技能試験の施工条件の解説 令和6年度(候補No.6)
- 令和6年度(2024年度)に実施された第二種電気工事士技能試験(候補No.6)の施工条件の解説です。施工条件に従わないと欠陥(不合格)になりますので、施工条件は必ず読んで理解できるようにしておきましょう。令和6年度の候補No.6(公表問題No.6)は、3路スイッチと露出形コンセントがある課題です。
- 第二種電気工事士技能試験の施工条件の解説 令和6年度(候補No.7)
- 令和6年度(2024年度)に実施された第二種電気工事士技能試験(候補No.7)の施工条件の解説です。施工条件に従わないと欠陥(不合格)になりますので、施工条件は必ず読んで理解できるようにしておきましょう。令和6年度の候補No.7(公表問題No.7)は、3路スイッチと4路スイッチがある課題です。
- 第二種電気工事士技能試験の施工条件の解説 令和6年度(候補No.8)
- 令和6年度(2024年度)に実施された第二種電気工事士技能試験(候補No.8)の施工条件の解説です。施工条件に従わないと欠陥(不合格)になりますので、施工条件は必ず読んで理解できるようにしておきましょう。令和6年度の候補No.8(公表問題No.8)は、リモコンリレーがある課題です。
- 第二種電気工事士技能試験の施工条件の解説 令和6年度(候補No.9)
- 令和6年度(2024年度)に実施された第二種電気工事士技能試験(候補No.9)の施工条件の解説です。施工条件に従わないと欠陥(不合格)になりますので、施工条件は必ず読んで理解できるようにしておきましょう。令和6年度の候補No.9(公表問題No.9)は、接地極付接地端子付コンセントがある課題です。
- 第二種電気工事士技能試験の施工条件の解説 令和6年度(候補No.10)
- 令和6年度(2024年度)に実施された第二種電気工事士技能試験(候補No.10)の施工条件の解説です。施工条件に従わないと欠陥(不合格)になりますので、施工条件は必ず読んで理解できるようにしておきましょう。令和6年度の候補No.10(公表問題No.10)は、配線用遮断器がある課題です。
- 第二種電気工事士技能試験の施工条件の解説 令和6年度(候補No.11)
- 令和6年度(2024年度)に実施された第二種電気工事士技能試験(候補No.11)の施工条件の解説です。施工条件に従わないと欠陥(不合格)になりますので、施工条件は必ず読んで理解できるようにしておきましょう。令和6年度の候補No.11(公表問題No.11)は、ねじなし電線管がある課題です。
- 第二種電気工事士技能試験の施工条件の解説 令和6年度(候補No.12)
- 令和6年度(2024年度)に実施された第二種電気工事士技能試験(候補No.12)の施工条件の解説です。施工条件に従わないと欠陥(不合格)になりますので、施工条件は必ず読んで理解できるようにしておきましょう。令和6年度の候補No.12(公表問題No.12)は、合成樹脂製可とう電線管(PF管)がある課題です。
- 第二種電気工事士技能試験の施工条件の解説 令和6年度(候補No.13)
- 令和6年度(2024年度)に実施された第二種電気工事士技能試験(候補No.13)の施工条件の解説です。施工条件に従わないと欠陥(不合格)になりますので、施工条件は必ず読んで理解できるようにしておきましょう。令和6年度の候補No.13(公表問題No.13)は、自動点滅器と接地極付コンセントがある課題です。
- 第二種電気工事士技能試験の施工条件の解説 令和5年度(候補No.1)
- 令和5年度(2023年度)に実施された第二種電気工事士技能試験(候補No.1)の施工条件の解説です。施工条件に従わないと欠陥(不合格)になりますので、施工条件は必ず読んで理解できるようにしておきましょう。令和5年度の候補No.1(公表問題No.1)は、位置表示灯内蔵スイッチがある課題です。
- 第二種電気工事士技能試験の施工条件の解説 令和5年度(候補No.2)
- 令和5年度(2023年度)に実施された第二種電気工事士技能試験(候補No.2)の施工条件の解説です。施工条件に従わないと欠陥(不合格)になりますので、施工条件は必ず読んで理解できるようにしておきましょう。令和5年度の候補No.2(公表問題No.2)は、常時点灯のパイロットランプと2口コンセントがある課題です。
- 第二種電気工事士技能試験の施工条件の解説 令和5年度(候補No.3)
- 令和5年度(2023年度)に実施された第二種電気工事士技能試験(候補No.3)の施工条件の解説です。施工条件に従わないと欠陥(不合格)になりますので、施工条件は必ず読んで理解できるようにしておきましょう。令和5年度の候補No.3(公表問題No.3)は、タイムスイッチがある課題です。
- 第二種電気工事士技能試験の施工条件の解説 令和5年度(候補No.4)
- 令和5年度(2023年度)に実施された第二種電気工事士技能試験(候補No.4)の施工条件の解説です。施工条件に従わないと欠陥(不合格)になりますので、施工条件は必ず読んで理解できるようにしておきましょう。令和5年度の候補No.4(公表問題No.4)は、100V回路と200V回路(電源表示灯)がある課題です。
- 第二種電気工事士技能試験の施工条件の解説 令和5年度(候補No.5)
- 令和5年度(2023年度)に実施された第二種電気工事士技能試験(候補No.5)の施工条件の解説です。施工条件に従わないと欠陥(不合格)になりますので、施工条件は必ず読んで理解できるようにしておきましょう。令和5年度の候補No.5(公表問題No.5)は、100V回路と200V回路(接地極付コンセント)がある課題です。
- 第二種電気工事士技能試験の施工条件の解説 令和5年度(候補No.6)
- 令和5年度(2023年度)に実施された第二種電気工事士技能試験(候補No.6)の施工条件の解説です。施工条件に従わないと欠陥(不合格)になりますので、施工条件は必ず読んで理解できるようにしておきましょう。令和5年度の候補No.6(公表問題No.6)は、3路スイッチと露出形コンセントがある課題です。
- 第二種電気工事士技能試験の施工条件の解説 令和5年度(候補No.7)
- 令和5年度(2023年度)に実施された第二種電気工事士技能試験(候補No.7)の施工条件の解説です。施工条件に従わないと欠陥(不合格)になりますので、施工条件は必ず読んで理解できるようにしておきましょう。令和5年度の候補No.7(公表問題No.7)は、3路スイッチと4路スイッチがある課題です。
- 第二種電気工事士技能試験の施工条件の解説 令和5年度(候補No.8)
- 令和5年度(2023年度)に実施された第二種電気工事士技能試験(候補No.8)の施工条件の解説です。施工条件に従わないと欠陥(不合格)になりますので、施工条件は必ず読んで理解できるようにしておきましょう。令和5年度の候補No.8(公表問題No.8)は、リモコンリレーがある課題です。
- 第二種電気工事士技能試験の施工条件の解説 令和5年度(候補No.9)
- 令和5年度(2023年度)に実施された第二種電気工事士技能試験(候補No.9)の施工条件の解説です。施工条件に従わないと欠陥(不合格)になりますので、施工条件は必ず読んで理解できるようにしておきましょう。令和5年度の候補No.9(公表問題No.9)は、接地極付接地端子付コンセントがある課題です。
- 第二種電気工事士技能試験の施工条件の解説 令和5年度(候補No.10)
- 令和5年度(2023年度)に実施された第二種電気工事士技能試験(候補No.10)の施工条件の解説です。施工条件に従わないと欠陥(不合格)になりますので、施工条件は必ず読んで理解できるようにしておきましょう。令和5年度の候補No.10(公表問題No.10)は、配線用遮断器がある課題です。
- 第二種電気工事士技能試験の施工条件の解説 令和5年度(候補No.11)
- 令和5年度(2023年度)に実施された第二種電気工事士技能試験(候補No.11)の施工条件の解説です。施工条件に従わないと欠陥(不合格)になりますので、施工条件は必ず読んで理解できるようにしておきましょう。令和5年度の候補No.11(公表問題No.11)は、ねじなし電線管がある課題です。
- 第二種電気工事士技能試験の施工条件の解説 令和5年度(候補No.12)
- 令和5年度(2023年度)に実施された第二種電気工事士技能試験(候補No.12)の施工条件の解説です。施工条件に従わないと欠陥(不合格)になりますので、施工条件は必ず読んで理解できるようにしておきましょう。令和5年度の候補No.12(公表問題No.12)は、合成樹脂製可とう電線管(PF管)がある課題です。
- 第二種電気工事士技能試験の施工条件の解説 令和5年度(候補No.13)
- 令和5年度(2023年度)に実施された第二種電気工事士技能試験(候補No.13)の施工条件の解説です。施工条件に従わないと欠陥(不合格)になりますので、施工条件は必ず読んで理解できるようにしておきましょう。令和5年度の候補No.13(公表問題No.13)は、自動点滅器がある課題です。
- 第二種電気工事士技能試験の施工条件の解説 令和4年度(候補No.1)
- 令和4年度(2022年度)に実施された第二種電気工事士技能試験(候補No.1)の施工条件の解説です。施工条件に従わないと欠陥(不合格)になりますので、施工条件は必ず読んで理解できるようにしておきましょう。令和4年度の候補No.1(公表問題No.1)は、位置表示灯内蔵スイッチがある課題です。
- 第二種電気工事士技能試験の施工条件の解説 令和4年度(候補No.2)
- 令和4年度(2022年度)に実施された第二種電気工事士技能試験(候補No.2)の施工条件の解説です。施工条件に従わないと欠陥(不合格)になりますので、施工条件は必ず読んで理解できるようにしておきましょう。令和4年度の候補No.2(公表問題No.2)は、常時点灯のパイロットランプと2口コンセントがある課題です。
- 第二種電気工事士技能試験の施工条件の解説 令和4年度(候補No.3)
- 令和4年度(2022年度)に実施された第二種電気工事士技能試験(候補No.3)の施工条件の解説です。施工条件に従わないと欠陥(不合格)になりますので、施工条件は必ず読んで理解できるようにしておきましょう。令和4年度の候補No.3(公表問題No.3)は、タイムスイッチがある課題です。
- 第二種電気工事士技能試験の施工条件の解説 令和4年度(候補No.4)
- 令和4年度(2022年度)に実施された第二種電気工事士技能試験(候補No.4)の施工条件の解説です。施工条件に従わないと欠陥(不合格)になりますので、施工条件は必ず読んで理解できるようにしておきましょう。令和4年度の候補No.4(公表問題No.4)は、100V回路と200V回路(電源表示灯)がある課題です。
- 第二種電気工事士技能試験の施工条件の解説 令和4年度(候補No.5)
- 令和4年度(2022年度)に実施された第二種電気工事士技能試験(候補No.5)の施工条件の解説です。施工条件に従わないと欠陥(不合格)になりますので、施工条件は必ず読んで理解できるようにしておきましょう。令和4年度の候補No.5(公表問題No.5)は、100V回路と200V回路(接地極付コンセント)がある課題です。
- 第二種電気工事士技能試験の施工条件の解説 令和4年度(候補No.6)
- 令和4年度(2022年度)に実施された第二種電気工事士技能試験(候補No.6)の施工条件の解説です。施工条件に従わないと欠陥(不合格)になりますので、施工条件は必ず読んで理解できるようにしておきましょう。令和4年度の候補No.6(公表問題No.6)は、3路スイッチと露出形コンセントがある課題です。
- 第二種電気工事士技能試験の施工条件の解説 令和4年度(候補No.7)
- 令和4年度(2022年度)に実施された第二種電気工事士技能試験(候補No.7)の施工条件の解説です。施工条件に従わないと欠陥(不合格)になりますので、施工条件は必ず読んで理解できるようにしておきましょう。令和4年度の候補No.7(公表問題No.7)は、3路スイッチと4路スイッチがある課題です。
- 第二種電気工事士技能試験の施工条件の解説 令和4年度(候補No.8)
- 令和4年度(2022年度)に実施された第二種電気工事士技能試験(候補No.8)の施工条件の解説です。施工条件に従わないと欠陥(不合格)になりますので、施工条件は必ず読んで理解できるようにしておきましょう。令和4年度の候補No.8(公表問題No.8)は、リモコンリレーがある課題です。
- 第二種電気工事士技能試験の施工条件の解説 令和4年度(候補No.9)
- 令和4年度(2022年度)に実施された第二種電気工事士技能試験(候補No.9)の施工条件の解説です。施工条件に従わないと欠陥(不合格)になりますので、施工条件は必ず読んで理解できるようにしておきましょう。令和4年度の候補No.9(公表問題No.9)は、接地極付接地端子付コンセントがある課題です。
- 第二種電気工事士技能試験の施工条件の解説 令和4年度(候補No.10)
- 令和4年度(2022年度)に実施された第二種電気工事士技能試験(候補No.10)の施工条件の解説です。施工条件に従わないと欠陥(不合格)になりますので、施工条件は必ず読んで理解できるようにしておきましょう。令和4年度の候補No.10(公表問題No.10)は、配線用遮断器がある課題です。
- 第二種電気工事士技能試験の施工条件の解説 令和4年度(候補No.12)
- 令和4年度(2022年度)に実施された第二種電気工事士技能試験(候補No.12)の施工条件の解説です。施工条件に従わないと欠陥(不合格)になりますので、施工条件は必ず読んで理解できるようにしておきましょう。令和4年度の候補No.12(公表問題No.12)は、合成樹脂製可とう電線管(PF管)がある課題です。
- 第二種電気工事士技能試験の施工条件の解説 令和4年度(候補No.13)
- 令和4年度(2022年度)に実施された第二種電気工事士技能試験(候補No.13)の施工条件の解説です。施工条件に従わないと欠陥(不合格)になりますので、施工条件は必ず読んで理解できるようにしておきましょう。令和4年度の候補No.13(公表問題No.13)は、自動点滅器がある課題です。
- 第二種電気工事士技能試験の施工条件の解説 令和3年度(候補No.1)
- 令和3年度(2021年度)に実施された第二種電気工事士技能試験(候補No.1)の施工条件の解説です。施工条件に従わないと欠陥(不合格)になりますので、施工条件は必ず読んで理解できるようにしておきましょう。令和3年度の候補No.1(公表問題No.1)は、位置表示灯内蔵スイッチがある課題です。
- 第二種電気工事士技能試験の施工条件の解説 令和3年度(候補No.2)
- 令和3年度(2021年度)に実施された第二種電気工事士技能試験(候補No.2)の施工条件の解説です。施工条件に従わないと欠陥(不合格)になりますので、施工条件は必ず読んで理解できるようにしておきましょう。令和3年度の候補No.2(公表問題No.2)は、常時点灯のパイロットランプと2口コンセントがある課題です。
- 第二種電気工事士技能試験の施工条件の解説 令和3年度(候補No.3)
- 令和3年度(2021年度)に実施された第二種電気工事士技能試験(候補No.3)の施工条件の解説です。施工条件に従わないと欠陥(不合格)になりますので、施工条件は必ず読んで理解できるようにしておきましょう。令和3年度の候補No.3(公表問題No.3)は、タイムスイッチがある課題です。
- 第二種電気工事士技能試験の施工条件の解説 令和3年度(候補No.4)
- 令和3年度(2021年度)に実施された第二種電気工事士技能試験(候補No.4)の施工条件の解説です。施工条件に従わないと欠陥(不合格)になりますので、施工条件は必ず読んで理解できるようにしておきましょう。令和3年度の候補No.4(公表問題No.4)は、100V回路と200V回路(電源表示灯)がある課題です。
- 第二種電気工事士技能試験の施工条件の解説 令和3年度(候補No.5)
- 令和3年度(2021年度)に実施された第二種電気工事士技能試験(候補No.5)の施工条件の解説です。施工条件に従わないと欠陥(不合格)になりますので、施工条件は必ず読んで理解できるようにしておきましょう。令和3年度の候補No.5(公表問題No.5)は、100V回路と200V回路(接地極付コンセント)がある課題です。
- 第二種電気工事士技能試験の施工条件の解説 令和3年度(候補No.6)
- 令和3年度(2021年度)に実施された第二種電気工事士技能試験(候補No.6)の施工条件の解説です。施工条件に従わないと欠陥(不合格)になりますので、施工条件は必ず読んで理解できるようにしておきましょう。令和3年度の候補No.6(公表問題No.6)は、3路スイッチと露出形コンセントがある課題です。
- 第二種電気工事士技能試験の施工条件の解説 令和3年度(候補No.7)
- 令和3年度(2021年度)に実施された第二種電気工事士技能試験(候補No.7)の施工条件の解説です。施工条件に従わないと欠陥(不合格)になりますので、施工条件は必ず読んで理解できるようにしておきましょう。令和3年度の候補No.7(公表問題No.7)は、3路スイッチと4路スイッチがある課題です。
- 第二種電気工事士技能試験の施工条件の解説 令和3年度(候補No.8)
- 令和3年度(2021年度)に実施された第二種電気工事士技能試験(候補No.8)の施工条件の解説です。施工条件に従わないと欠陥(不合格)になりますので、施工条件は必ず読んで理解できるようにしておきましょう。令和3年度の候補No.8(公表問題No.8)は、リモコンリレーがある課題です。
- 第二種電気工事士技能試験の施工条件の解説 令和3年度(候補No.9)
- 令和3年度(2021年度)に実施された第二種電気工事士技能試験(候補No.9)の施工条件の解説です。施工条件に従わないと欠陥(不合格)になりますので、施工条件は必ず読んで理解できるようにしておきましょう。令和3年度の候補No.9(公表問題No.9)は、接地極付接地端子付コンセントがある課題です。
- 第二種電気工事士技能試験の施工条件の解説 令和3年度(候補No.10)
- 令和3年度(2021年度)に実施された第二種電気工事士技能試験(候補No.10)の施工条件の解説です。施工条件に従わないと欠陥(不合格)になりますので、施工条件は必ず読んで理解できるようにしておきましょう。令和3年度の候補No.10(公表問題No.10)は、配線用遮断器がある課題です。
- 第二種電気工事士技能試験の施工条件の解説 令和3年度(候補No.11)
- 令和3年度(2021年度)に実施された第二種電気工事士技能試験(候補No.11)の施工条件の解説です。施工条件に従わないと欠陥(不合格)になりますので、施工条件は必ず読んで理解できるようにしておきましょう。令和3年度の候補No.11(公表問題No.11)は、ねじなし電線管がある課題です。
- 第二種電気工事士技能試験の施工条件の解説 令和3年度(候補No.12)
- 令和3年度(2021年度)に実施された第二種電気工事士技能試験(候補No.12)の施工条件の解説です。施工条件に従わないと欠陥(不合格)になりますので、施工条件は必ず読んで理解できるようにしておきましょう。令和3年度の候補No.12(公表問題No.12)は、合成樹脂製可とう電線管(PF管)がある課題です。
- 第二種電気工事士技能試験の施工条件の解説 令和3年度(候補No.13)
- 令和3年度(2021年度)に実施された第二種電気工事士技能試験(候補No.13)の施工条件の解説です。施工条件に従わないと欠陥(不合格)になりますので、施工条件は必ず読んで理解できるようにしておきましょう。令和3年度の候補No.13(公表問題No.13)は、自動点滅器がある課題です。
- 第二種電気工事士技能試験の施工条件の解説 令和2年度(候補No.1)
- 令和2年度(2020年度)に実施された第二種電気工事士技能試験(候補No.1)の施工条件の解説です。施工条件に従わないと欠陥(不合格)になりますので、施工条件は必ず読んで理解できるようにしておきましょう。令和2年度の候補No.1(公表問題No.1)は、位置表示灯内蔵スイッチがある課題です。
- 第二種電気工事士技能試験の施工条件の解説 令和2年度(候補No.2)
- 令和2年度(2020年度)に実施された第二種電気工事士技能試験(候補No.2)の施工条件の解説です。施工条件に従わないと欠陥(不合格)になりますので、施工条件は必ず読んで理解できるようにしておきましょう。令和2年度の候補No.2(公表問題No.2)は、常時点灯のパイロットランプと2口コンセントがある課題です。
- 第二種電気工事士技能試験の施工条件の解説 令和2年度(候補No.3)
- 令和2年度(2020年度)に実施された第二種電気工事士技能試験(候補No.3)の施工条件の解説です。施工条件に従わないと欠陥(不合格)になりますので、施工条件は必ず読んで理解できるようにしておきましょう。令和2年度の候補No.3(公表問題No.3)は、タイムスイッチがある課題です。
- 第二種電気工事士技能試験の施工条件の解説 令和2年度(候補No.4)
- 令和2年度(2020年度)に実施された第二種電気工事士技能試験(候補No.4)の施工条件の解説です。施工条件に従わないと欠陥(不合格)になりますので、施工条件は必ず読んで理解できるようにしておきましょう。令和2年度の候補No.4(公表問題No.4)は、100V回路と200V回路(電源表示灯)がある課題です。
- 第二種電気工事士技能試験の施工条件の解説 令和2年度(候補No.5)
- 令和2年度(2020年度)に実施された第二種電気工事士技能試験(候補No.5)の施工条件の解説です。施工条件に従わないと欠陥(不合格)になりますので、施工条件は必ず読んで理解できるようにしておきましょう。令和2年度の候補No.5(公表問題No.5)は、100V回路と200V回路(接地極付コンセント)がある課題です。
- 第二種電気工事士技能試験の施工条件の解説 令和2年度(候補No.6)
- 令和2年度(2020年度)に実施された第二種電気工事士技能試験(候補No.6)の施工条件の解説です。施工条件に従わないと欠陥(不合格)になりますので、施工条件は必ず読んで理解できるようにしておきましょう。令和2年度の候補No.6(公表問題No.6)は、3路スイッチと露出形コンセントがある課題です。
- 第二種電気工事士技能試験の施工条件の解説 令和2年度(候補No.7)
- 令和2年度(2020年度)に実施された第二種電気工事士技能試験(候補No.7)の施工条件の解説です。施工条件に従わないと欠陥(不合格)になりますので、施工条件は必ず読んで理解できるようにしておきましょう。令和2年度の候補No.7(公表問題No.7)は、3路スイッチと4路スイッチがある課題です。
- 第二種電気工事士技能試験の施工条件の解説 令和2年度(候補No.8)
- 令和2年度(2020年度)に実施された第二種電気工事士技能試験(候補No.8)の施工条件の解説です。施工条件に従わないと欠陥(不合格)になりますので、施工条件は必ず読んで理解できるようにしておきましょう。令和2年度の候補No.8(公表問題No.8)は、リモコンリレーがある課題です。
- 第二種電気工事士技能試験の施工条件の解説 令和2年度(候補No.9)
- 令和2年度(2020年度)に実施された第二種電気工事士技能試験(候補No.9)の施工条件の解説です。施工条件に従わないと欠陥(不合格)になりますので、施工条件は必ず読んで理解できるようにしておきましょう。令和2年度の候補No.9(公表問題No.9)は、接地極付接地端子付コンセントがある課題です。
- 第二種電気工事士技能試験の施工条件の解説 令和2年度(候補No.10)
- 令和2年度(2020年度)に実施された第二種電気工事士技能試験(候補No.10)の施工条件の解説です。施工条件に従わないと欠陥(不合格)になりますので、施工条件は必ず読んで理解できるようにしておきましょう。令和2年度の候補No.10(公表問題No.10)は、配線用遮断器がある課題です。
- 第二種電気工事士技能試験の施工条件の解説 令和2年度(候補No.11)
- 令和2年度(2020年度)に実施された第二種電気工事士技能試験(候補No.11)の施工条件の解説です。施工条件に従わないと欠陥(不合格)になりますので、施工条件は必ず読んで理解できるようにしておきましょう。令和2年度の候補No.11(公表問題No.11)は、ねじなし電線管がある課題です。
- 第二種電気工事士技能試験の施工条件の解説 令和2年度(候補No.12)
- 令和2年度(2020年度)に実施された第二種電気工事士技能試験(候補No.12)の施工条件の解説です。施工条件に従わないと欠陥(不合格)になりますので、施工条件は必ず読んで理解できるようにしておきましょう。令和2年度の候補No.12(公表問題No.12)は、合成樹脂製可とう電線管(PF管)がある課題です。
- 第二種電気工事士技能試験の施工条件の解説 令和2年度(候補No.13)
- 令和2年度(2020年度)に実施された第二種電気工事士技能試験(候補No.13)の施工条件の解説です。施工条件に従わないと欠陥(不合格)になりますので、施工条件は必ず読んで理解できるようにしておきましょう。令和2年度の候補No.13(公表問題No.13)は、自動点滅器がある課題です。
- 第二種電気工事士技能試験の施工条件の解説 令和元年度(候補No.1)
- 令和元年度(2019年度)に実施された第二種電気工事士技能試験(候補No.1)の施工条件の解説です。施工条件に従わないと欠陥(不合格)になりますので、施工条件は必ず読んで理解できるようにしておきましょう。令和元年度の候補No.1(公表問題No.1)は、位置表示灯内蔵スイッチがある課題です。
- 第二種電気工事士技能試験の施工条件の解説 令和元年度(候補No.2)
- 令和元年度(2019年度)に実施された第二種電気工事士技能試験(候補No.2)の施工条件の解説です。施工条件に従わないと欠陥(不合格)になりますので、施工条件は必ず読んで理解できるようにしておきましょう。令和元年度の候補No.2(公表問題No.2)は、常時点灯のパイロットランプと2口コンセントがある課題です。
- 第二種電気工事士技能試験の施工条件の解説 令和元年度(候補No.3)
- 令和元年度(2019年度)に実施された第二種電気工事士技能試験(候補No.3)の施工条件の解説です。施工条件に従わないと欠陥(不合格)になりますので、施工条件は必ず読んで理解できるようにしておきましょう。令和元年度の候補No.3(公表問題No.3)は、タイムスイッチがある課題です。
- 第二種電気工事士技能試験の施工条件の解説 令和元年度(候補No.4)
- 令和元年度(2019年度)に実施された第二種電気工事士技能試験(候補No.4)の施工条件の解説です。施工条件に従わないと欠陥(不合格)になりますので、施工条件は必ず読んで理解できるようにしておきましょう。令和元年度の候補No.4(公表問題No.4)は、100V回路と200V回路(電源表示灯)がある課題です。
- 第二種電気工事士技能試験の施工条件の解説 令和元年度(候補No.5)
- 令和元年度(2019年度)に実施された第二種電気工事士技能試験(候補No.5)の施工条件の解説です。施工条件に従わないと欠陥(不合格)になりますので、施工条件は必ず読んで理解できるようにしておきましょう。令和元年度の候補No.5(公表問題No.5)は、100V回路と200V回路(接地極付コンセント)がある課題です。
- 第二種電気工事士技能試験の施工条件の解説 令和元年度(候補No.6)
- 令和元年度(2019年度)に実施された第二種電気工事士技能試験(候補No.6)の施工条件の解説です。施工条件に従わないと欠陥(不合格)になりますので、施工条件は必ず読んで理解できるようにしておきましょう。令和元年度の候補No.6(公表問題No.6)は、3路スイッチと露出形コンセントがある課題です。
- 第二種電気工事士技能試験の施工条件の解説 令和元年度(候補No.7)
- 令和元年度(2019年度)に実施された第二種電気工事士技能試験(候補No.7)の施工条件の解説です。施工条件に従わないと欠陥(不合格)になりますので、施工条件は必ず読んで理解できるようにしておきましょう。令和元年度の候補No.7(公表問題No.7)は、3路スイッチと4路スイッチがある課題です。
- 第二種電気工事士技能試験の施工条件の解説 令和元年度(候補No.8)
- 令和元年度(2019年度)に実施された第二種電気工事士技能試験(候補No.8)の施工条件の解説です。施工条件に従わないと欠陥(不合格)になりますので、施工条件は必ず読んで理解できるようにしておきましょう。令和元年度の候補No.8(公表問題No.8)は、リモコンリレーがある課題です。
- 第二種電気工事士技能試験の施工条件の解説 令和元年度(候補No.9)
- 令和元年度(2019年度)に実施された第二種電気工事士技能試験(候補No.9)の施工条件の解説です。施工条件に従わないと欠陥(不合格)になりますので、施工条件は必ず読んで理解できるようにしておきましょう。令和元年度の候補No.9(公表問題No.9)は、接地極付接地端子付コンセントがある課題です。
- 第二種電気工事士技能試験の施工条件の解説 令和元年度(候補No.10)
- 令和元年度(2019年度)に実施された第二種電気工事士技能試験(候補No.10)の施工条件の解説です。施工条件に従わないと欠陥(不合格)になりますので、施工条件は必ず読んで理解できるようにしておきましょう。令和元年度の候補No.10(公表問題No.10)は、配線用遮断器がある課題です。
- 第二種電気工事士技能試験の施工条件の解説 令和元年度(候補No.11)
- 令和元年度(2019年度)に実施された第二種電気工事士技能試験(候補No.11)の施工条件の解説です。施工条件に従わないと欠陥(不合格)になりますので、施工条件は必ず読んで理解できるようにしておきましょう。令和元年度の候補No.11(公表問題No.11)は、ねじなし電線管がある課題です。
- 第二種電気工事士技能試験の施工条件の解説 令和元年度(候補No.12)
- 令和元年度(2019年度)に実施された第二種電気工事士技能試験(候補No.12)の施工条件の解説です。施工条件に従わないと欠陥(不合格)になりますので、施工条件は必ず読んで理解できるようにしておきましょう。令和元年度の候補No.12(公表問題No.12)は、合成樹脂製可とう電線管(PF管)がある課題です。
- 第二種電気工事士技能試験の施工条件の解説 令和元年度(候補No.13)
- 令和元年度(2019年度)に実施された第二種電気工事士技能試験(候補No.13)の施工条件の解説です。施工条件に従わないと欠陥(不合格)になりますので、施工条件は必ず読んで理解できるようにしておきましょう。令和元年度の候補No.13(公表問題No.13)は、自動点滅器がある課題です。
- 第二種電気工事士技能試験の施工条件の解説 平成30年度(候補No.1)
- 平成30年度(2018年度)に実施された第二種電気工事士技能試験(候補No.1)の施工条件の解説です。施工条件に従わないと欠陥(不合格)になりますので、施工条件は必ず読んで理解できるようにしておきましょう。平成30年度の候補No.1(公表問題No.1)は、位置表示灯内蔵スイッチがある課題です。
- 第二種電気工事士技能試験の施工条件の解説 平成30年度(候補No.2)
- 平成30年度(2018年度)に実施された第二種電気工事士技能試験(候補No.2)の施工条件の解説です。施工条件に従わないと欠陥(不合格)になりますので、施工条件は必ず読んで理解できるようにしておきましょう。平成30年度の候補No.2(公表問題No.2)は、常時点灯のパイロットランプと2口コンセントがある課題です。
- 第二種電気工事士技能試験の施工条件の解説 平成30年度(候補No.3)
- 平成30年度(2018年度)に実施された第二種電気工事士技能試験(候補No.3)の施工条件の解説です。施工条件に従わないと欠陥(不合格)になりますので、施工条件は必ず読んで理解できるようにしておきましょう。平成30年度の候補No.3(公表問題No.3)は、タイムスイッチがある課題です。
- 第二種電気工事士技能試験の施工条件の解説 平成30年度(候補No.4)
- 平成30年度(2018年度)に実施された第二種電気工事士技能試験(候補No.4)の施工条件の解説です。施工条件に従わないと欠陥(不合格)になりますので、施工条件は必ず読んで理解できるようにしておきましょう。平成30年度の候補No.4(公表問題No.4)は、100V回路と200V回路(電源表示灯)がある課題です。
- 第二種電気工事士技能試験の施工条件の解説 平成30年度(候補No.5)
- 平成30年度(2018年度)に実施された第二種電気工事士技能試験(候補No.5)の施工条件の解説です。施工条件に従わないと欠陥(不合格)になりますので、施工条件は必ず読んで理解できるようにしておきましょう。平成30年度の候補No.5(公表問題No.5)は、100V回路と200V回路(接地極付コンセント)がある課題です。
- 第二種電気工事士技能試験の施工条件の解説 平成30年度(候補No.6)
- 平成30年度(2018年度)に実施された第二種電気工事士技能試験(候補No.6)の施工条件の解説です。施工条件に従わないと欠陥(不合格)になりますので、施工条件は必ず読んで理解できるようにしておきましょう。平成30年度の候補No.6(公表問題No.6)は、3路スイッチと露出形コンセントがある課題です。
- 第二種電気工事士技能試験の施工条件の解説 平成30年度(候補No.7)
- 平成30年度(2018年度)に実施された第二種電気工事士技能試験(候補No.7)の施工条件の解説です。施工条件に従わないと欠陥(不合格)になりますので、施工条件は必ず読んで理解できるようにしておきましょう。平成30年度の候補No.7(公表問題No.7)は、3路スイッチと4路スイッチがある課題です。
- 第二種電気工事士技能試験の施工条件の解説 平成30年度(候補No.8)
- 平成30年度(2018年度)に実施された第二種電気工事士技能試験(候補No.8)の施工条件の解説です。施工条件に従わないと欠陥(不合格)になりますので、施工条件は必ず読んで理解できるようにしておきましょう。平成30年度の候補No.8(公表問題No.8)は、リモコンリレーがある課題です。
- 第二種電気工事士技能試験の施工条件の解説 平成30年度(候補No.9)
- 平成30年度(2018年度)に実施された第二種電気工事士技能試験(候補No.9)の施工条件の解説です。施工条件に従わないと欠陥(不合格)になりますので、施工条件は必ず読んで理解できるようにしておきましょう。平成30年度の候補No.9(公表問題No.9)は、接地極付接地端子付コンセントがある課題です。
- 第二種電気工事士技能試験の施工条件の解説 平成30年度(候補No.10)
- 平成30年度(2018年度)に実施された第二種電気工事士技能試験(候補No.10)の施工条件の解説です。施工条件に従わないと欠陥(不合格)になりますので、施工条件は必ず読んで理解できるようにしておきましょう。平成30年度の候補No.10(公表問題No.10)は、配線用遮断器がある課題です。
- 第二種電気工事士技能試験の施工条件の解説 平成30年度(候補No.11)
- 平成30年度(2018年度)に実施された第二種電気工事士技能試験(候補No.11)の施工条件の解説です。施工条件に従わないと欠陥(不合格)になりますので、施工条件は必ず読んで理解できるようにしておきましょう。平成30年度の候補No.11(公表問題No.11)は、ねじなし電線管がある課題です。
- 第二種電気工事士技能試験の施工条件の解説 平成30年度(候補No.12)
- 平成30年度(2018年度)に実施された第二種電気工事士技能試験(候補No.12)の施工条件の解説です。施工条件に従わないと欠陥(不合格)になりますので、施工条件は必ず読んで理解できるようにしておきましょう。平成30年度の候補No.12(公表問題No.12)は、合成樹脂製可とう電線管(PF管)がある課題です。
- 第二種電気工事士技能試験の施工条件の解説 平成30年度(候補No.13)
- 平成30年度(2018年度)に実施された第二種電気工事士技能試験(候補No.13)の施工条件の解説です。施工条件に従わないと欠陥(不合格)になりますので、施工条件は必ず読んで理解できるようにしておきましょう。平成30年度の候補No.13(公表問題No.13)は、自動点滅器がある課題です。
- 第二種電気工事士技能試験の施工条件の解説 平成29年度上期試験(候補No.1)
- 平成29年度(2017年度)(7/22、7/23)に実施された第二種電気工事士上期技能試験(候補No.1)の施工条件の解説です。施工条件は必ず読んで理解できるようにしておきましょう。平成29年度の候補No.1(公表問題No.1)は、位置表示灯内蔵スイッチがある課題です。
- 第二種電気工事士技能試験の施工条件の解説 平成29年度上期試験(候補No.2)
- 平成29年度(2017年度)(7/22、7/23)に実施された第二種電気工事士上期技能試験(候補No.2)の施工条件の解説です。施工条件は必ず読んで理解できるようにしておきましょう。平成29年度の候補No.2(公表問題No.2)は、常時点灯のパイロットランプと2口コンセントがある課題です。
- 第二種電気工事士技能試験の施工条件の解説 平成29年度上期試験(候補No.3)
- 平成29年度(2017年度)(7/22、7/23)に実施された第二種電気工事士上期技能試験(候補No.3)の施工条件の解説です。施工条件は必ず読んで理解できるようにしておきましょう。平成29年度の候補No.3(公表問題No.3)は、タイムスイッチがある課題です。
- 第二種電気工事士技能試験の施工条件の解説 平成29年度上期試験(候補No.4)
- 平成29年度(2017年度)(7/22、7/23)に実施された第二種電気工事士上期技能試験(候補No.4)の施工条件の解説です。施工条件は必ず読んで理解できるようにしておきましょう。平成29年度の候補No.4(公表問題No.4)は、100V回路と200V回路(電源表示灯)がある課題です。
- 第二種電気工事士技能試験の施工条件の解説 平成29年度上期試験(候補No.8)
- 平成29年度(2017年度)(7/22、7/23)に実施された第二種電気工事士上期技能試験(候補No.8)の施工条件の解説です。施工条件は必ず読んで理解できるようにしておきましょう。平成29年度の候補No.8(公表問題No.8)は、リモコンリレーがある課題です。
- 第二種電気工事士技能試験の施工条件の解説 平成29年度上期試験(候補No.11)
- 平成29年度(2017年度)(7/22、7/23)に実施された第二種電気工事士上期技能試験(候補No.11)の施工条件の解説です。施工条件は必ず読んで理解できるようにしておきましょう。平成29年度の候補No.11(公表問題No.11)は、ねじなし電線管を使った課題です。
- 第二種電気工事士技能試験の施工条件の解説 平成29年度上期試験(候補No.13)
- 平成29年度(2017年度)(7/22、7/23)に実施された第二種電気工事士上期技能試験(候補No.13)の施工条件の解説です。施工条件は必ず読んで理解できるようにしておきましょう。平成29年度の候補No.13(公表問題No.13)は、自動点滅器がある課題です。
- 第二種電気工事士技能試験の施工条件の解説 平成29年度下期試験(候補No.3)
- 平成29年度(2017年度)(12/2)に実施された第二種電気工事士下期技能試験(候補No.3)の施工条件の解説です。施工条件は必ず読んで理解できるようにしておきましょう。平成29年度の候補No.3(公表問題No.3)は、タイムスイッチがある課題です。
- 第二種電気工事士技能試験の施工条件の解説 平成29年度下期試験(候補No.4)
- 平成29年度(2017年度)(12/2)に実施された第二種電気工事士下期技能試験(候補No.4)の施工条件の解説です。施工条件は必ず読んで理解できるようにしておきましょう。平成29年度の候補No.4(公表問題No.4)は、100V回路と200V回路(電源表示灯)がある課題です。
- 第二種電気工事士技能試験の施工条件の解説 平成29年度下期試験(候補No.7)
- 平成29年度(2017年度)(12/2)に実施された第二種電気工事士下期技能試験(候補No.7)の施工条件の解説です。施工条件は必ず読んで理解できるようにしておきましょう。平成29年度の候補No.7(公表問題No.7)は、3路スイッチと4路スイッチがある課題です。
- 第二種電気工事士技能試験の施工条件の解説 平成29年度下期試験(候補No.10)
- 平成29年度(2017年度)(12/2)に実施された第二種電気工事士下期技能試験(候補No.10)の施工条件の解説です。施工条件は必ず読んで理解できるようにしておきましょう。平成29年度の候補No.10(公表問題No.10)は、配線用遮断器がある課題です。
- 第二種電気工事士技能試験の施工条件の解説 平成29年度下期試験(候補No.12)
- 平成29年度(2017年度)(12/2)に実施された第二種電気工事士下期技能試験(候補No.12)の施工条件の解説です。施工条件は必ず読んで理解できるようにしておきましょう。平成29年度の候補No.12(公表問題No.12)は、合成樹脂製可とう電線管(PF管)がある課題です。
- 第二種電気工事士技能試験の施工条件の解説 平成29年度下期試験(候補No.13)
- 平成29年度(2017年度)(12/2)に実施された第二種電気工事士下期技能試験(候補No.13)の施工条件の解説です。施工条件は必ず読んで理解できるようにしておきましょう。平成29年度の候補No.13(公表問題No.13)は、自動点滅器がある課題です。
- 第二種電気工事士技能試験の施工条件の解説 平成28年度上期試験(候補No.1)
- 平成28年度(2016年度)(7/23、7/24)に実施された第二種電気工事士上期技能試験(候補No.1)の施工条件の解説です。施工条件は必ず読んで理解できるようにしておきましょう。平成28年度の候補No.1(公表問題No.1)は、位置表示灯内蔵スイッチがある課題です。
- 第二種電気工事士技能試験の施工条件の解説 平成28年度上期試験(候補No.8)
- 平成28年度(2016年度)(7/23、7/24)に実施された第二種電気工事士上期技能試験(候補No.8)の施工条件の解説です。施工条件は必ず読んで理解できるようにしておきましょう。平成28年度の候補No.8(公表問題No.8)は、リモコンリレーの課題です。
- 第二種電気工事士技能試験の施工条件の解説 平成28年度下期試験(候補No.2)
- 平成28年度(2016年度)(12/3)に実施された第二種電気工事士下期技能試験(候補No.2)の施工条件の解説です。施工条件は必ず読んで理解できるようにしておきましょう。平成28年度の候補No.2(公表問題No.2)は、常時点灯の確認表示灯(パイロットランプ)と2口コンセントがある課題です。
- 第二種電気工事士技能試験の施工条件の解説 平成28年度下期試験(候補No.3)
- 平成28年度(2016年度)(12/3)に実施された第二種電気工事士下期技能試験(候補No.3)の施工条件の解説です。施工条件は必ず読んで理解できるようにしておきましょう。平成28年度の候補No.3(公表問題No.3)は、タイムスイッチがある課題です。
- 第二種電気工事士技能試験の施工条件の解説 平成28年度下期試験(候補No.6)
- 平成28年度(2016年度)(12/3)に実施された第二種電気工事士下期技能試験(候補No.6)の施工条件の解説です。施工条件は必ず読んで理解できるようにしておきましょう。平成28年度の候補No.6(公表問題No.6)は、3路スイッチと露出形コンセント、それから防護管がある課題です。
- 第二種電気工事士技能試験の施工条件の解説 平成28年度下期試験(候補No.10)
- 平成28年度(2016年度)(12/3)に実施された第二種電気工事士下期技能試験(候補No.10)の施工条件の解説です。施工条件は必ず読んで理解できるようにしておきましょう。平成28年度の候補No.10(公表問題No.10)は、同時点滅の確認表示灯(パイロットランプ)と配線用遮断器がある課題です。
- 第二種電気工事士技能試験の施工条件の解説 平成27年度上期試験(7/25実施)
- 平成27年度(2015年度)(7/25)に実施された第二種電気工事士技能試験の施工条件の解説です。施工条件に書かれている内容を理解できないと間違ったモノを作ってしまいますので、施工条件は必ず読んで理解できるようにしておきましょう。このときに出題されたのは、自動点滅器と防護管がある課題でした。
- 第二種電気工事士技能試験の施工条件の解説 平成27年度上期試験(7/26実施)
- 平成27年度(2015年度)上期(7/26)に実施された第二種電気工事士技能試験の施工条件の解説です。施工条件に書かれている内容を理解できないと間違ったモノを作ってしまいますので、施工条件は必ず読んで理解できるようにしておきましょう。このときに出題されたのは、100V回路と200V回路(電源表示灯)がある課題でした。
- 第二種電気工事士技能試験の施工条件の解説 平成27年度下期試験
- 平成27年度下期に実施された第二種電気工事士技能試験の施工条件の解説です。施工条件に書かれている内容を理解できないと間違ったモノを作ってしまいますので、施工条件は必ず読んで理解できるようにしておきましょう。このときに出題されたのは、ねじなし電線管を使った課題でした。
- 第二種電気工事士技能試験の施工条件の解説 平成26年度上期試験(7/26実施)
- 平成26年度上期(7/26)に実施された第二種電気工事士技能試験の施工条件の解説です。施工条件に書かれている内容を理解できないと間違ったモノを作ってしまいますので、施工条件は必ず読んで理解できるようにしておきましょう。このときに出題されたのは、位置表示灯内蔵スイッチを使用した課題でした。
- 第二種電気工事士技能試験の施工条件の解説 平成26年度上期試験(7/27実施)
- 平成26年度上期(7/27)に実施された第二種電気工事士技能試験の施工条件の解説です。施工条件に書かれている内容を理解できないと間違ったモノを作ってしまいますので、施工条件は必ず読んで理解できるようにしておきましょう。このときに出題されたのは、100V回路と200V回路がある課題でした。
- 第二種電気工事士技能試験の施工条件の解説 平成26年度下期試験
- 平成26年度下期に実施された第二種電気工事士技能試験の施工条件の解説です。施工条件に書かれている内容を理解できないと間違ったモノを作ってしまいますので、施工条件は必ず読んで理解できるようにしておきましょう。このときに出題されたのは、3路スイッチと防護管があり、コンセントには露出形コンセントを使った課題でした。
- 第二種電気工事士技能試験の施工条件の解説 平成25年度上期試験(7/27実施)
- 平成25年度上期(7/27)に実施された第二種電気工事士技能試験の施工条件の解説です。施工条件に書かれている内容を理解できないと間違ったモノを作ってしまいますので、施工条件は必ず読んで理解できるようにしておきましょう。このときに出題されたのは、3路スイッチと4路スイッチを使用し、アウトレットボックスがある課題でした。
- 第二種電気工事士技能試験の施工条件の解説 平成25年度上期試験(7/28実施)
- 平成25年度上期(7/28)に実施された第二種電気工事士技能試験の施工条件の解説です。施工条件に書かれている内容を理解できないと間違ったモノを作ってしまいますので、施工条件は必ず読んで理解できるようにしておきましょう。このときに出題されたのは、はねじなし電線管を使用する課題でした。
- 第二種電気工事士技能試験の施工条件の解説 平成25年度下期試験
- 平成25年度下期に実施された第二種電気工事士技能試験の施工条件の解説です。施工条件に書かれている内容を理解できないと間違ったモノを作ってしまいますので、施工条件は必ず読んで理解できるようにしておきましょう。このときに出題されたのは、PF管を使用する課題でした。
- 第二種電気工事士技能試験の施工条件の解説 平成24年度上期試験(7/28実施)
- 平成24年度上期(7/28)に実施された第二種電気工事士技能試験の施工条件の解説です。施工条件に書かれている内容を理解できないと間違ったモノを作ってしまいますので、施工条件は必ず読んで理解できるようにしておきましょう。このときに出題されたのは、100V回路と200V回路がある課題でした。
- 第二種電気工事士技能試験の施工条件の解説 平成24年度上期試験(7/29実施)
- 平成24年度上期(7/29)に実施された第二種電気工事士技能試験の施工条件の解説です。施工条件に書かれている内容を理解できないと間違ったモノを作ってしまいますので、施工条件は必ず読んで理解できるようにしておきましょう。このときに出題されたのは、リモコンリレーの課題でした。
- 第二種電気工事士技能試験の施工条件の解説 平成24年度下期試験
- 平成24年度下期に実施された第二種電気工事士技能試験の施工条件の解説です。施工条件に書かれている内容を理解できないと間違ったモノを作ってしまいますので、施工条件は必ず読んで理解できるようにしておきましょう。このときに出題されたのは、パイロットランプと2口コンセントがある課題でした。
- 第二種電気工事士技能試験の施工条件の解説 平成23年度上期試験(7/23実施)
- 平成23年度上期(7/23)に実施された第二種電気工事士技能試験の施工条件の解説です。施工条件に書かれている内容を理解できないと間違ったモノを作ってしまいますので、施工条件は必ず読んで理解できるようにしておきましょう。このときに出題されたのは、配線用遮断器とパイロットランプがある課題でした。
- 第二種電気工事士技能試験の施工条件の解説 平成23年度上期試験(7/24実施)
- 平成23年度上期(7/24)に実施された第二種電気工事士技能試験の施工条件の解説です。施工条件に書かれている内容を理解できないと間違ったモノを作ってしまいますので、施工条件は必ず読んで理解できるようにしておきましょう。このときに出題されたのは、100V回路と200V回路がある課題でした。
- 第二種電気工事士技能試験の施工条件の解説 平成23年度下期試験
- 平成23年度下期に実施された第二種電気工事士技能試験の施工条件の解説です。施工条件に書かれている内容を理解できないと間違ったモノを作ってしまいますので、施工条件は必ず読んで理解できるようにしておきましょう。このときに出題されたのは、埋込連用接地端子がある課題でした。
- 第二種電気工事士技能試験の施工条件の解説 平成22年度(7/24実施)
- 平成22年度(7/24)に実施された第二種電気工事士技能試験の施工条件の解説です。施工条件に書かれている内容を理解できないと間違ったモノを作ってしまいますので、施工条件は必ず読んで理解できるようにしておきましょう。このときに出題されたのは、自動点滅器の課題でした。
- 第二種電気工事士技能試験の施工条件の解説 平成22年度(7/25実施)
- 平成22年度(7/25)に実施された第二種電気工事士技能試験の施工条件の解説です。施工条件に書かれている内容を理解できないと間違ったモノを作ってしまいますので、施工条件は必ず読んで理解できるようにしておきましょう。このときに出題されたのは、3路スイッチと4路スイッチを使用する課題でした。
- 第二種電気工事士技能試験の施工条件の解説 平成22年度(筆記試験免除者対象)
- 平成22年度に実施された第二種電気工事士技能試験(筆記試験免除者対象)の施工条件の解説です。施工条件に書かれている内容を理解できないと間違ったモノを作ってしまいますので、施工条件は必ず読んで理解できるようにしておきましょう。このときに出題されたのは、タンブラスイッチが3個ある課題でした。
- 第二種電気工事士技能試験の施工条件の解説 平成21年度(7/25実施)
- 平成21年度(7/25)に実施された第二種電気工事士技能試験の施工条件の解説です。施工条件に書かれている内容を理解できないと間違ったモノを作ってしまいますので、施工条件は必ず読んで理解できるようにしておきましょう。このときに出題されたのは、埋込連用接地端子がある課題でした。
- 第二種電気工事士技能試験の施工条件の解説 平成21年度(7/26実施)
- 平成21年度(7/26)に実施された第二種電気工事士技能試験の施工条件の解説です。施工条件に書かれている内容を理解できないと間違ったモノを作ってしまいますので、施工条件は必ず読んで理解できるようにしておきましょう。このときに出題されたのは、タイムスイッチの課題でした。
- 第二種電気工事士技能試験の施工条件の解説 平成21年度(筆記試験免除者対象)
- 平成21年度に実施された第二種電気工事士技能試験(筆記試験免除者対象)の施工条件の解説です。施工条件に書かれている内容を理解できないと間違ったモノを作ってしまいますので、施工条件は必ず読んで理解できるようにしておきましょう。このときに出題されたのは、リモコンリレーの課題でした。

