スポンサーリンク
第二種電気工事士 候補問題の複線図の書き方 令和6年度No.1
※ページ内にPR・広告が含まれる場合があります。
令和6年度(2024年度)第二種電気工事士技能試験の候補問題No.1の複線図の書き方の解説ページです。
技能試験の施工の練習(実際に課題を作る練習)をするときには、候補問題の単線図を複線図に直し、その直した複線図を見ながら施工していきます。
したがって、各候補問題の単線図を複線図に直せないと施工することすらできない(技能試験の勉強を進めることができない)ことになりますので、技能試験の勉強をスタートしたら、まず初めに複線図の書き方をおぼえなければなりません。
候補問題は上期試験と下期試験で共通で全部で13問あり、試験では13問のうちのどれか1問が出題されます。
複線図の書き方は初めはよく分からないかもしれませんが、複線図を書くためには書くための手順があって、その手順を守って書いていけばだんだん慣れてきて簡単にスイスイ書けるようになります。
スポンサーリンク
複線図を書くときの基本的な手順
複線図を書くときの基本的な手順はだいたいどの候補問題も同じで次のようになります。
複線図を書く基本的な手順
❶単線図に書かれている電源、器具などを同じ配置で書きます。
❷電源の接地側をスイッチ以外の器具につなげます。
❸電源の非接地側をスイッチとコンセントにつなげます。
❹スイッチからそのスイッチに対応する器具につなげます。
❺電線を接続するところ(VVF用ジョイントボックスとアウトレットボックス)を○または□で囲みます。(VVF用ジョイントボックスは○、アウトレットボックスは□)
❻リングスリーブで接続するところには●、差込形コネクタで接続するところには■を書きます。
❼電源の接地側につながっている線に「シ」(白色の電線の意味)と書きます。
❽電源の非接地側につながっている線に「ク」(黒色の電線の意味)と書きます。
❾電線の色が書かれていないところに残りの電線の色を書きます。
複線図を書く基本的な手順は以上のようになり、この順番に沿って書いていくと候補問題の複線図が完成します。
「うーん、めんどくさそうだなー。」 とか、「難しそうだなぁー。」
と思うかもしれませんが、書き慣れてくるとそんなに大変でもなくなるので、まずは何度も書く練習をして慣れるようにしましょう!
それから、複線図の書き方を効率良くおぼえるコツは、
- 書く順番を守る!
- 練習する度に書き方や書く順番を変えない!
ことで、この2つが大きなポイントになります。
技能試験を受験する方に複線図の書き方を教えて複線図を書いているのを見ていると、毎回書く順番が違っていたり、書き方が書く度に違っていたりする方もいたりします。
初めのうちは仕方がないことですが、複線図を書く度に書く順番や書き方が違ってしまうと、間違いの元になったり、間違いに気付かなかったりしてしまいますので、書く順番と書き方は毎回同じにするということを意識しながら複線図を書くようにしましょう!
複線図の基本的な書き方のページでは、簡単な単線図を例にして複線図の基本的な書き方について解説していますので、複線図の勉強をこれから始める方は参考にしてみるといいと思います。
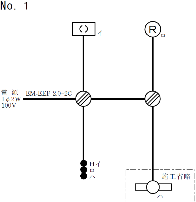
令和6年度(2024年度)候補問題No.1の単線図

「EM-EEF2.0-2C」と書いてあるところ以外には、VVF1.6のケーブル(VVF1.6-2CまたはVVF1.6-3C)が使われます。
令和6年度(2024年度)候補問題No.1の単線図は、3個のスイッチで3個(3種類)それぞれの器具をON/OFFする単線図です。ただし、「ロ」と「ハ」のスイッチはふつうのスイッチ(単極スイッチ)ですが、「イ」のスイッチは表示灯(ランプ)が内蔵されている位置表示灯内蔵スイッチです。(ちなみに、この単線図は、令和5年度の候補問題No.1と同じです。)
この候補問題の単線図について詳しくは、こちらの第二種電気工事士 候補問題の単線図の解説 令和6年度No.1のページを参考にしてみてください。
この単線図を、複線図を書くときの手順に沿って複線図に直してみます。
ここで、複線図を書く条件(想定される電線の接続方法)は次のようにします。
電線の接続方法(想定施工条件)
- 左側のVVF用ジョイントボックスでは、リングスリーブによる接続とする
- 右側のVVF用ジョイントボックスでは、差込形コネクタによる接続とする

施工条件について詳しくは、こちらの技能試験の施工条件の解説を参考にしてみてください。
※電線の接続方法は想定ですので、本番の試験では接続方法が異なる可能性もあります。試験のときは問題用紙に記載されている施工条件を確認し、必ずそれに従ってください。
スポンサーリンク
スポンサーリンク
令和6年度(2024年度)候補問題No.1の複線図の書き方
❶単線図に書かれている電源、器具などを同じ配置で書きます
単線図の配置そのままで電源、器具などを書きます。

複線図は電線一本一本のつながりが分かるように書くものなので、電源は接地側と非接地側を区別できるように、接地側を「N(シ)」、非接地側を「L(ク)」と書きます。N(シ)の「シ」は電線の絶縁被覆の色が「白色」、L(ク)の「ク」は電線の絶縁被覆の色が「黒色」を表わします。(慣れてきたら「(シ)」と「(ク)」は書かずに、「N」「L」だけでもいいです。)

スイッチは、電線を接続する端子が分かるようにスイッチっぽい図で書きます。単線図をみると「イ」のスイッチには「H」と書いてありますが、これは位置表示灯内蔵スイッチを表わすので、「ロ」や「ハ」のスイッチ(単極スイッチ)と区別できるように「イ」のスイッチの上には「H」と書いておきます。
施工省略のところは施工省略範囲が分かるように、単線図と同じように点線(一点鎖線)で囲っておきます。少しでも時間短縮したい人は「施工省略」とわざわざ書かなくてもいいですが、点線だけは必ず書きましょう。
スイッチと器具の対応を表わすカタカナの「イ」「ロ」「ハ」も忘れずに書きましょう。
❷電源の接地側(N(シ))をスイッチ以外の器具につなげます
電源の接地側(N(シ))をスイッチ以外の器具につなげます。

この候補問題の場合のスイッチ以外の器具は「引掛シーリング(角形)」「ランプレセプタクル」「蛍光灯(施工省略)」なので、電源の接地側(N(シ))から引掛シーリングとランプレセプタクルと蛍光灯に線をつなげます。
位置表示灯内蔵スイッチには表示灯が付いていますが、表示灯を点灯/消灯させる回路はスイッチの中に組み込まれているので、複線図を書くときは特に気にしないでふつうのスイッチ(「ロ」や「ハ」の単極スイッチ)と同じように扱っていいです。
それから、線を書くときに気を付けてほしいのですが、線がつながるところには線のつながりを表わす「●」を必ず書きましょう。この「●」を書き忘れると、線のつながりが分からなくなって混乱してしまいます。
❸電源の非接地側(L(ク))をスイッチとコンセントにつなげます
電源の非接地側(L(ク))をスイッチとコンセントにつなげます。

この候補問題の場合、コンセントはないのでスイッチだけにつながります。スイッチが3個ありますが、「ロ」のスイッチには「イ」のスイッチから、「ハ」のスイッチには「ロ」のスイッチから渡らせます。
❹スイッチからそのスイッチに対応する器具につなげます
それぞれのスイッチからそれぞれ対応する器具に線をつなげます。

「イ」のスイッチに対応する器具は「イ」の引掛シーリングなので、「イ」のスイッチから「イ」の引掛シーリングに線をつなげます。
「ロ」のスイッチに対応する器具は「ロ」のランプレセプタクルなので、「ロ」のスイッチから「ロ」のランプレセプタクルに線をつなげます。
「ハ」のスイッチに対応する器具は「ハ」の蛍光灯なので、「ハ」のスイッチから「ハ」の蛍光灯に線をつなげます。
❺電線を接続するところを○または□で囲みます
電線を接続するところを○または□で囲みます。

電線を接続するところとはVVF用ジョイントボックス部分またはアウトレットボックス部分のことで、VVF用ジョイントボックスの場合は○で、アウトレットボックスの場合は□で囲みます。この候補問題の場合は電線を接続するところが2箇所あって、どちらもVVF用ジョイントボックスなのでどちらも○で囲みます。
ちなみに、VVF用ジョイントボックスとアウトレットボックスはこういうもので、

技能試験では、VVF用ジョイントボックスは支給されないので取り付けは省略されますが、アウトレットボックスは支給されるので取り付けが必要です。
❻スリーブ接続には●、コネクタ接続には■を書きます
電線をリングスリーブで接続するところには●を、差込形コネクタで接続するところには■を書きます。

ここでは、左側のVVF用ジョイントボックスでの接続はリングスリーブによる接続、右側のVVF用ジョイントボックスでの接続は差込形コネクタによる接続と想定しているので、左側の電線を接続するところには●を、右側の電線を接続するところには■を書きます。
このときに、電線を2本だけ接続するところに●または■を書き忘れる人が多いので気を付けましょう!
❼電源の接地側(N(シ))につながっている線に「シ」と書きます
電源の接地側(N(シ))につながっている線に「シ」と書きます。

この「シ」の意味は電線の絶縁被覆の色が白色という意味で、電源の接地側(N(シ))につながる電線の色は基本的に白色になります。電源の接地側(N(シ))からたどっていって、つながっている線にだけ「シ」と書けばいいです。
複線図に電線の色を書いていくときは、
❶電源の接地側(N(シ))につながっている線に「シ」
❷電源の非接地側(L(ク))につながっている線に「ク」
❸電線の色が書かれていないところに残りの電線の色
の順番で書きます。
書く順番(手順)を守ることが複線図を間違えずに正確に書くコツですので、電線の色を書くときもこの順番を必ず守りましょう。
❽電源の非接地側(L(ク))につながっている線に「ク」と書きます
電源の非接地側(L(ク))につながっている線に「ク」と書きます。

この「ク」の意味は電線の絶縁被覆の色が黒色という意味で、電源の非接地側(L(ク))につながる電線の色は基本的に黒色になります。電源の非接地側(L(ク))からたどっていって、つながっている線にだけ「ク」と書けばいいです。
「イ」のスイッチから「ロ」のスイッチ、「ロ」のスイッチから「ハ」のスイッチへのわたり線のところの色も忘れずに書きましょう!
❾電線の色が書かれていないところに電線の色を書きます
電線の色がまだ書かれていないところに残りの電線の色を書くと完成です。

2心ケーブルの電線の絶縁被覆の色は「黒色と白色」、3心ケーブルの電線の絶縁被覆の色は「黒色と白色と赤色」なので、まだ使われていない残りの電線の色を書けばいいです。(「イ」「ロ」「ハ」の3個のスイッチと左側のVVF用ジョイントボックス間には、2心ケーブル(VVF1.6-2C)を2本使います。)

なお、この候補問題の場合、図中の水色の箇所の電線の色は確定しません。このような場合は、色が入れ替わってもかまいません。
複線図完成!
以上で、令和6年度(2024年度)の候補問題No.1の複線図が完成しました!

複線図を書くときには書く順番があって、その順番を守って書けば誰でも簡単に書けるので、頑張って複線図の書き方をおぼえましょう!
それから、技能試験の練習(技能試験対策)を進めるためには、まず複線図が書けないとどうにもなりませんので、技能試験の練習を効率よく進めるためにも複線図の書き方は早めにおぼえておいた方がいいですよ。
複線図を書くときは書く順番を守ろう!
スポンサーリンク
スポンサーリンク
技能試験用のおすすめ参考書はこちら
⇒ 第二種電気工事士おすすめの参考書(技能試験用)
技能試験用のおすすめ材料セットはこちら
⇒ 第二種電気工事士技能試験の練習用おすすめ材料セット(電線と器具のセット)
技能試験用のおすすめ工具セットはこちら
⇒ 第二種電気工事士技能試験用おすすめ工具セット
のページで紹介していますので、こちらも参考にしてみてください。
令和6年度(2024年度)の候補問題の単線図(配線図)と複線図の一覧表はこちら
⇒ 令和6年度 第二種電気工事士技能試験 候補問題の単線図と複線図の一覧表
第二種電気工事士(技能試験対策)のTOP ←BACK
スポンサーリンク
第二種電気工事士 候補問題の複線図の書き方 令和6年度No.1 関連ページ
- 第二種電気工事士 候補問題の複線図の書き方 令和6年度No.2
- 令和6年度(2024年度)第二種電気工事士技能試験の候補問題No.2の複線図の書き方について解説しています。複線図を書く手順と書き方について解説していますので、複線図の書き方の勉強の参考にしてみてください。令和6年度の候補問題No.2は、常時点灯の確認表示灯(パイロットランプ)がある候補問題です。
- 第二種電気工事士 候補問題の複線図の書き方 令和6年度No.3
- 令和6年度(2024年度)第二種電気工事士技能試験の候補問題No.3の複線図の書き方について解説しています。複線図を書く手順と書き方について解説していますので、複線図の書き方の勉強の参考にしてみてください。令和6年度の候補問題No.3は、タイムスイッチと接地極付コンセントがある候補問題です。
- 第二種電気工事士 候補問題の複線図の書き方 令和6年度No.4
- 令和6年度(2024年度)第二種電気工事士技能試験の候補問題No.4の複線図の書き方について解説しています。複線図を書く手順と書き方について解説していますので、複線図の書き方の勉強の参考にしてみてください。令和6年度の候補問題No.4は、単相100V回路と三相200V回路の2つの回路がある候補問題です。
- 第二種電気工事士 候補問題の複線図の書き方 令和6年度No.5
- 令和6年度(2024年度)第二種電気工事士技能試験の候補問題No.5の複線図の書き方について解説しています。複線図を書く手順と書き方について解説していますので、複線図の書き方の勉強の参考にしてみてください。令和6年度の候補問題No.5は、100V回路と200V回路の2つの回路がある候補問題です。
- 第二種電気工事士 候補問題の複線図の書き方 令和6年度No.6
- 令和6年度(2024年度)第二種電気工事士技能試験の候補問題No.6の複線図の書き方について解説しています。複線図を書く手順と書き方について解説していますので、複線図の書き方の勉強の参考にしてみてください。令和6年度の候補問題No.6は、3路スイッチと露出形コンセントがある候補問題です。
- 第二種電気工事士 候補問題の複線図の書き方 令和6年度No.7
- 令和6年度(2024年度)第二種電気工事士技能試験の候補問題No.7の複線図の書き方について解説しています。複線図を書く手順と書き方について解説していますので、複線図の書き方の勉強の参考にしてみてください。令和6年度の候補問題No.7は、3路スイッチと4路スイッチがある候補問題です。
- 第二種電気工事士 候補問題の複線図の書き方 令和6年度No.8
- 令和6年度(2024年度)第二種電気工事士技能試験の候補問題No.8の複線図の書き方について解説しています。複線図を書く手順と書き方について解説していますので、複線図の書き方の勉強の参考にしてみてください。令和6年度の候補問題No.8は、リモコンリレーがある候補問題です。
- 第二種電気工事士 候補問題の複線図の書き方 令和6年度No.9
- 令和6年度(2024年度)第二種電気工事士技能試験の候補問題No.9の複線図の書き方について解説しています。複線図を書く手順と書き方について解説していますので、複線図の書き方の勉強の参考にしてみてください。令和6年度の候補問題No.9は、接地極付接地端子付コンセント(EETコンセント)がある候補問題です。
- 第二種電気工事士 候補問題の複線図の書き方 令和6年度No.10
- 令和6年度(2024年度)第二種電気工事士技能試験の候補問題No.10の複線図の書き方について解説しています。複線図を書く手順と書き方について解説していますので、複線図の書き方の勉強の参考にしてみてください。令和6年度の候補問題No.10は、配線用遮断器と、同時点滅のパイロットランプがある候補問題です。
- 第二種電気工事士 候補問題の複線図の書き方 令和6年度No.11
- 令和6年度(2024年度)第二種電気工事士技能試験の候補問題No.11の複線図の書き方について解説しています。複線図を書く手順と書き方について解説していますので、複線図の書き方の勉強の参考にしてみてください。令和6年度の候補問題No.11は、ねじなし電線管(E19)がある候補問題です。
- 第二種電気工事士 候補問題の複線図の書き方 令和6年度No.12
- 令和6年度(2024年度)第二種電気工事士技能試験の候補問題No.12の複線図の書き方について解説しています。複線図を書く手順と書き方について解説していますので、複線図の書き方の勉強の参考にしてみてください。令和6年度の候補問題No.12は、合成樹脂製可とう電線管(PF管)がある候補問題です。
- 第二種電気工事士 候補問題の複線図の書き方 令和6年度No.13
- 令和6年度(2024年度)第二種電気工事士技能試験の候補問題No.13の複線図の書き方について解説しています。複線図を書く手順と書き方について解説していますので、複線図の書き方の勉強の参考にしてみてください。令和6年度の候補問題No.13は、自動点滅器がある候補問題です。
- 令和6年度 第二種電気工事士技能試験 候補問題の単線図と複線図の一覧表
- 令和6年度(2024年度)第二種電気工事士技能試験の候補問題の単線図(配線図)と複線図を一覧表にまとめました。候補問題の複線図の書き方の勉強などに活用してみてください。

