スポンサーリンク
令和3年度 第二種電気工事士技能試験 候補問題の単線図と複線図の一覧表
※ページ内にPR・広告が含まれる場合があります。
このページに掲載している候補問題の単線図(配線図)と複線図の一覧表は、令和3年度(2021年度)の候補問題の単線図と複線図の一覧表です。令和6年度(2024年度)の候補問題の単線図と複線図の一覧表は、こちらの令和6年度 第二種電気工事士技能試験 候補問題の単線図と複線図の一覧表のページを参考にしてみてください。
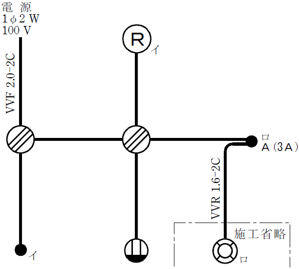
令和3年度(2021年度)の第二種電気工事士技能試験の候補問題(No.1〜13)の単線図(配線図)と複線図の一覧表です。候補問題の複線図の書き方の勉強などに活用してみてください。
令和3年度(2021年度)第二種電気工事士技能試験の候補問題の単線図と複線図
| 単線図(配線図) | 複線図 |
|---|---|
令和3年度 候補問題No.1 |
|
|
|
令和3年度 候補問題No.2 |
|
|
|
令和3年度 候補問題No.3 |
|
|
|
令和3年度 候補問題No.4 |
|
|
|
令和3年度 候補問題No.5 |
|
|
|
令和3年度 候補問題No.6 |
|
|
|
令和3年度 候補問題No.7 |
|
|
|
令和3年度 候補問題No.8 |
|
|
|
令和3年度 候補問題No.9 |
|
|
|
令和3年度 候補問題No.10 |
|
|
|
令和3年度 候補問題No.11 |
|
|
|
令和3年度 候補問題No.12 |
|
|
|
令和3年度 候補問題No.13 |
|
|
|
複線図中の中、小、○は、リングスリーブの圧着マーク(刻印)です。
スポンサーリンク
スポンサーリンク
このページに掲載の単線図は、(一財)電気技術者試験センターから公表された第二種電気工事士技能試験の候補問題の単線図です。
第二種電気工事士 候補問題の複線図の書き方 令和3年度No.13 ←BACK
NEXT→ 第二種電気工事士(技能試験対策)のTOP
スポンサーリンク
令和3年度 第二種電気工事士技能試験 候補問題の単線図と複線図の一覧表 関連ページ
- 第二種電気工事士 候補問題の複線図の書き方 令和3年度No.1
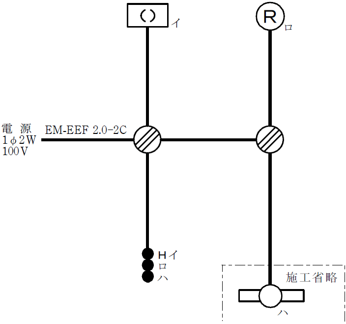
- 令和3年度(2021年度)第二種電気工事士技能試験の候補問題No.1の複線図の書き方について解説しています。複線図を書く手順と書き方について解説していますので、複線図の書き方の勉強の参考にしてみてください。令和3年度の候補問題No.1は、3個のスイッチで3個の器具をON/OFFする回路の候補問題です。
- 第二種電気工事士 候補問題の複線図の書き方 令和3年度No.2
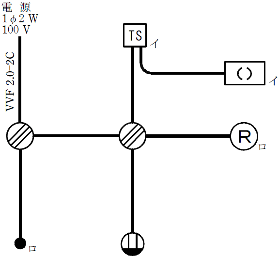
- 令和3年度(2021年度)第二種電気工事士技能試験の候補問題No.2の複線図の書き方について解説しています。複線図を書く手順と書き方について解説していますので、複線図の書き方の勉強の参考にしてみてください。令和3年度の候補問題No.2は、常時点灯の確認表示灯(パイロットランプ)がある候補問題です。
- 第二種電気工事士 候補問題の複線図の書き方 令和3年度No.3
- 令和3年度(2021年度)第二種電気工事士技能試験の候補問題No.3の複線図の書き方について解説しています。複線図を書く手順と書き方について解説していますので、複線図の書き方の勉強の参考にしてみてください。令和3年度の候補問題No.3は、タイムスイッチがある候補問題です。
- 第二種電気工事士 候補問題の複線図の書き方 令和3年度No.4
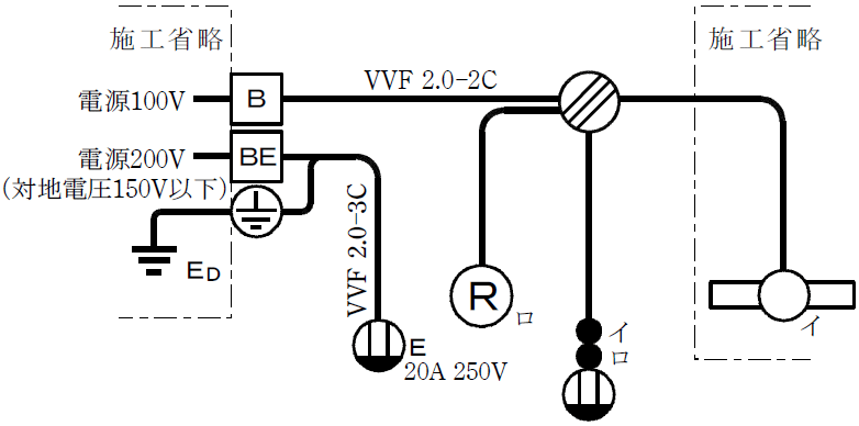
- 令和3年度(2021年度)第二種電気工事士技能試験の候補問題No.4の複線図の書き方について解説しています。複線図を書く手順と書き方について解説していますので、複線図の書き方の勉強の参考にしてみてください。令和3年度の候補問題No.4は、単相100V回路と三相200V回路の2つの回路がある候補問題です。
- 第二種電気工事士 候補問題の複線図の書き方 令和3年度No.5
- 令和3年度(2021年度)第二種電気工事士技能試験の候補問題No.5の複線図の書き方について解説しています。複線図を書く手順と書き方について解説していますので、複線図の書き方の勉強の参考にしてみてください。令和3年度の候補問題No.5は、100V回路と200V回路の2つの回路がある候補問題です。
- 第二種電気工事士 候補問題の複線図の書き方 令和3年度No.6
- 令和3年度(2021年度)第二種電気工事士技能試験の候補問題No.6の複線図の書き方について解説しています。複線図を書く手順と書き方について解説していますので、複線図の書き方の勉強の参考にしてみてください。令和3年度の候補問題No.6は、3路スイッチが2個と露出形コンセントがある候補問題です。
- 第二種電気工事士 候補問題の複線図の書き方 令和3年度No.7
- 令和3年度(2021年度)第二種電気工事士技能試験の候補問題No.7の複線図の書き方について解説しています。複線図を書く手順と書き方について解説していますので、複線図の書き方の勉強の参考にしてみてください。令和3年度の候補問題No.7は、3路スイッチと4路スイッチがある候補問題です。
- 第二種電気工事士 候補問題の複線図の書き方 令和3年度No.8
- 令和3年度(2021年度)第二種電気工事士技能試験の候補問題No.8の複線図の書き方について解説しています。複線図を書く手順と書き方について解説していますので、複線図の書き方の勉強の参考にしてみてください。令和3年度の候補問題No.8は、リモコンリレーがある候補問題です。
- 第二種電気工事士 候補問題の複線図の書き方 令和3年度No.9
- 令和3年度(2021年度)第二種電気工事士技能試験の候補問題No.9の複線図の書き方について解説しています。複線図を書く手順と書き方について解説していますので、複線図の書き方の勉強の参考にしてみてください。令和3年度の候補問題No.9は、接地極付接地端子付コンセント(EETコンセント)がある候補問題です。
- 第二種電気工事士 候補問題の複線図の書き方 令和3年度No.10
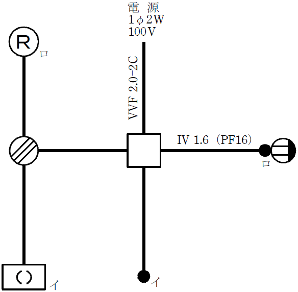
- 令和3年度(2021年度)第二種電気工事士技能試験の候補問題No.10の複線図の書き方について解説しています。複線図を書く手順と書き方について解説していますので、複線図の書き方の勉強の参考にしてみてください。令和3年度の候補問題No.10は、配線用遮断器と、同時点滅のパイロットランプがある候補問題です。
- 第二種電気工事士 候補問題の複線図の書き方 令和3年度No.11
- 令和3年度(2021年度)第二種電気工事士技能試験の候補問題No.11の複線図の書き方について解説しています。複線図を書く手順と書き方について解説していますので、複線図の書き方の勉強の参考にしてみてください。令和3年度の候補問題No.11は、ねじなし電線管(E19)がある候補問題です。
- 第二種電気工事士 候補問題の複線図の書き方 令和3年度No.12
- 令和3年度(2021年度)第二種電気工事士技能試験の候補問題No.12の複線図の書き方について解説しています。複線図を書く手順と書き方について解説していますので、複線図の書き方の勉強の参考にしてみてください。令和3年度の候補問題No.12は、合成樹脂製可とう電線管(PF管)がある候補問題です。
- 第二種電気工事士 候補問題の複線図の書き方 令和3年度No.13
- 令和3年度(2021年度)第二種電気工事士技能試験の候補問題No.13の複線図の書き方について解説しています。複線図を書く手順と書き方について解説していますので、複線図の書き方の勉強の参考にしてみてください。令和3年度の候補問題No.13は、自動点滅器がある候補問題です。



























