スポンサーリンク
第二種電気工事士候補問題の複線図の書き方 平成29年度No.5
※ページ内にPR・広告が含まれる場合があります。
このページに掲載している候補問題の複線図の書き方は、平成29年度(2017年度)の候補問題の複線図の書き方です。令和6年度(2024年度)の候補問題の複線図の書き方は、こちらの令和6年度 第二種電気工事士技能試験の候補問題の複線図の書き方のページを参考にしてみてください。
平成29年度(2017年度)第二種電気工事士技能試験候補問題No.5の複線図の書き方の解説ページです。
技能試験の施工の練習(実際に課題を作る練習)をするときには、候補問題の単線図を複線図に直し、その直した複線図を見ながら施工していきます。
したがって、各候補問題の単線図を複線図に直せないと施工することすらできない(技能試験の勉強を進めることができない)ことになりますので、技能試験の勉強をスタートしたら、まず初めに複線図の書き方をおぼえなければなりません。(ちなみに、候補問題は上期試験と下期試験で共通で全部で13問あり、試験では13問のうちのどれか1問が出題されます。)
複線図の書き方は初めはよく分からないかもしれませんが、複線図を書くためには書くための手順があって、その手順を守って書いていけばだんだん慣れてきて簡単にスイスイ書けるようになります。
スポンサーリンク
複線図を書くときの基本的な手順はだいたいどの候補問題も同じで次のようになります。
複線図を書く基本的な手順
①単線図に書かれている電源、器具などを同じ配置で書きます。
②電源の接地側をスイッチ以外の器具につなげます。
③電源の非接地側をスイッチとコンセントにつなげます。
④スイッチからそのスイッチに対応する器具につなげます。
⑤電線を接続するところ(VVF用ジョイントボックスとアウトレットボックス)を○または□で囲みます。
(VVF用ジョイントボックスは○、アウトレットボックスは□)
⑥スリーブで接続するところには●、コネクタで接続するところには■を書きます。
⑦電源の接地側につながっている線に「シ」(白色の電線の意味)と書きます。
⑧電源の非接地側につながっている線に「ク」(黒色の電線の意味)と書きます。
⑨電線の色が書かれていないところに残りの電線の色を書きます。
複線図を書く基本的な手順は以上のようになり、この順番で書いていくと候補問題の複線図が完成します。
「う〜ん、めんどくさそうだな〜。」 とか、「難しそうだなぁ〜。」
と思うかもしれませんが、書き慣れてくるとそんなに大変でもなくなるので、まずは何度も書く練習をして慣れるようにしましょう!
それから、複線図を効率良くおぼえるコツは、
・書く順番を守る!
・練習する度に書き方や書く順番を変えない!
ことで、この2つが大きなポイントになります。
技能試験を受験する方に複線図の書き方を教えて複線図を書いているのを見ていると、毎回書く順番が違っていたり、書き方が書く度に違っていたりする方もいたりします。
初めのうちは仕方がないことですが、複線図を書く度に書く順番や書き方が違ってしまうと、間違いの元になったり、間違いに気付かなかったりしてしまいますので、
書く順番と書き方は毎回同じにする
ということを意識しながら複線図を書くようにしましょう!
複線図の基本的な書き方のページでは、簡単な単線図を例にして複線図の基本的な書き方について解説していますので、複線図の勉強をこれから始める方は参考にしてみてもいいと思います。
スポンサーリンク
スポンサーリンク
平成29年度(2017年度)候補問題No.5の単線図

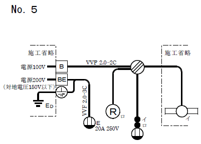
平成29年度(2017年度)候補問題No.5の単線図は、100Vと200Vの2つの回路があって、配線用遮断器、漏電遮断器、接地端子がある単線図です。(ちなみに、この単線図は平成28年度の候補問題No.5と同じです。)
(単線図の詳細は、平成29年度候補問題No.5の単線図の解説のページを参考にしてみてください。)
この単線図を複線図を書くときの手順通りに書いて複線図に直してみます。
ここで、複線図を書く条件(想定される電線の接続方法と電線の色別(絶縁被覆の色))は次のようにします。
電線の接続方法(想定施工条件)
- 電線の接続本数が4本のところは差込形コネクタによる接続
- その他はリングスリーブによる終端接続
電線の色別(想定施工条件)
- 接地線は緑色を使用
※電線の接続方法と色別は想定ですので、本番の試験では異なる可能性があります。試験のときは問題用紙に記載されている施工条件を確認し、必ずそれに従ってください。
なお、配線用遮断器、漏電遮断器および接地端子については、過去の出題実績に従い5極の同一の端子台で代用されるものと想定して解説します。
平成29年度(2017年度)候補問題No.5の複線図の書き方
①単線図に書かれている電源、器具などを同じ配置で書きます
単線図の配置そのままで電源、器具などを書きます。
この候補問題の単線図の電源周り(単線図の左側)をみると、電源には100Vと200Vがあって、さらに接地端子があります。ここでは、配線用遮断器(B)、漏電遮断器(BE)、接地端子は同一の端子台で代用されるものと想定していますので、これらを同一の端子台で書きます。端子台の端子の数は、配線用遮断器で2個、漏電遮断器で2個、接地端子で1個になるので合計で5個(5極)になります。端子台の端子には、配線用遮断器のところには上から「N」「L」、漏電遮断器のところには「200V」、接地端子のところには「ET」と書いておきましょう。
それから、施工省略のところは施工省略範囲が分かるように、単線図と同じように点線(一点鎖線)で囲っておきます。この点線が意外に大事で、点線を書かないで施工すると、作らなくてもいいのに間違って作ってしまったりして、がっかりしますよ。少しでも時間短縮したい人は「施工省略」とわざわざ書かなくてもいいですが点線だけは必ず書きましょう。
スイッチと器具の対応を表わすカタカナの「イ」と「ロ」も忘れずに書きましょう。

②電源の接地側をスイッチ以外の器具につなげます
電源の接地側をスイッチ以外の器具につなげます。
この場合のスイッチ以外の器具とは、「ランプレセプタクル」「コンセント」「蛍光灯(施工省略)」ですね。
線のつながりを表わす「●」も忘れずに必ず書きましょう。複線図を書き進めて線が多くなって重なってくると、線のつながりが分からなくなり混乱してしまいます。本番のときに「●」を書き忘れていると最後の方で焦っちゃいますよ!
200V回路については後でまとめて書きます。

③電源の非接地側をスイッチとコンセントにつなげます
電源の非接地側をスイッチとコンセントにつなげます。
コンセントへのつながりは図のようにスイッチから渡らせましょう。
200V回路については後でまとめて書きます。

④スイッチからそのスイッチに対応する器具につなげます
スイッチ「イ」に対応する器具は「イ」の蛍光灯(施工省略)、スイッチ「ロ」に対応する器具は「ロ」のランプレセプタクルなので、それぞれのスイッチからそれぞれの器具に線をつなげます。
「イ」と「ロ」の線が交差するので、「イ」の線のつながりと「ロ」の線のつながりを間違えないように気を付けましょう!

⑤200V回路の電源と接地端子をコンセントにつなげます
この候補問題の単線図には200V回路があるので、200V回路の電源と接地端子を接地極付コンセントにつなげます。3本ぴゅ〜っと引いておきましょう。

⑥電線を接続するところを○または□で囲みます
電線を接続するところを○または□で囲みます。
電線を接続するところとはVVF用ジョイントボックス部分またはアウトレットボックス部分のことで、VVF用ジョイントボックスの場合は○で、アウトレットボックスの場合は□で囲みます。
この候補問題の場合は、電線を接続するところは1箇所だけで、VVF用ジョイントボックスなので○で囲みます。
ここでちょっと補足ですが、技能試験ではVVF用ジョイントボックスは支給されず、VVF用ジョイントボックスがあるものとして施工します(VVF用ジョイントボックスの取り付けは省略される)。(アウトレットボックスは支給されるので、アウトレットボックスがある単線図の場合にはアウトレットボックスの取り付けが必要です。)
たまに「VVF用ジョイントボックスがありません!」と言う人がいますが、間違いなくありません。

⑦スリーブ接続には●、コネクタ接続には■を書きます
電線をスリーブ(リングスリーブ)で接続するところには●を、コネクタ(差込形コネクタ)で接続するところには■を書きます。
ここでは、電線の接続本数が4本のところは差込形コネクタによる接続、その他のところはリングスリーブによる終端接続と想定していますので、電線が4本接続されているところには■を、その他のところには●を書きます。
このときに、電線2本だけを接続するところに●または■を書き忘れる人が多いので注意ですよ!

⑧電源の接地側につながっている線に「シ」と書きます
電源の接地側につながっている線に「シ」と書きます。
この「シ」の意味は電線の絶縁被覆の色が白色という意味で、接地側につながる電線の色は基本的に白色になります。
電源の接地側(この候補問題の場合「N」端子)からたどっていって、つながっている線にだけ「シ」と書けばいいです。
複線図に電線の色を書いていくときも、必ず順番を守ってください。書く順番を守ることが複線図を間違えずに書くコツですので。
200V回路の電線の色は最後に書きます。

⑨電源の非接地側につながっている線に「ク」と書きます
電源の非接地側につながっている線に「ク」と書きます。
この「ク」の意味は電線の絶縁被覆の色が黒色という意味で、非接地側につながる電線の色は基本的に黒色になります。
電源の非接地側(この候補問題の場合「L」端子)からたどっていって、つながっている線にだけ「ク」と書けばいいです。

⑩電線の色が書かれていないところに電線の色を書きます
電線の色がまだ書かれていないところに残りの電線の色を書きます。
2心ケーブルの電線の絶縁被覆の色は「黒色と白色」なので、残りの電線の色は決まりますね。(スイッチおよびコンセント部分とVVF用ジョイントボックス間には2心ケーブルを2本使います。)


⑪200V回路の電線の色を書きます
最後に200V回路の電線の色を書くと完成です。
200V回路に使われる3心ケーブルの電線の色を「黒色と赤色と緑色」とすると、ここでは「接地線は緑色を使用」と想定しているので、接地端子(端子台のET端子)につながる線は「ミ」になります。(「ミ」は電線の絶縁被覆の色が緑色という意味です。)


これで平成29年度(2017年度)候補問題No.5の複線図が完成しました。
複線図を書くときには書く順番があって、その順番を守って書けば誰でも簡単に書けるので頑張って複線図の書き方をおぼえましょう!
それから、技能試験の練習(技能試験対策)を進めるためには、まず複線図が書けないとどうにもなりませんので、技能試験の練習を効率よく進めるためにも複線図の書き方は早めにおぼえておいた方がいいですよ。
・複線図を書くときは書く順番を必ず守ろう!
・施工条件を必ず確認しよう!
スポンサーリンク
スポンサーリンク
単線図がよく分からないという方はこちらの第二種電気工事士候補問題の単線図の解説平成29年度No.5のページを参考にしてみましょう。施工条件についてはこちらの技能試験の施工条件の解説を参考にしてみてください。
(平成29年度(2017年度)の候補問題の単線図と複線図の一覧表はこちら。)
スポンサーリンク
第二種電気工事士候補問題の複線図の書き方 平成29年度No.5 関連ページ
- 第二種電気工事士候補問題の複線図の書き方 平成29年度No.1
- 平成29年度(2017年度)第二種電気工事士技能試験の候補問題No.1の複線図の書き方について解説しています。複線図を書く手順と書き方について解説していますので、複線図の書き方の勉強の参考にしてみてください。平成29年度の候補問題No.1は3個のスイッチで3個(3種類)の器具をON/OFFする回路の候補問題です。
- 第二種電気工事士候補問題の複線図の書き方 平成29年度No.2
- 平成29年度(2017年度)第二種電気工事士技能試験の候補問題No.2の複線図の書き方について解説しています。複線図を書く手順と書き方について解説していますので、複線図の書き方の勉強の参考にしてみてください。平成29年度の候補問題No.2は、常時点灯の確認表示灯(パイロットランプ)がある候補問題です。
- 第二種電気工事士候補問題の複線図の書き方 平成29年度No.3
- 平成29年度(2017年度)第二種電気工事士技能試験の候補問題No.3の複線図の書き方について解説しています。複線図を書く手順と書き方について解説していますので、複線図の書き方の勉強の参考にしてみてください。平成29年度の候補問題No.3は、タイムスイッチがある候補問題です。
- 第二種電気工事士候補問題の複線図の書き方 平成29年度No.4
- 平成29年度(2017年度)第二種電気工事士技能試験の候補問題No.4の複線図の書き方について解説しています。複線図を書く手順と書き方について解説していますので、複線図の書き方の勉強の参考にしてみてください。平成29年度の候補問題No.4は、単相100V回路と三相200V回路の2つの回路がある候補問題です。
- 第二種電気工事士候補問題の複線図の書き方 平成29年度No.6
- 平成29年度(2017年度)第二種電気工事士技能試験の候補問題No.6の複線図の書き方について解説しています。複線図を書く手順と書き方について解説していますので、複線図の書き方の勉強の参考にしてみてください。平成29年度の候補問題No.6は、3路スイッチが2個と露出形コンセントがある候補問題です。
- 第二種電気工事士候補問題の複線図の書き方 平成29年度No.7
- 平成29年度(2017年度)第二種電気工事士技能試験の候補問題No.7の複線図の書き方について解説しています。複線図を書く手順と書き方について解説していますので、複線図の書き方の勉強の参考にしてみてください。平成29年度の候補問題No.7は、3路スイッチと4路スイッチがある候補問題です。
- 第二種電気工事士候補問題の複線図の書き方 平成29年度No.8
- 平成29年度(2017年度)第二種電気工事士技能試験の候補問題No.8の複線図の書き方について解説しています。複線図を書く手順と書き方について解説していますので、複線図の書き方の勉強の参考にしてみてください。平成29年度の候補問題No.8は、リモコンリレーがある候補問題です。
- 第二種電気工事士候補問題の複線図の書き方 平成29年度No.9
- 平成29年度(2017年度)第二種電気工事士技能試験の候補問題No.9の複線図の書き方について解説しています。複線図を書く手順と書き方について解説していますので、複線図の書き方の勉強の参考にしてみてください。平成29年度の候補問題No.9は、接地極付接地端子付コンセント(EETコンセント)がある候補問題です。
- 第二種電気工事士候補問題の複線図の書き方 平成29年度No.10
- 平成29年度(2017年度)第二種電気工事士技能試験の候補問題No.10の複線図の書き方について解説しています。複線図を書く手順と書き方について解説していますので、複線図の書き方の勉強の参考にしてみてください。平成29年度の候補問題No.10は、配線用遮断器と、同時点滅の確認表示灯(パイロットランプ)がある候補問題です。
- 第二種電気工事士候補問題の複線図の書き方 平成29年度No.11
- 平成29年度(2017年度)第二種電気工事士技能試験の候補問題No.11の複線図の書き方について解説しています。複線図を書く手順と書き方について解説していますので、複線図の書き方の勉強の参考にしてみてください。平成29年度の候補問題No.11は、ねじなし電線管(E19)がある候補問題です。
- 第二種電気工事士候補問題の複線図の書き方 平成29年度No.12
- 平成29年度(2017年度)第二種電気工事士技能試験の候補問題No.12の複線図の書き方について解説しています。複線図を書く手順と書き方について解説していますので、複線図の書き方の勉強の参考にしてみてください。平成29年度の候補問題No.12は、合成樹脂製可とう電線管(PF管)がある候補問題です。
- 第二種電気工事士候補問題の複線図の書き方 平成29年度No.13
- 平成29年度(2017年度)第二種電気工事士技能試験の候補問題No.13の複線図の書き方について解説しています。複線図を書く手順と書き方について解説していますので、複線図の書き方の勉強の参考にしてみてください。平成29年度の候補問題No.13は、自動点滅器がある候補問題です。
- 平成29年度 第二種電気工事士候補問題の単線図と複線図の一覧表
- 平成29年度(2017年度)第二種電気工事士技能試験の候補問題の単線図と複線図を一覧表にまとめました。候補問題の複線図の書き方の勉強などに活用してみてください。

