スポンサーリンク
第二種電気工事士候補問題の複線図の書き方 平成27年度No.6
※ページ内にPR・広告が含まれる場合があります。
このページに掲載している候補問題の複線図の書き方は、平成27年度(2015年度)の候補問題の複線図の書き方です。令和6年度(2024年度)の候補問題の複線図の書き方は、こちらの令和6年度 第二種電気工事士技能試験の候補問題の複線図の書き方のページを参考にしてみてください。
平成27年度(2015年度)第二種電気工事士技能試験候補問題No.6の複線図の書き方の解説ページです。
技能試験の施工の練習(実際に製作する練習)をするときには、電気技術者試験センターから公表される全13問の候補問題の単線図を自分で複線図に直し、その自分で直した複線図を見ながら施工していきます。
したがって、各候補問題の単線図を複線図に直せないと施工することすらできない(技能試験の勉強を進めることができない)ことになりますので、技能試験の勉強をスタートしたら、まず初めに複線図の書き方をおぼえなければなりません。(ちなみに、全13問の候補問題は上期試験、下期試験共通です。)
複線図の書き方は初めはよく分からないかもしれませんが、複線図を書くためには書くための手順があって、その手順を守って書いていけばだんだん慣れてきて簡単にスイスイ書けるようになります。
スポンサーリンク
複線図を書くときの基本的な手順はだいたいどの候補問題も同じで次のようになります。
複線図を書く基本的な手順
@単線図に書かれている電源、器具などを同じ配置で書きます。
A電源の接地側をスイッチ以外の器具につなげます。
B電源の非接地側をスイッチとコンセントにつなげます。
Cスイッチからそのスイッチに対応する器具につなげます。
D電線を接続するところ(ジョイントボックスとアウトレットボックス)を○または□で囲みます。
(ジョイントボックスは○、アウトレットボックスは□)
Eスリーブで接続するところには●、コネクタで接続するところには■を書きます。
F電源の接地側につながっている線に「シ」(白色の電線の意味)を書きます。
G電源の非接地側につながっている線に「ク」(黒色の電線の意味)を書きます。
H電線の色が書かれていないところに電線の色を書きます。
複線図を書く基本的な手順は以上のようになり、この順番で書いていくと候補問題の複線図が完成します。
「う〜ん、めんどくさそうだな〜。」 とか、「難しそうだなぁ〜。」
と思うかもしれませんが、書き慣れてくるとそんなに大変でもなくなるので、まずは何度も書く練習をして慣れるようにしましょう!
それから、複線図を効率良くおぼえるコツは、
・書く順番を守る!
・練習する度に書き方や書く順番を変えない!
ことで、この2つが大きなポイントになります。
技能試験を受験する方に複線図の書き方を教えて複線図を書いているのを見ていると、毎回書く順番が違っていたり、書き方が書く度に違っていたりする方もいたりします。
初めのうちは仕方がないことですが、複線図を書く度に書く順番や書き方が違ってしまうと、間違いの元になったり、間違いに気付かなかったりしてしまいますので、
書く順番と書き方は毎回同じにする
ということを意識しながら複線図を書くようにしましょう!
また、複線図を書くときに「三色ボールペンを使用する派」と「シャープペン(黒色のみ)を使用する派」に分かれますが、当サイトでは、
・三色ボールペンは間違ったときに消せない(フリクションボールペンなら消せますが・・・)
・三色ボールペンで書き方をおぼえてしまうと電気工事士になったときに現場で三色ボールペンが必要
・現場の電気工事士が三色ボールペンで複線図を書いているのを(私は)見たことがない
という理由から、シャープペン(黒色のみ)で書く方法で解説(推奨)しています。
複線図の基本的な書き方のページでは、簡単な単線図を例にして複線図の基本的な書き方について解説していますので、複線図の勉強をこれから始める方は参考にしてみてもいいと思います。
スポンサーリンク
スポンサーリンク
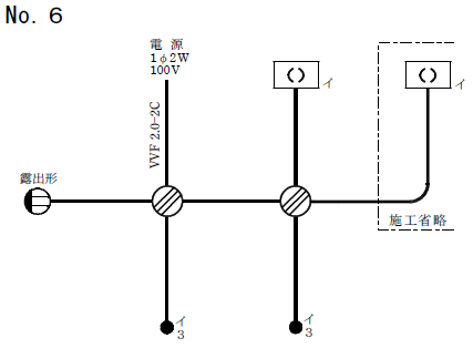
平成27年度(2015年度)No.6の候補問題の単線図

平成27年度(2015年度)No.6の候補問題の単線図は、3路スイッチを2個使った回路で、露出形コンセントがある単線図になります。(ちなみに、この候補問題は平成26年度No.1の類題で、メタルラス壁(防護管の施工が必要)がなくなった単線図です。器具の位置も変わっていますが・・・)
(単線図の詳細は平成27年度候補問題No.6単線図の解説のページを参考にしてみてください。)
この単線図を複線図を書くときの手順通りに書いて複線図に直してみます。
ここで、複線図を書く条件(想定される電線の接続方法)は次のようにします。
電線の接続方法(想定施工条件)
- 左側のジョイントボックスではリングスリーブによる終端接続
- 右側のジョイントボックスでは差込形コネクタによる接続
※電線の接続方法は想定ですので、本番の試験では接続方法が異なる可能性もあります。試験のときは問題用紙に記載されている施工条件を確認し、必ずそれにしたがってください。
それから、3路スイッチを使った単線図の複線図への直し方は、他の複線図の書き方とはちょっと違ったところもあります。ですが、基本的な書き順はどれも同じで、決まった順番で書いていくだけなのでおぼえてしまえばどうってことないですよ。
平成27年度(2015年度)No.6の候補問題の複線図の書き方
@単線図に書かれている電源、器具などを同じ配置で書きます
単線図の配置そのままで電源、器具などを書きます。
の前に、3路スイッチについてちょっとだけ説明します。
3路スイッチは2箇所で1つの照明などをON/OFFするときに使われるスイッチで、階段の上の階と下の階などに使われています。それで、複線図を書くためには3路スイッチの図を書かなければなりませんが、3路スイッチは次のように書きます。

3路スイッチには端子(電線を接続するところ)が3つあって、端子番号がそれぞれ「0」「1」「3」になります。なので、端子の○を3つ書いて、あとはスイッチっぽく書くために図のように線を書いておきます。
3路スイッチについてここでは詳しく説明しませんが、もうちょっと知りたい方は3路スイッチと4路スイッチのページで詳しく説明していますので参考にしてみましょう。
それでは話を戻して、単線図の配置そのままで電源、器具などを書いていきます。
複線図は電線一本一本のつながりが分かるように書くものなので、電源は接地側と非接地側を区別できるように、接地側を「N(シ)」、非接地側を「L(ク)」と書きます。
3路スイッチは上の図を真似て書けばいいですね。それでこのときに端子番号を間違って書くと間違ったところに接続したモノができあがってしまうので注意です!
施工省略のところは施工省略が分かるように単線図と同じように点線で囲っておきます。この点線が意外に大事で、点線を書かないで施工すると、作らなくてもいいのに間違って作ってしまったりして、がっかりします。少しでも時間短縮したい人は「施工省略」とわざわざ書かなくてもいいですが点線だけは必ず書きましょう。
スイッチと器具の対応を示す「イ」も忘れずに書きましょう。施工省略の引掛シーリング(角形)にも「イ」ですね。

A電源の接地側(N(シ))をスイッチ以外の器具につなげます
電源の接地側(N(シ))をスイッチ以外の器具につなげます。
この場合のスイッチ以外の器具とは「引掛シーリング(角形)」×2個と「コンセント(露出形)」ですね。
また、このときに気を付けてほしいのですが、線のつながりを表わす「●」を必ず書くようにしましょう。複線図を書き進めて線が多くなって重なってくると、線のつながりが分からなくなり混乱してしまいます。本番のときに「●」を書き忘れていると最後の方で焦っちゃいますよ!

B電源の非接地側(L(ク))をスイッチとコンセントにつなげます
電源の非接地側(L(ク))をスイッチとコンセントにつなげます。
3路スイッチがある回路の場合は、まず1つ目の3路スイッチ(この場合左側)の「0」につなげます。つなげる端子番号を間違えないように注意しましょう!
線のつながりを表わす「●」も忘れずに。

C3路スイッチから3路スイッチにつなげます
左側の3路スイッチから右側の3路スイッチにつなげます。
このとき、左側の3路スイッチの「1」は右側の3路スイッチの「1」、左側の3路スイッチの「3」は右側の3路スイッチの「3」につなげます。
端子番号を間違えないように注意!

Dスイッチからそのスイッチに対応する器具につなげます
「イ」の3路スイッチで「イ」の引掛シーリング(角形)×2個をON/OFFするので、右側の3路スイッチの「0」を引掛シーリング(角形)×2個につなげます。
施工省略の引掛シーリング(角形)も「イ」なので、施工省略の引掛シーリング(角形)への接続も忘れないようにしましょう!

E電線を接続するところを○または□で囲みます
電線を接続するところを○または□で囲みます。
電線を接続するところとはジョイントボックスまたはアウトレットボックスのことで、ジョイントボックスまたはアウトレットボックスのところで電線が接続されます。
ジョイントボックスの場合は○、アウトレットボックスの場合は□で囲みます。
この候補問題の場合は接続するところは2箇所で、どちらもジョイントボックスなので○で囲みます。
ここでちょっと補足ですが、技能試験ではジョイントボックスの実物は無く(支給されないという意味)、ジョイントボックスがあるものとして施工(製作)します。(アウトレットボックスは支給されるので、アウトレットボックスがある単線図の場合には実物を使用して施工します。)
たまに「ジョイントボックスがありません!」と言う人がいますが、間違いなくありません。

Fスリーブ接続には●、コネクタ接続には■を書きます
電線をスリーブ(リングスリーブ)で接続するところには●、コネクタで接続するところには■を書きます。
ここでは、電線の接続を左側のジョイントボックスではリングスリーブによる終端接続、右側のジョイントボックスでは差込形コネクタによる接続と想定していますので、左側のジョイントボックスの接続するところには●、右側のジョイントボックスの接続するところには■を書きます。

G電源の接地側(N(シ))につながっている線に「シ」と書きます
電源の接地側(N(シ))につながっている線に「シ」と書きます。
この「シ」の意味は電線の絶縁被覆の色が白色という意味で、接地側(N(シ))につながる電線の色は基本的に白色になります。
電源の接地側(N(シ))からたどっていって、つながっている線にだけ「シ」と書けばいいです。
複線図に電線の色を書いていくときも、必ず順番を守ってください。書く順番を守ることが複線図を間違えずに書くコツですので。

H電源の非接地側(L(ク))につながっている線に「ク」と書きます
電源の非接地側(L(ク))につながっている線に「ク」と書きます。
この「ク」の意味は電線の絶縁被覆の色が黒色という意味で、非接地側(L(ク))につながる電線の色は基本的に黒色になります。
電源の非接地側(L(ク))からたどっていって、つながっている線にだけ「ク」と書けばいいです。

I電線の色が書かれていないところに電線の色を書きます
電線の色がまだ書かれていないところに残りの電線の色を書けば完成です。
2心ケーブルの電線の絶縁被覆の色は「黒色と白色」、3心ケーブルの電線の絶縁被覆の色は「黒色と白色と赤色」なので、残りの電線の色は決まりますね。

おっと、この候補問題の場合、図の点線で囲まれているところの色は決まりませんね。このような場合は、施工条件で指定されない限りどの色にしてもかまいません。本番の試験のときには色の指定がないか、問題用紙に書かれている施工条件を必ず確認するようにしましょう!

これで平成27年度(2015年度)候補問題No.6の複線図が完成しました。
複線図を書くときには書く順番があって、この順番を守って書けば誰でも簡単に書けるので頑張って複線図の書き方をおぼえましょう!
3路スイッチの複線図の書き方は他の複線図とちょっと違いますけどね・・・
それから、技能試験の練習(試験対策)を進めるためには、まず複線図が書けないとどうにもなりませんので、技能試験の練習を効率よく進めるためにも複線図の書き方は早めにおぼえておいた方がいいですよ。
・複線図を書くときは書く順番を必ず守ろう!
・施工条件を必ず確認しよう!
スポンサーリンク
スポンサーリンク
単線図がよく分からないという方はこちらの第二種電気工事士候補問題の単線図の解説平成27年度No.6のページを参考にしてみましょう。施工条件についてはこちらの技能試験の施工条件の解説を参考にしてみてください。
(平成27年度(2015年度)候補問題の単線図と複線図の一覧表はこちら)
スポンサーリンク
第二種電気工事士候補問題の複線図の書き方 平成27年度No.6 関連ページ
- 第二種電気工事士候補問題の複線図の書き方 平成27年度No.1
- 平成27年度(2015年度)第二種電気工事士技能試験の候補問題No.1の複線図の書き方について解説しています。複線図を書く手順と書き方について解説していますので、複線図の書き方の勉強の参考にしてみてください。候補問題No.1は3個のスイッチ(1個は位置表示灯内蔵スイッチ)で3個の器具をON/OFFする回路の候補問題です。
- 第二種電気工事士候補問題の複線図の書き方 平成27年度No.2
- 平成27年度(2015年度)第二種電気工事士技能試験の候補問題No.2の複線図の書き方について解説しています。複線図を書く手順と書き方について解説していますので、複線図の書き方の勉強の参考にしてみてください。候補問題No.2は常時点灯の確認表示灯がある候補問題になります。
- 第二種電気工事士候補問題の複線図の書き方 平成27年度No.3
- 平成27年度(2015年度)第二種電気工事士技能試験の候補問題No.3の複線図の書き方について解説しています。複線図を書く手順と書き方について解説していますので、複線図の書き方の勉強の参考にしてみてください。候補問題No.3は位置表示灯内蔵スイッチを使用した候補問題です。
- 第二種電気工事士候補問題の複線図の書き方 平成27年度No.4
- 平成27年度(2015年度)第二種電気工事士技能試験の候補問題No.4の複線図の書き方について解説しています。複線図を書く手順と書き方について解説していますので、複線図の書き方の勉強の参考にしてみてください。候補問題No.4は単相100Vと三相200Vの2つの電源、電源表示灯、三相200Vの電動機がある候補問題です。
- 第二種電気工事士候補問題の複線図の書き方 平成27年度No.5
- 平成27年度(2015年度)第二種電気工事士技能試験の候補問題No.5の複線図の書き方について解説しています。複線図を書く手順と書き方について解説していますので、複線図の書き方の勉強の参考にしてみてください。候補問題No.5は100Vと200Vの2つの電源がある回路です。
- 第二種電気工事士候補問題の複線図の書き方 平成27年度No.7
- 平成27年度(2015年度)第二種電気工事士技能試験の候補問題No.7の複線図の書き方について解説しています。複線図を書く手順と書き方について解説していますので、複線図の書き方の勉強の参考にしてみてください。候補問題No.7は3路スイッチと4路スイッチを使用した候補問題です。
- 第二種電気工事士候補問題の複線図の書き方 平成27年度No.8
- 平成27年度(2015年度)第二種電気工事士技能試験の候補問題No.8の複線図の書き方について解説しています。複線図を書く手順と書き方について解説していますので、複線図の書き方の勉強の参考にしてみてください。候補問題No.8はリモコンリレーの候補問題です。
- 第二種電気工事士候補問題の複線図の書き方 平成27年度No.9
- 平成27年度(2015年度)第二種電気工事士技能試験の候補問題No.9の複線図の書き方について解説しています。複線図を書く手順と書き方について解説していますので、複線図の書き方の勉強の参考にしてみてください。候補問題No.9は接地極付接地端子付コンセント(EETコンセント)を使用した候補問題です。
- 第二種電気工事士候補問題の複線図の書き方 平成27年度No.10
- 平成27年度(2015年度)第二種電気工事士技能試験の候補問題No.10の複線図の書き方について解説しています。複線図を書く手順と書き方について解説していますので、複線図の書き方の勉強の参考にしてみてください。候補問題No.10は配線用遮断器と同時点滅の確認表示灯(パイロットランプ)がある候補問題です。
- 第二種電気工事士候補問題の複線図の書き方 平成27年度No.11
- 平成27年度(2015年度)第二種電気工事士技能試験の候補問題No.11の複線図の書き方について解説しています。複線図を書く手順と書き方について解説していますので、複線図の書き方の勉強の参考にしてみてください。候補問題No.11はねじなし電線管(E19)を使用した候補問題です。
- 第二種電気工事士候補問題の複線図の書き方 平成27年度No.12
- 平成27年度(2015年度)第二種電気工事士技能試験の候補問題No.12の複線図の書き方について解説しています。複線図を書く手順と書き方について解説していますので、複線図の書き方の勉強の参考にしてみてください。候補問題No.12は合成樹脂製可とう電線管(PF管)を使用した候補問題です。
- 第二種電気工事士候補問題の複線図の書き方 平成27年度No.13
- 平成27年度(2015年度)第二種電気工事士技能試験の候補問題No.13の複線図の書き方について解説しています。複線図を書く手順と書き方について解説していますので、複線図の書き方の勉強の参考にしてみてください。候補問題No.13は自動点滅器を使用し、メタルラス壁がある候補問題です。
- 平成27年度 第二種電気工事士候補問題の単線図と複線図の一覧表
- 平成27年度(2015年度)第二種電気工事士技能試験の候補問題の単線図と複線図を一覧表にまとめています。候補問題の複線図の書き方の勉強に活用してみてください。

