スポンサーリンク
第二種電気工事士候補問題の複線図の書き方 平成25年度No.12
※ページ内にPR・広告が含まれる場合があります。
このページに掲載している候補問題の複線図の書き方は、平成25年度(2013年度)の候補問題の複線図の書き方です。令和6年度(2024年度)の候補問題の複線図の書き方は、こちらの令和6年度 第二種電気工事士技能試験の候補問題の複線図の書き方のページを参考にしてみてください。
平成25年度(2013年度)第二種電気工事士技能試験候補問題No.12の複線図の書き方の解説ページです。
技能試験の勉強(練習)を進めるためには、まず初めに、電気技術者試験センターから毎年公表される全13問の候補問題(単線図)を複線図に直せなければなりません。(ちなみに、全13問の候補問題は上期試験、下期試験共通です。)
複線図の書き方は初めはよく分からないかもしれませんが、複線図を書くためには書くための順番があって、この順番を守って書いていけばだんだん慣れてきて簡単にスイスイ書けるようになります。
スポンサーリンク
それで、複線図を書くときの基本的な順番は次のようになります。
@単線図に書かれている電源、器具を同じ配置で書きます。
A電源のマイナスをスイッチ以外の器具につなげます。
B電源のプラスをスイッチとコンセントにつなげます。
Cスイッチからそのスイッチに対応する器具につなげます。
D電線を接続するところ(ジョイントボックスとアウトレットボックス)を○または□で
囲みます。 (ジョイントボックスは○、アウトレットボックスは□)
Eスリーブで接続するところには●、コネクタで接続するところには■を書きます。
F電源のマイナスがつながっている線に「シ」(白色の電線の意味)を書きます。
G電源のプラスにつながっている線に「ク」(黒色の電線の意味)を書きます。
H電線の色が書かれていないところに電線の色を書きます。
複線図を書く順番は以上で、この順番を必ず守るようにしましょう!
「う〜ん、めんどくさそうだな〜。」
と思うかもしれませんが、書いてみるとそうでもないですよ。
「複線図を書くときは書く順番を守る」というのが複線図を簡単に正確に書くコツで、この順番を常に守ることで効率よくおぼえることができます。
また、複線図の基本的な書き方のページでは、簡単な単線図を例にして複線図の基本的な書き方について解説していますので、複線図の勉強をこれから始める方は参考にしてみてるといいと思います。
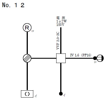
平成25年度No.12の候補問題の単線図

平成25年度(2013年度)No.12の候補問題の単線図は、PF管(合成樹脂製可とう電線管)を使用した単線図です。
単線図の詳しい解説については、平成25年度(2013年度)候補問題No.12単線図の解説のページを参考にしてください。
この単線図を複線図を書くときの手順通りに書いて複線図に直してみます。
ここで複線図を書く条件(想定)として、左側のジョイントボックスではリングスリーブによる接続、右側のアウトレットボックスではコネクタによる接続とします。
スポンサーリンク
スポンサーリンク
平成25年度No.12の候補問題の複線図の書き方
@単線図に書かれている電源、器具を同じ配置で書きます
単線図の配置そのままで電源、器具を書きます。
ただし、複線図は電線一本一本のつながりが分かるように書くものなので、電源はプラスとマイナスを区別できるように「+」と「−」、スイッチは電線を接続する端子が分かるようにスイッチっぽい絵で書きます。
スイッチと器具の対応を示す「イ」「ロ」も忘れずに書きましょう。

A電源のマイナスをスイッチ以外の器具につなげます
電源のマイナス(−)をスイッチ以外の器具につなげます。
この場合のスイッチ以外の器具とは「ランプレセプタクル」「角形シーリング」「コンセント」ですね。
このときに気を付けてほしいのですが、線のつながりを表わす「●」を必ず書くようにしましょう。複線図を書き進めて線が多くなって重なってくると、線のつながりが分からなくなり混乱してしまいます。本番のときに「●」を書き忘れていると最後の方で焦っちゃいますよ!

B電源のプラスをスイッチとコンセントにつなげます
電源のプラス(+)をスイッチとコンセントにつなげます。
この候補問題の場合スイッチは「イ」と「ロ」の2個あるので、「イ」と「ロ」にプラスの線をつなげます。
コンセントへは「ロ」のスイッチから渡らせます。
このときも、線のつながりを表わす「●」を忘れずに書きましょう。

Cスイッチからそのスイッチに対応する器具につなげます
スイッチは「イ」と「ロ」があるので、それぞれのスイッチに対応する器具につなげます。
「イ」のスイッチに対応する器具は「イ」の角形シーリングなので、スイッチ「イ」のまだ何も線がつながっていないところ(この場合左側)から角形シーリングに線をつなげます。
「ロ」のスイッチに対応する器具は「ロ」のランプレセプタクルなので、スイッチ「ロ」のまだ何も線がつながっていないところ(この場合上側)から「ロ」のランプレセプタクルに線をつなげます。

D電線を接続するところを○または□で囲みます
電線を接続するところを○または□で囲みます。
電線を接続するところとはジョイントボックスまたはアウトレットボックスのことで、このジョイントボックスまたはアウトレットボックスのところで電線が接続されます。
ジョイントボックスの場合は○、アウトレットボックスの場合は□で囲みます。
この候補問題の場合は接続するところが2箇所あって、左側はジョイントボックス、右側はアウトレットボックスなので、左側は○で右側は□で囲みます。
ここでちょっと補足ですが、技能試験ではジョイントボックスの実物は無く、ジョイントボックスがあるものとして施工(製作)します。(アウトレットボックスは実物があります。)
たまに「ジョイントボックスがありません!」と言う人がいますが、間違いなくありません。

Eスリーブ接続には●、コネクタ接続には■を書きます
電線をスリーブ(リングスリーブ)で接続するところには●、コネクタで接続するところには■を書きます。
ここでは左側のジョイントボックスの接続はスリーブ接続、右側のジョイントボックスの接続はコネクタ接続と想定していますので、左側の電線を接続するところには●、右側の電線を接続するところには■を書きます。
このときに、電線2本だけを接続するところを書き忘れる人が多いので注意ですよ!

F電源のマイナスにつながっている線に「シ」と書きます
電源のマイナス(−)につながっている線に「シ」と書きます。
この「シ」の意味は電線被覆の色が白色という意味です。
電源のマイナス(−)からたどっていって、つながっている線にだけ「シ」と書けばいいです。
複線図に電線の色を書いていくときも、必ず順番を守ってください。書く順番を守ることが複線図を間違わずに書くコツですので。

G電源のプラスにつながっている線に「ク」と書きます
電源のプラス(+)につながっている線に「ク」と書きます。
この「ク」の意味は電線被覆の色が黒色という意味です。
電源のプラス(+)からたどっていって、つながっている線にだけ「ク」と書けばいいです。
「ロ」のスイッチからコンセントへの渡り線の色も忘れずに書きましょう!

H電線の色が書かれていないところに電線の色を書きます
電線の色がまだ書かれていないところに残りの電線の色を書けば完成です。
2心のケーブルの電線被覆の色は「白色と黒色」、3心のケーブルの電線被覆の色は「白色と黒色と赤色」なので、残りの電線の色は決まりますね。
おっと、この候補問題の場合、図の点線で囲まれているところの色は決まりませんね。このような場合は、施工条件で指定されない限りどちらの色にしてもかまいません。本番の試験のときは色の指定がないか必ず施工条件を確認しましょう!
それから、下図の電線の色が「?」のところは試験本番で支給されるIV電線を使用するので、試験本番まで色は未確定です。試験本番の問題用紙に書かれている施工条件をよく読み、適切な色のIV電線を使用するようにしましょう。

これで平成25年度No.12候補問題の複線図が完成しました。
複線図を書くときには書く順番があって、この順番を守って書けば誰でも簡単に書けるので頑張って複線図の書き方をおぼえましょう!
それから、技能試験の練習を進めるためには、まず複線図が書けないとどうにもなりませんので、技能試験の練習を効率よく進めるためにも複線図の書き方は早めにマスターしておいた方がいいですよ。
スポンサーリンク
スポンサーリンク
スポンサーリンク
第二種電気工事士候補問題の複線図の書き方 平成25年度No.12 関連ページ
- 候補問題の複線図の書き方 平成25年度No.1
- 平成25年度(2013年度)第二種電気工事士技能試験の候補問題No.1の複線図の書き方について解説しています。複線図を書くコツは書く順番をおぼえて、その順番通りに書き進めることです。この順番さえおぼえれば誰でも簡単に複線図を書くことができるようになります。候補問題No.1は常時点灯の確認表示灯がある回路です。
- 候補問題の複線図の書き方 平成25年度No.2
- 平成25年度(2013年度)第二種電気工事士技能試験の候補問題No.2の複線図の書き方について解説しています。複線図を書くコツは書く順番をおぼえて、その順番通りに書き進めることです。この順番さえおぼえれば誰でも簡単に複線図を書くことができるようになります。候補問題No.2はリモコンリレーの回路です。
- 候補問題の複線図の書き方 平成25年度No.3
- 平成25年度(2013年度)第二種電気工事士技能試験の候補問題No.3の複線図の書き方について解説しています。複線図を書くコツは書く順番をおぼえて、その順番通りに書き進めることです。この順番さえおぼえれば誰でも簡単に複線図を書くことができるようになります。候補問題No.3は接地端子がある回路です。
- 候補問題の複線図の書き方 平成25年度No.4
- 平成25年度(2013年度)第二種電気工事士技能試験の候補問題No.4の複線図の書き方について解説しています。複線図を書くコツは書く順番をおぼえて、その順番通りに書き進めることです。この順番さえおぼえれば誰でも簡単に複線図を書くことができるようになります。候補問題No.4は100Vと200Vの2つの電源がある回路です。
- 候補問題の複線図の書き方 平成25年度No.5
- 平成25年度(2013年度)第二種電気工事士技能試験の候補問題No.5の複線図の書き方について解説しています。複線図を書くコツは書く順番をおぼえて、その順番通りに書き進めることです。この順番さえおぼえれば誰でも簡単に複線図を書くことができるようになります。候補問題No.5は位置表示灯内蔵スイッチがある回路です。
- 候補問題の複線図の書き方 平成25年度No.6
- 平成25年度(2013年度)第二種電気工事士技能試験の候補問題No.6の複線図の書き方について解説しています。複線図を書くコツは書く順番をおぼえて、その順番通りに書き進めることです。この順番さえおぼえれば誰でも簡単に複線図を書くことができるようになります。候補問題No.6は配線用遮断器と同時点滅の確認表示灯がある回路です。
- 候補問題の複線図の書き方 平成25年度No.7
- 平成25年度(2013年度)第二種電気工事士技能試験の候補問題No.7の複線図の書き方について解説しています。複線図を書くコツは書く順番をおぼえて、その順番通りに書き進めることです。この順番さえおぼえれば誰でも簡単に複線図を書くことができるようになります。候補問題No.7は三路スイッチと四路スイッチを使用した回路です。
- 候補問題の複線図の書き方 平成25年度No.8
- 平成25年度(2013年度)第二種電気工事士技能試験の候補問題No.8の複線図の書き方について解説しています。複線図を書くコツは書く順番をおぼえて、その順番通りに書き進めることです。この順番さえおぼえれば誰でも簡単に複線図を書くことができるようになります。候補問題No.8は100Vと200Vの2つの電源、電源表示灯、電動機がある回路です。
- 候補問題の複線図の書き方 平成25年度No.9
- 平成25年度(2013年度)第二種電気工事士技能試験の候補問題No.9の複線図の書き方について解説しています。複線図を書くコツは書く順番をおぼえて、その順番通りに書き進めることです。この順番さえおぼえれば誰でも簡単に複線図を書くことができるようになります。候補問題No.9は三路スイッチを使用した回路でメタルラス壁があります。
- 候補問題の複線図の書き方 平成25年度No.10
- 平成25年度(2013年度)第二種電気工事士技能試験の候補問題No.10の複線図の書き方について解説しています。複線図を書くコツは書く順番をおぼえて、その順番通りに書き進めることです。この順番さえおぼえれば誰でも簡単に複線図を書くことができるようになります。候補問題No.10は3個のスイッチで3個の機器をON/OFFする回路です。
- 候補問題の複線図の書き方 平成25年度No.11
- 平成25年度(2013年度)第二種電気工事士技能試験の候補問題No.11の複線図の書き方について解説しています。複線図を書くコツは書く順番をおぼえて、その順番通りに書き進めることです。この順番さえおぼえれば誰でも簡単に複線図を書くことができるようになります。候補問題No.11は自動点滅器がある回路です。
- 候補問題の複線図の書き方 平成25年度No.13
- 平成25年度(2013年度)第二種電気工事士技能試験の候補問題No.13の複線図の書き方について解説しています。複線図を書くコツは書く順番をおぼえて、その順番通りに書き進めることです。この順番さえおぼえれば誰でも簡単に複線図を書くことができるようになります。候補問題No.13はねじなし電線管を使用した単線図です。
- 平成25年度 第二種電気工事士候補問題の単線図と複線図の一覧表
- 平成25年度(2013年度)第二種電気工事士技能試験の候補問題の単線図と複線図を一覧表にまとめています。候補問題の複線図の書き方の勉強に活用してみてください。

