スポンサーリンク
第二種電気工事士筆記試験 平成28年度上期問43・44 複線図の書き方
※ページ内にPR・広告が含まれる場合があります。
平成28年度(2016年度)の第二種電気工事士上期筆記試験(学科試験)の問43・44で出題された配線図の複線図の書き方について解説しています。
複線図の書き方を一つ一つ順を追って解説していますので、学科試験の勉強(学科試験対策)に活用してみてください。
配線図の全体を見たい場合は、過去問題集などの参考書(持っている場合)、または(一財)電気技術者試験センターのホームページで試験問題(PDF)をダウンロードして参照してください。(過去の試験問題をダウンロードできる(一財)電気技術者試験センターのホームページはこちら)
スポンサーリンク
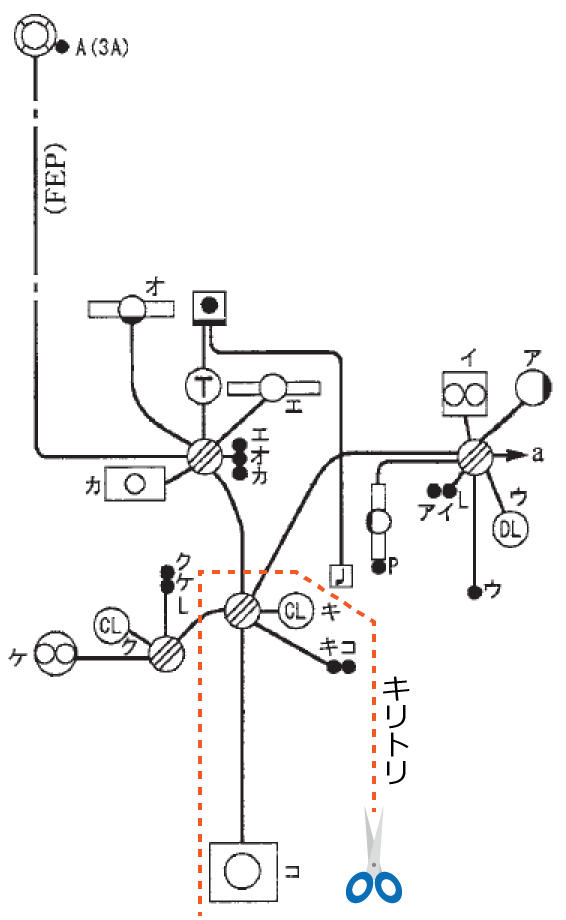
平成28年度第二種電気工事士上期筆記試験の配線図(問43・44)
平成28年度の第二種電気工事士上期筆記試験(問43・44)で出題された配線図は、次のような配線図です。(問43・44に関係する部分のみ抜粋しています。)

ちなみに、問43の問題は「配線図の⑬で示すボックス内で使用する差込形コネクタの種類と最少個数の組合せを問う問題」、問44の問題は「配線図の⑭で示す部分に必要なケーブルを問う問題」です。
問43・44に関係する部分(配線図の⑬・⑭に関係する部分)の配線図を抜き出してみると、次のようになります。

こ、これ全部複線図にするんですか?みたいな感じですよね。
でも、そんなことはないので大丈夫!
この配線図の回路を次のような4つの回路(回路①〜回路④)に分けてみます。すると、4つの回路間の配線は電源のやりとりをするだけ(電源をもらったり渡したりするだけ)の配線になるので、それぞれの回路を分けて考える(分けて複線図を書く)ことができます。

なので、問43・44の問題を解くのに必要な回路②の部分は残して、回路①と回路③と回路④の部分は切り落としてしまいましょう。


書かなくていいところを除くと、こんなものなのね…。
複線図を書く範囲が決まったので、では、複線図を書いてみましょう。
スポンサーリンク
スポンサーリンク
平成28年度第二種電気工事士上期筆記試験 問43・44の配線図の複線図の書き方と手順
①電源や器具などを配線図と同じ配置で書く
電源や器具などを配線図と同じ配置で書きます。

②N(接地側)をスイッチ以外の器具につなげる
電源のN(接地側)をスイッチ以外の器具(「キ」のシーリング、「コ」の蛍光灯)につなげます。
それから、切り落とした回路③と回路④へ電源を渡さなければならないので、左側(回路③側)と上側(回路④側)にも線を出しておきます。

③L(非接地側)をスイッチにつなげる
電源のL(非接地側)をスイッチにつなげます。
それから、切り落とした回路③と回路④へ電源を渡さなければならないので、N(接地側)と同じように左側(回路③側)と上側(回路④側)にも線を出しておきます。

④スイッチを対応する器具につなげる
スイッチを対応する器具(「キ」のスイッチは「キ」のシーリング、「コ」のスイッチは「コ」の蛍光灯)につなげます。

⑤電線の接続箇所に●を書く
電線の接続箇所(電線と電線を接続するところ)に●を書くと、複線図完成です!(既に●が書いてあるところは、そのままにします。)

平成28年度上期筆記試験 問43・44の配線図の複線図の完成図

スポンサーリンク
スポンサーリンク
第二種電気工事士学科試験で出題された配線図と複線図の一覧表はこちら。
スポンサーリンク
第二種電気工事士筆記試験 平成28年度上期問43・44 複線図の書き方 関連ページ
- 第二種電気工事士学科試験 平成24年度下期問14 過去問と解説
- 第二種電気工事士学科試験の平成24年度下期問14の問題と解説です。この過去問は三相誘導電動機の逆回転についての問題で、平成21年度問14と同じ問題です。第二種電気工事士の学科試験では、このようにまったく同じ問題が出題されることもありますので、過去問はしっかり勉強しておきましょう。
- 第二種電気工事士学科試験で出題された配線図と複線図の一覧表
- 第二種電気工事士学科試験で出題された配線図とその複線図を一覧表にまとめました。学科試験の複線図の書き方の勉強などに活用してみてください。
- 第二種電気工事士学科試験 令和7年度上期問39・42・44・47・48 複線図の書き方
- 第二種電気工事士学科試験(令和7年度(2025年度)上期問39・42・44・47・48)で出題された配線図の複線図の書き方について解説しています。試験で出題された問題の配線図の複線図の書き方を一つ一つ順を追って解説していますので、学科試験の勉強に活用してみてください。
- 第二種電気工事士学科試験 令和7年度下期問37・41 複線図の書き方
- 第二種電気工事士学科試験(令和7年度(2025年度)下期問37・41)で出題された配線図の複線図の書き方について解説しています。試験で出題された問題の配線図の複線図の書き方を一つ一つ順を追って解説していますので、学科試験の勉強に活用してみてください。
- 第二種電気工事士学科試験 令和6年度上期問40・49 複線図の書き方
- 第二種電気工事士学科試験(令和6年度(2024年度)上期問40・49)で出題された配線図の複線図の書き方について解説しています。試験で出題された問題の配線図の複線図の書き方を一つ一つ順を追って解説していますので、学科試験の勉強に活用してみてください。
- 第二種電気工事士学科試験 令和6年度上期問41 複線図の書き方
- 第二種電気工事士学科試験(令和6年度(2024年度)上期問41)で出題された配線図の複線図の書き方について解説しています。試験で出題された問題の配線図の複線図の書き方を一つ一つ順を追って解説していますので、学科試験の勉強に活用してみてください。
- 第二種電気工事士学科試験 令和6年度上期問48 複線図の書き方
- 第二種電気工事士学科試験(令和6年度(2024年度)上期問48)で出題された配線図の複線図の書き方について解説しています。試験で出題された問題の配線図の複線図の書き方を一つ一つ順を追って解説していますので、学科試験の勉強に活用してみてください。
- 第二種電気工事士学科試験 令和6年度下期問31・43・46 複線図の書き方
- 第二種電気工事士学科試験(令和6年度(2024年度)下期問31・43・46)で出題された配線図の複線図の書き方について解説しています。試験で出題された問題の配線図の複線図の書き方を一つ一つ順を追って解説していますので、学科試験の勉強に活用してみてください。
- 第二種電気工事士学科試験 令和6年度下期問42 複線図の書き方
- 第二種電気工事士学科試験(令和6年度(2024年度)下期問42)で出題された配線図の複線図の書き方について解説しています。試験で出題された問題の配線図の複線図の書き方を一つ一つ順を追って解説していますので、学科試験の勉強に活用してみてください。
- 第二種電気工事士学科試験 令和5年度上期【午前】問34・41・42 複線図の書き方
- 第二種電気工事士学科試験(令和5年度(2023年度)上期【午前】問34・41・42)で出題された配線図の複線図の書き方について解説しています。試験で出題された問題の配線図の複線図の書き方を一つ一つ順を追って解説していますので、学科試験の勉強に活用してみてください。
- 第二種電気工事士学科試験 令和5年度上期【午前】問45 複線図の書き方
- 第二種電気工事士学科試験(令和5年度(2023年度)上期【午前】問45)で出題された配線図の複線図の書き方について解説しています。試験で出題された問題の配線図の複線図の書き方を一つ一つ順を追って解説していますので、学科試験の勉強に活用してみてください。
- 第二種電気工事士学科試験 令和5年度上期【午前】問47 複線図の書き方
- 第二種電気工事士学科試験(令和5年度(2023年度)上期【午前】問47)で出題された配線図の複線図の書き方について解説しています。試験で出題された問題の配線図の複線図の書き方を一つ一つ順を追って解説していますので、学科試験の勉強に活用してみてください。
- 第二種電気工事士学科試験 令和5年度上期【午後】問38・42・45 複線図の書き方
- 第二種電気工事士学科試験(令和5年度(2023年度)上期【午後】問38・42・45)で出題された配線図の複線図の書き方について解説しています。試験で出題された問題の配線図の複線図の書き方を一つ一つ順を追って解説していますので、学科試験の勉強に活用してみてください。
- 第二種電気工事士学科試験 令和5年度上期【午後】問41 複線図の書き方
- 第二種電気工事士学科試験(令和5年度(2023年度)上期【午後】問41)で出題された配線図の複線図の書き方について解説しています。試験で出題された問題の配線図の複線図の書き方を一つ一つ順を追って解説していますので、学科試験の勉強に活用してみてください。
- 第二種電気工事士学科試験 令和5年度上期【午後】問44 複線図の書き方
- 第二種電気工事士学科試験(令和5年度(2023年度)上期【午後】問44)で出題された配線図の複線図の書き方について解説しています。試験で出題された問題の配線図の複線図の書き方を一つ一つ順を追って解説していますので、学科試験の勉強に活用してみてください。
- 第二種電気工事士学科試験 令和5年度上期【午後】問47 複線図の書き方
- 第二種電気工事士学科試験(令和5年度(2023年度)上期【午後】問47)で出題された配線図の複線図の書き方について解説しています。試験で出題された問題の配線図の複線図の書き方を一つ一つ順を追って解説していますので、学科試験の勉強に活用してみてください。
- 第二種電気工事士学科試験 令和5年度下期【午前】問41・42・43 複線図の書き方
- 第二種電気工事士学科試験(令和5年度(2023年度)下期【午前】問41・42・43)で出題された配線図の複線図の書き方について解説しています。試験で出題された問題の配線図の複線図の書き方を一つ一つ順を追って解説していますので、学科試験の勉強に活用してみてください。
- 第二種電気工事士学科試験 令和5年度下期【午前】問48 複線図の書き方
- 第二種電気工事士学科試験(令和5年度(2023年度)下期【午前】問48)で出題された配線図の複線図の書き方について解説しています。試験で出題された問題の配線図の複線図の書き方を一つ一つ順を追って解説していますので、学科試験の勉強に活用してみてください。
- 第二種電気工事士学科試験 令和5年度下期【午後】問33・41 複線図の書き方
- 第二種電気工事士学科試験(令和5年度(2023年度)下期【午後】問33・41)で出題された配線図の複線図の書き方について解説しています。試験で出題された問題の配線図の複線図の書き方を一つ一つ順を追って解説していますので、学科試験の勉強に活用してみてください。
- 第二種電気工事士学科試験 令和5年度下期【午後】問43・46・47 複線図の書き方
- 第二種電気工事士学科試験(令和5年度(2023年度)下期【午後】問43・46・47)で出題された配線図の複線図の書き方について解説しています。試験で出題された問題の配線図の複線図の書き方を一つ一つ順を追って解説していますので、学科試験の勉強に活用してみてください。
- 第二種電気工事士筆記試験 令和4年度上期【午前】問31・42・44 複線図の書き方
- 第二種電気工事士筆記試験(令和4年度(2022年度)上期【午前】問31・42・44)で出題された配線図の複線図の書き方について解説しています。試験で出題された問題の配線図の複線図の書き方を一つ一つ順を追って解説していますので、筆記試験の勉強に活用してみてください。
- 第二種電気工事士筆記試験 令和4年度上期【午前】問41 複線図の書き方
- 第二種電気工事士筆記試験(令和4年度(2022年度)上期【午前】問41)で出題された配線図の複線図の書き方について解説しています。試験で出題された問題の配線図の複線図の書き方を一つ一つ順を追って解説していますので、筆記試験の勉強に活用してみてください。
- 第二種電気工事士筆記試験 令和4年度上期【午前】問45・46 複線図の書き方
- 第二種電気工事士筆記試験(令和4年度(2022年度)上期【午前】問45・46)で出題された配線図の複線図の書き方について解説しています。試験で出題された問題の配線図の複線図の書き方を一つ一つ順を追って解説していますので、筆記試験の勉強に活用してみてください。
- 第二種電気工事士筆記試験 令和4年度上期【午後】問38 複線図の書き方
- 第二種電気工事士筆記試験(令和4年度(2022年度)上期【午後】問38)で出題された配線図の複線図の書き方について解説しています。試験で出題された問題の配線図の複線図の書き方を一つ一つ順を追って解説していますので、筆記試験の勉強に活用してみてください。
- 第二種電気工事士筆記試験 令和4年度上期【午後】問44・45・46 複線図の書き方
- 第二種電気工事士筆記試験(令和4年度(2022年度)上期【午後】問44・45・46)で出題された配線図の複線図の書き方について解説しています。試験で出題された問題の配線図の複線図の書き方を一つ一つ順を追って解説していますので、筆記試験の勉強に活用してみてください。
- 第二種電気工事士筆記試験 令和4年度上期【午後】問47 複線図の書き方
- 第二種電気工事士筆記試験(令和4年度(2022年度)上期【午後】問47)で出題された配線図の複線図の書き方について解説しています。試験で出題された問題の配線図の複線図の書き方を一つ一つ順を追って解説していますので、筆記試験の勉強に活用してみてください。
- 第二種電気工事士筆記試験 令和4年度下期【午前】問40他 複線図の書き方
- 第二種電気工事士筆記試験(令和4年度(2022年度)下期【午前】問40・45・46・47)で出題された配線図の複線図の書き方について解説しています。試験で出題された問題の配線図の複線図の書き方を一つ一つ順を追って解説していますので、筆記試験の勉強に活用してみてください。
- 第二種電気工事士筆記試験 令和4年度下期【午前】問42 複線図の書き方
- 第二種電気工事士筆記試験(令和4年度(2022年度)下期【午前】問42)で出題された配線図の複線図の書き方について解説しています。試験で出題された問題の配線図の複線図の書き方を一つ一つ順を追って解説していますので、筆記試験の勉強に活用してみてください。
- 第二種電気工事士筆記試験 令和4年度下期【午前】問44 複線図の書き方
- 第二種電気工事士筆記試験(令和4年度(2022年度)下期【午前】問44)で出題された配線図の複線図の書き方について解説しています。試験で出題された問題の配線図の複線図の書き方を一つ一つ順を追って解説していますので、筆記試験の勉強に活用してみてください。
- 第二種電気工事士筆記試験 令和4年度下期【午後】問21 複線図の書き方
- 第二種電気工事士筆記試験(令和4年度(2022年度)下期【午後】問21)で出題された配線図の複線図の書き方について解説しています。試験で出題された問題の配線図の複線図の書き方を一つ一つ順を追って解説していますので、筆記試験の勉強に活用してみてください。
- 第二種電気工事士筆記試験 令和4年度下期【午後】問37 複線図の書き方
- 第二種電気工事士筆記試験(令和4年度(2022年度)下期【午後】問37)で出題された配線図の複線図の書き方について解説しています。試験で出題された問題の配線図の複線図の書き方を一つ一つ順を追って解説していますので、筆記試験の勉強に活用してみてください。
- 第二種電気工事士筆記試験 令和4年度下期【午後】問41・45 複線図の書き方
- 第二種電気工事士筆記試験(令和4年度(2022年度)下期【午後】問41・45)で出題された配線図の複線図の書き方について解説しています。試験で出題された問題の配線図の複線図の書き方を一つ一つ順を追って解説していますので、筆記試験の勉強に活用してみてください。
- 第二種電気工事士筆記試験 令和4年度下期【午後】問42・43・44 複線図の書き方
- 第二種電気工事士筆記試験(令和4年度(2022年度)下期【午後】問42・43・44)で出題された配線図の複線図の書き方について解説しています。試験で出題された問題の配線図の複線図の書き方を一つ一つ順を追って解説していますので、筆記試験の勉強に活用してみてください。
- 第二種電気工事士筆記試験 令和3年度上期【午前】問40・48 複線図の書き方
- 第二種電気工事士筆記試験(令和3年度(2021年度)上期【午前】問40・48)で出題された配線図の複線図の書き方について解説しています。試験で出題された問題の配線図の複線図の書き方を一つ一つ順を追って解説していますので、筆記試験の勉強に活用してみてください。
- 第二種電気工事士筆記試験 令和3年度上期【午前】問46 複線図の書き方
- 第二種電気工事士筆記試験(令和3年度(2021年度)上期【午前】問46)で出題された配線図の複線図の書き方について解説しています。試験で出題された問題の配線図の複線図の書き方を一つ一つ順を追って解説していますので、筆記試験の勉強に活用してみてください。
- 第二種電気工事士筆記試験 令和3年度上期【午前】問47 複線図の書き方
- 第二種電気工事士筆記試験(令和3年度(2021年度)上期【午前】問47)で出題された配線図の複線図の書き方について解説しています。試験で出題された問題の配線図の複線図の書き方を一つ一つ順を追って解説していますので、筆記試験の勉強に活用してみてください。
- 第二種電気工事士筆記試験 令和3年度上期【午後】問21 複線図の書き方
- 第二種電気工事士筆記試験(令和3年度(2021年度)上期【午後】問21)で出題された配線図の複線図の書き方について解説しています。試験で出題された問題の配線図の複線図の書き方を一つ一つ順を追って解説していますので、筆記試験の勉強に活用してみてください。
- 第二種電気工事士筆記試験 令和3年度上期【午後】問39他 複線図の書き方
- 第二種電気工事士筆記試験(令和3年度(2021年度)上期【午後】問39・42・44・47・48)で出題された配線図の複線図の書き方について解説しています。試験で出題された問題の配線図の複線図の書き方を一つ一つ順を追って解説していますので、筆記試験の勉強に活用してみてください。
- 第二種電気工事士筆記試験 令和3年度下期【午前】問41 複線図の書き方
- 第二種電気工事士筆記試験(令和3年度(2021年度)下期【午前】問41)で出題された配線図の複線図の書き方について解説しています。試験で出題された問題の配線図の複線図の書き方を一つ一つ順を追って解説していますので、筆記試験の勉強に活用してみてください。
- 第二種電気工事士筆記試験 令和3年度下期【午前】問44・45 複線図の書き方
- 第二種電気工事士筆記試験(令和3年度(2021年度)下期【午前】問44・45)で出題された配線図の複線図の書き方について解説しています。試験で出題された問題の配線図の複線図の書き方を一つ一つ順を追って解説していますので、筆記試験の勉強に活用してみてください。
- 第二種電気工事士筆記試験 令和3年度下期【午前】問47 複線図の書き方
- 第二種電気工事士筆記試験(令和3年度(2021年度)下期【午前】問47)で出題された配線図の複線図の書き方について解説しています。試験で出題された問題の配線図の複線図の書き方を一つ一つ順を追って解説していますので、筆記試験の勉強に活用してみてください。
- 第二種電気工事士筆記試験 令和3年度下期【午後】問31・43・46 複線図の書き方
- 第二種電気工事士筆記試験(令和3年度(2021年度)下期【午後】問31・43・46)で出題された配線図の複線図の書き方について解説しています。試験で出題された問題の配線図の複線図の書き方を一つ一つ順を追って解説していますので、筆記試験の勉強に活用してみてください。
- 第二種電気工事士筆記試験 令和3年度下期【午後】問42 複線図の書き方
- 第二種電気工事士筆記試験(令和3年度(2021年度)下期【午後】問42)で出題された配線図の複線図の書き方について解説しています。試験で出題された問題の配線図の複線図の書き方を一つ一つ順を追って解説していますので、筆記試験の勉強に活用してみてください。
- 第二種電気工事士筆記試験 令和2年度下期【午前】問32・42・43 複線図の書き方
- 第二種電気工事士筆記試験(令和2年度(2020年度)下期【午前】問32・42・43)で出題された配線図の複線図の書き方について解説しています。試験で出題された問題の配線図の複線図の書き方を一つ一つ順を追って解説していますので、筆記試験の勉強に活用してみてください。
- 第二種電気工事士筆記試験 令和2年度下期【午前】問48 複線図の書き方
- 第二種電気工事士筆記試験(令和2年度(2020年度)下期【午前】問48)で出題された配線図の複線図の書き方について解説しています。試験で出題された問題の配線図の複線図の書き方を一つ一つ順を追って解説していますので、筆記試験の勉強に活用してみてください。
- 第二種電気工事士筆記試験 令和2年度下期【午後】問42 複線図の書き方
- 第二種電気工事士筆記試験(令和2年度(2020年度)下期【午後】問42)で出題された配線図の複線図の書き方について解説しています。試験で出題された問題の配線図の複線図の書き方を一つ一つ順を追って解説していますので、筆記試験の勉強に活用してみてください。
- 第二種電気工事士筆記試験 令和2年度下期【午後】問45・46・47 複線図の書き方
- 第二種電気工事士筆記試験(令和2年度(2020年度)下期【午後】問45・46・47)で出題された配線図の複線図の書き方について解説しています。試験で出題された問題の配線図の複線図の書き方を一つ一つ順を追って解説していますので、筆記試験の勉強に活用してみてください。
- 第二種電気工事士筆記試験 令和元年度上期問37 複線図の書き方
- 第二種電気工事士筆記試験(令和元年度(2019年度)上期問37)で出題された配線図の複線図の書き方について解説しています。試験で出題された問題の配線図の複線図の書き方を一つ一つ順を追って解説していますので、筆記試験の勉強に活用してみてください。
- 第二種電気工事士筆記試験 令和元年度上期問44 複線図の書き方
- 第二種電気工事士筆記試験(令和元年度(2019年度)上期問44)で出題された配線図の複線図の書き方について解説しています。試験で出題された問題の配線図の複線図の書き方を一つ一つ順を追って解説していますので、筆記試験の勉強に活用してみてください。
- 第二種電気工事士筆記試験 令和元年度上期問47・48 複線図の書き方
- 第二種電気工事士筆記試験(令和元年度(2019年度)上期問47・48)で出題された配線図の複線図の書き方について解説しています。試験で出題された問題の配線図の複線図の書き方を一つ一つ順を追って解説していますので、筆記試験の勉強に活用してみてください。
- 第二種電気工事士筆記試験 令和元年度下期問41・42 複線図の書き方
- 第二種電気工事士筆記試験(令和元年度(2019年度)下期問41・42)で出題された配線図の複線図の書き方について解説しています。試験で出題された問題の配線図の複線図の書き方を一つ一つ順を追って解説していますので、筆記試験の勉強に活用してみてください。
- 第二種電気工事士筆記試験 令和元年度下期問47 複線図の書き方
- 第二種電気工事士筆記試験(令和元年度(2019年度)下期問47)で出題された配線図の複線図の書き方について解説しています。試験で出題された問題の配線図の複線図の書き方を一つ一つ順を追って解説していますので、筆記試験の勉強に活用してみてください。
- 第二種電気工事士筆記試験 令和元年度下期問49 複線図の書き方
- 第二種電気工事士筆記試験(令和元年度(2019年度)下期問49)で出題された配線図の複線図の書き方について解説しています。試験で出題された問題の配線図の複線図の書き方を一つ一つ順を追って解説していますので、筆記試験の勉強に活用してみてください。
- 第二種電気工事士筆記試験 平成30年度上期問39・46・47 複線図の書き方
- 第二種電気工事士筆記試験(平成30年度(2018年度)上期問39・46・47)で出題された配線図の複線図の書き方について解説しています。試験で出題された問題の配線図の複線図の書き方を一つ一つ順を追って解説していますので、筆記試験の勉強に活用してみてください。
- 第二種電気工事士筆記試験 平成30年度上期問41 複線図の書き方
- 第二種電気工事士筆記試験(平成30年度(2018年度)上期問41)で出題された配線図の複線図の書き方について解説しています。試験で出題された問題の配線図の複線図の書き方を一つ一つ順を追って解説していますので、筆記試験の勉強に活用してみてください。
- 第二種電気工事士筆記試験 平成30年度下期問40・49 複線図の書き方
- 第二種電気工事士筆記試験(平成30年度(2018年度)下期問40・49)で出題された配線図の複線図の書き方について解説しています。試験で出題された問題の配線図の複線図の書き方を一つ一つ順を追って解説していますので、筆記試験の勉強に活用してみてください。
- 第二種電気工事士筆記試験 平成30年度下期問41 複線図の書き方
- 第二種電気工事士筆記試験(平成30年度(2018年度)下期問41)で出題された配線図の複線図の書き方について解説しています。試験で出題された問題の配線図の複線図の書き方を一つ一つ順を追って解説していますので、筆記試験の勉強に活用してみてください。
- 第二種電気工事士筆記試験 平成30年度下期問48 複線図の書き方
- 第二種電気工事士筆記試験(平成30年度(2018年度)下期問48)で出題された配線図の複線図の書き方について解説しています。試験で出題された問題の配線図の複線図の書き方を一つ一つ順を追って解説していますので、筆記試験の勉強に活用してみてください。
- 第二種電気工事士筆記試験 平成29年度上期問38・47・48 複線図の書き方
- 第二種電気工事士筆記試験(平成29年度(2017年度)上期問38・47・48)で出題された配線図の複線図の書き方について解説しています。試験で出題された問題の配線図の複線図の書き方を一つ一つ順を追って解説していますので、筆記試験の勉強に活用してみてください。
- 第二種電気工事士筆記試験 平成29年度上期問42 複線図の書き方
- 第二種電気工事士筆記試験(平成29年度(2017年度)上期問42)で出題された配線図の複線図の書き方について解説しています。試験で出題された問題の配線図の複線図の書き方を一つ一つ順を追って解説していますので、筆記試験の勉強に活用してみてください。
- 第二種電気工事士筆記試験 平成29年度下期問32・46 複線図の書き方
- 第二種電気工事士筆記試験(平成29年度(2017年度)下期問32・46)で出題された配線図の複線図の書き方について解説しています。試験で出題された問題の配線図の複線図の書き方を一つ一つ順を追って解説していますので、筆記試験の勉強に活用してみてください。
- 第二種電気工事士筆記試験 平成29年度下期問41・44 複線図の書き方
- 第二種電気工事士筆記試験(平成29年度(2017年度)下期問41・44)で出題された配線図の複線図の書き方について解説しています。試験で出題された問題の配線図の複線図の書き方を一つ一つ順を追って解説していますので、筆記試験の勉強に活用してみてください。
- 第二種電気工事士筆記試験 平成28年度上期問38 複線図の書き方
- 第二種電気工事士筆記試験(平成28年度(2016年度)上期問38)で出題された配線図の複線図の書き方について解説しています。試験で出題された問題の配線図の複線図の書き方を一つ一つ順を追って解説していますので、筆記試験の勉強に活用してみてください。
- 第二種電気工事士筆記試験 平成28年度上期問41 複線図の書き方
- 第二種電気工事士筆記試験(平成28年度(2016年度)上期問41)で出題された配線図の複線図の書き方について解説しています。試験で出題された問題の配線図の複線図の書き方を一つ一つ順を追って解説していますので、筆記試験の勉強に活用してみてください。
- 第二種電気工事士筆記試験 平成28年度上期問45 複線図の書き方
- 第二種電気工事士筆記試験(平成28年度(2016年度)上期問45)で出題された配線図の複線図の書き方について解説しています。試験で出題された問題の配線図の複線図の書き方を一つ一つ順を追って解説していますので、筆記試験の勉強に活用してみてください。
- 第二種電気工事士筆記試験 平成28年度下期問31・42・43 複線図の書き方
- 第二種電気工事士筆記試験(平成28年度(2016年度)下期問31・42・43)で出題された配線図の複線図の書き方について解説しています。試験で出題された問題の配線図の複線図の書き方を一つ一つ順を追って解説していますので、筆記試験の勉強に活用してみてください。
- 第二種電気工事士筆記試験 平成28年度下期問41 複線図の書き方
- 第二種電気工事士筆記試験(平成28年度(2016年度)下期問41)で出題された配線図の複線図の書き方について解説しています。試験で出題された問題の配線図の複線図の書き方を一つ一つ順を追って解説していますので、筆記試験の勉強に活用してみてください。
- 第二種電気工事士筆記試験 平成28年度下期問44・46 複線図の書き方
- 第二種電気工事士筆記試験(平成28年度(2016年度)下期問44・46)で出題された配線図の複線図の書き方について解説しています。試験で出題された問題の配線図の複線図の書き方を一つ一つ順を追って解説していますので、筆記試験の勉強に活用してみてください。
- 第二種電気工事士筆記試験 平成27年度上期問23 複線図の書き方
- 第二種電気工事士筆記試験(平成27年度(2015年度)上期問23)で出題された配線図の複線図の書き方について解説しています。試験で出題された問題の配線図の複線図の書き方を一つ一つ順を追って解説していますので、筆記試験の勉強に活用してみてください。
- 第二種電気工事士筆記試験 平成27年度上期問34 複線図の書き方
- 第二種電気工事士筆記試験(平成27年度(2015年度)上期問34)で出題された配線図の複線図の書き方について解説しています。試験で出題された問題の配線図の複線図の書き方を一つ一つ順を追って解説していますので、筆記試験の勉強に活用してみてください。
- 第二種電気工事士筆記試験 平成27年度上期問43・45・46 複線図の書き方
- 第二種電気工事士筆記試験(平成27年度(2015年度)上期問43・45・46)で出題された配線図の複線図の書き方について解説しています。試験で出題された問題の配線図の複線図の書き方を一つ一つ順を追って解説していますので、筆記試験の勉強に活用してみてください。
- 第二種電気工事士筆記試験 平成27年度下期問37 複線図の書き方
- 第二種電気工事士筆記試験(平成27年度(2015年度)下期問37)で出題された配線図の複線図の書き方について解説しています。試験で出題された問題の配線図の複線図の書き方を一つ一つ順を追って解説していますので、筆記試験の勉強に活用してみてください。
- 第二種電気工事士筆記試験 平成27年度下期問45・46・47 複線図の書き方
- 第二種電気工事士筆記試験(平成27年度(2015年度)下期問45・46・47)で出題された配線図の複線図の書き方について解説しています。試験で出題された問題の配線図の複線図の書き方を一つ一つ順を追って解説していますので、筆記試験の勉強に活用してみてください。
- 第二種電気工事士筆記試験 平成26年度上期問33・42・43 複線図の書き方
- 第二種電気工事士筆記試験(平成26年度(2014年度)上期問33・42・43)で出題された配線図の複線図の書き方について解説しています。試験で出題された問題の配線図の複線図の書き方を一つ一つ順を追って解説していますので、筆記試験の勉強に活用してみてください。
- 第二種電気工事士筆記試験 平成26年度下期問38・44・46 複線図の書き方
- 第二種電気工事士筆記試験(平成26年度(2014年度)下期問38・44・46)で出題された配線図の複線図の書き方について解説しています。試験で出題された問題の配線図の複線図の書き方を一つ一つ順を追って解説していますので、筆記試験の勉強に活用してみてください。
- 第二種電気工事士筆記試験 平成25年度上期問34・44・45 複線図の書き方
- 第二種電気工事士筆記試験(平成25年度(2013年度)上期問34・44・45)で出題された配線図の複線図の書き方について解説しています。試験で出題された問題の配線図の複線図の書き方を一つ一つ順を追って解説していますので、筆記試験の勉強に活用してみてください。
- 第二種電気工事士筆記試験 平成25年度下期問45・46 複線図の書き方
- 第二種電気工事士筆記試験(平成25年度(2013年度)下期問45・46)で出題された配線図の複線図の書き方について解説しています。試験で出題された問題の配線図の複線図の書き方を一つ一つ順を追って解説していますので、筆記試験の勉強に活用してみてください。
- 第二種電気工事士筆記試験 平成24年度上期問34・44 複線図の書き方
- 第二種電気工事士筆記試験(平成24年度(2012年度)上期問34・44)で出題された配線図の複線図の書き方について解説しています。試験で出題された問題の配線図の複線図の書き方を一つ一つ順を追って解説していますので、筆記試験の勉強に活用してみてください。
- 第二種電気工事士筆記試験 平成24年度下期問46 複線図の書き方
- 第二種電気工事士筆記試験(平成24年度(2012年度)下期問46)で出題された配線図の複線図の書き方について解説しています。試験で出題された問題の配線図の複線図の書き方を一つ一つ順を追って解説していますので、筆記試験の勉強に活用してみてください。
- 第二種電気工事士筆記試験 平成23年度上期問40 複線図の書き方
- 第二種電気工事士筆記試験(平成23年度(2011年度)上期問40)で出題された配線図の複線図の書き方について解説しています。試験で出題された問題の配線図の複線図の書き方を一つ一つ順を追って解説していますので、筆記試験の勉強に活用してみてください。
- 第二種電気工事士筆記試験 平成23年度上期問49 複線図の書き方
- 第二種電気工事士筆記試験(平成23年度(2011年度)上期問49)で出題された配線図の複線図の書き方について解説しています。試験で出題された問題の配線図の複線図の書き方を一つ一つ順を追って解説していますので、筆記試験の勉強に活用してみてください。
- 第二種電気工事士筆記試験 平成23年度下期問39 複線図の書き方
- 第二種電気工事士筆記試験(平成23年度(2011年度)下期問39)で出題された配線図の複線図の書き方について解説しています。試験で出題された問題の配線図の複線図の書き方を一つ一つ順を追って解説していますので、筆記試験の勉強に活用してみてください。
- 第二種電気工事士筆記試験 平成23年度下期問49 複線図の書き方
- 第二種電気工事士筆記試験(平成23年度(2011年度)下期問49)で出題された配線図の複線図の書き方について解説しています。試験で出題された問題の配線図の複線図の書き方を一つ一つ順を追って解説していますので、筆記試験の勉強に活用してみてください。
- 第二種電気工事士筆記試験 平成22年度問38 複線図の書き方
- 第二種電気工事士筆記試験(平成22年度(2010年度)問38)で出題された配線図の複線図の書き方について解説しています。試験で出題された問題の配線図の複線図の書き方を一つ一つ順を追って解説していますので、筆記試験の勉強に活用してみてください。
- 第二種電気工事士筆記試験 平成22年度問42 複線図の書き方
- 第二種電気工事士筆記試験(平成22年度(2010年度)問42)で出題された配線図の複線図の書き方について解説しています。試験で出題された問題の配線図の複線図の書き方を一つ一つ順を追って解説していますので、筆記試験の勉強に活用してみてください。
- 第二種電気工事士筆記試験 平成21年度問33 複線図の書き方
- 第二種電気工事士筆記試験(平成21年度(2009年度)問33)で出題された配線図の複線図の書き方について解説しています。試験で出題された問題の配線図の複線図の書き方を一つ一つ順を追って解説していますので、筆記試験の勉強に活用してみてください。
- 第二種電気工事士筆記試験 平成21年度問46 複線図の書き方
- 第二種電気工事士筆記試験(平成21年度(2009年度)問46)で出題された配線図の複線図の書き方について解説しています。試験で出題された問題の配線図の複線図の書き方を一つ一つ順を追って解説していますので、筆記試験の勉強に活用してみてください。

